Усилители BBK AV210 - инструкция пользователя по применению, эксплуатации и установке на русском языке. Мы надеемся, она поможет вам решить возникшие у вас вопросы при эксплуатации техники.
Если остались вопросы, задайте их в комментариях после инструкции.
"Загружаем инструкцию", означает, что нужно подождать пока файл загрузится и можно будет его читать онлайн. Некоторые инструкции очень большие и время их появления зависит от вашей скорости интернета.

뇷‚ÛÙÂ
ëÔÓÒÓ· 2
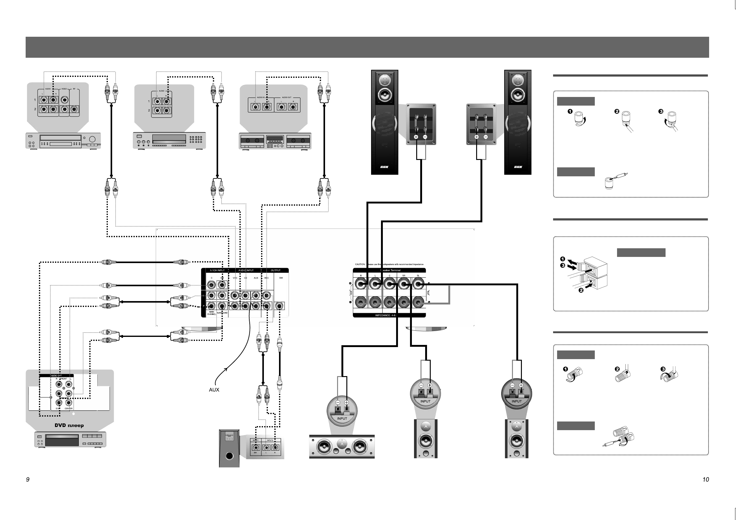
èéÑäãûóÖçàÖ ëàëíÖåõ
èéÑäãûóÖçàÖ ëàëíÖåõ
VCD ÔÎÂÂ
CD ÔÎÂÂ
ä‡ÒÒÂÚÌ˚È Ï‡„ÌËÚÓÙÓÌ
ã‚˚È ÙÓÌڇθÌ˚È
„ÓÏÍÓ„Ó‚ÓËÚÂθ
臂˚È ÙÓÌڇθÌ˚È
„ÓÏÍÓ„Ó‚ÓËÚÂθ
ã‚˚È „ÓÏÍÓ„Ó‚ÓËÚÂθ
ÓÍÛʇ˛˘Â„Ó Á‚Û͇
ñÂÌڇθÌ˚È „ÓÏÍÓ„Ó‚ÓËÚÂθ
臂˚È „ÓÏÍÓ„Ó‚ÓËÚÂθ
ÓÍÛʇ˛˘Â„Ó Á‚Û͇
1. èÓ‰Íβ˜ÂÌË ÙÓÌڇθÌ˚ı „ÓÏÍÓ„Ó‚ÓËÚÂÎÂÈ
ëÔÓÒÓ· 1
1
Отвинтите разъём вращением против часовой стрелки.
2
Вставьте кабель для подключения громкоговорителей.
3
Зажмите кабель вращением по часовой стрелке.
Штекер
Можно использовать
специальный штекер.
2. èÓ‰Íβ˜ÂÌË ˆÂÌڇθÌÓ„Ó „ÓÏÍÓ„Ó‚ÓËÚÂÎfl Ë
„ÓÏÍÓ„Ó‚ÓËÚÂÎÂÈ ÓÍÛʇ˛˘Â„Ó Á‚Û͇
ä‡Í ÔÓ‰Íβ˜ËÚ¸
1
Нажмите на разъём, чтобы
открыть его.
2
Вставьте кабель.
3
Отпустите разъём, чтобы зажать
кабель.
3. èÓ‰Íβ˜ÂÌËÂ Í ÛÒËÎËÚÂβ
ëÔÓÒÓ· 1
1
Отвинтите разъём вращением против часовой стрелки.
2
Вставьте кабель для подключения громкоговорителей.
3
Зажмите кабель вращением по часовой стрелке.
ëÔÓÒÓ· 2
Штекер
Можно использовать
специальный штекер.
* ÇÒ ËÒÛÌÍË ‚ ‰‡ÌÌÓÈ ËÌÒÚÛ͈ËË fl‚Îfl˛ÚÒfl ˝ÒÍËÁ‡ÏË.
Содержание
- 5 èÖêÖÑçüü èÄçÖãú
- 6 áÄÑçüü èÄçÖãú
- 7 èìãúí ÑàëíÄçñàéççéÉé ìèêÄÇãÖçàü; ç‡Á̇ ̃ÂÌË ÍÌÓÔÓÍ Ì‡ ÔÛÎ ̧Ú ‰ËÒڇ̈ËÓÌÌÓ„Ó ÛÔ‡‚ÎÂÌËfl
- 8 ìÒÚ‡Ìӂ͇ ·‡Ú‡ÂÂÍ; àÒÔÓÎ ̧ÁÓ‚‡ÌË ÔÛÎ ̧Ú‡ ‰ËÒڇ̈ËÓÌÌÓ„Ó ÛÔ‡‚ÎÂÌËfl
- 9 èéÑäãûóÖçàÖ ëàëíÖåõ; • Убедитесь, что правый и левый каналы подключены правильно; èÓ‰ÍÎ ̨ ̃ÂÌËÂ Í ‡Û‰ËÓ/‚ˉÂÓ ÛÒÚÓÈÒÚ‚‡Ï; èÓ‰ÍÎ ̨ ̃ÂÌËÂ Í ÛÒÚÓÈÒÚ‚‡Ï Ò AC-3/DTS ‰ÂÍÓ‰ÂÓÏ; àÌÒÚÛ͈ËË ÔÓ ÔÓ‰ÍÎ ̨ ̃ÂÌË ̨
- 10 èÓ‰ÍÎ ̨ ̃ÂÌË ‡ÁÎË ̃Ì ̊ı ÛÒÚÓÈÒÚ‚ Í ‚ ̊ıÓ‰Û REC
- 13 éëçéÇçõÖ éèÖêÄñàà; èÓ‰„ÓÚӂ͇; ÇÓÒÔÓËÁ‚‰ÂÌË Á‚Û͇; Ä‚ÚÓχÚË ̃ÂÒÍËÈ ÔÓËÒÍ; ê„ÛÎËӂ͇ Á‚Û͇
- 14 ê„ÛÎËӂ͇ ÛÓ‚Ìfl; êÂÊËÏ ̊ ‡·ÓÚ ̊
- 15 ùÍ‚‡Î‡ÈÁÂ; åÌÓ„ÓÔÓÎÓÒÌ ̊È ̋Í‚‡Î‡ÈÁÂ; á‚ÛÍÓ‚ ̊ ÔÓÎfl
- 16 éÚÍÎ ̨ ̃ÂÌË Á‚Û͇; äÌÓÔ͇ Display
- 17 ùÌ„Óҷ„‡ ̨ ̆ËÈ ÂÊËÏ; îÛÌ͈Ëfl Á‡ÔÓÏË̇ÌËfl
- 18 ÇÓÒÔÓËÁ‚‰ÂÌË ‰Û„Ëı ‰ËÒÍÓ‚
- 19 äÄêÄéäÖ; êÂÊËÏ ä‡‡ÓÍÂ
- 20 çÖàëèêÄÇçéëíà












