Усилители ACV DX-4.200 - инструкция пользователя по применению, эксплуатации и установке на русском языке. Мы надеемся, она поможет вам решить возникшие у вас вопросы при эксплуатации техники.
Если остались вопросы, задайте их в комментариях после инструкции.
"Загружаем инструкцию", означает, что нужно подождать пока файл загрузится и можно будет его читать онлайн. Некоторые инструкции очень большие и время их появления зависит от вашей скорости интернета.

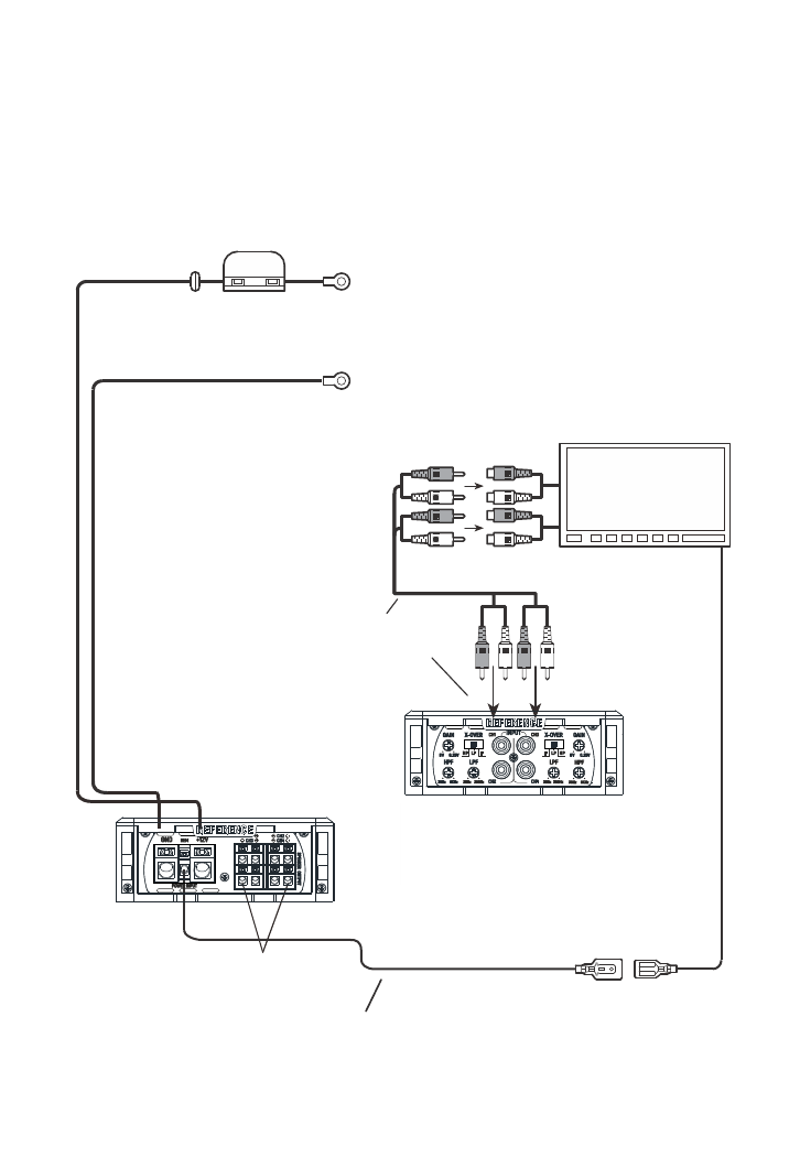
СХЕМЫ ПОДКЛЮЧЕНИЯ
Изображена диаграмма с внешним подключением источника сигнала.
6
Колба с предохранителем
80А
После выполнения всех подключений,
подключите плюсовую клемму «+»
к автомобильному аккумулятору
Подключите отрицательную
клемму к кузову автомобиля;
Головное устройство
с линейным выходом
Соедините межблочным кабелем
(приобретается отдельно) линейный
выход головного устройства
с линейным входом на усилителе
Провод управления включением усилителя. Соедините эту клемму с соответствующим
проводом на головном устройстве. Также клемму можно подключить к резистору
автомобильной антенны. Ещё один метод – подключить провод
REMOTE
на зажигание
автомобиля
Блок акустических терминалов
для подключения акустики
Содержание
- 3 СОДЕРЖАНИЕ
- 5 ПРОВОДНОЕ СОЕДИНЕНИЕ ТЕРМИНАЛОВ
- 6 СХЕМЫ ПОДКЛЮЧЕНИЯ
- 10 ТЕХНИЧЕСКИЕ ХАРАКТЕРИСТИКИ













