Unitherm US 300 1000 Uni - Инструкция по эксплуатации

Unitherm US 300 1000 Uni

Водонагреватель Unitherm US 300 1000 Uni - инструкция пользователя по применению, эксплуатации и установке на русском языке. Мы надеемся, она поможет вам решить возникшие у вас вопросы при эксплуатации техники.

Если остались дополнительные вопросы — свяжитесь с нами через контактную форму.

1 Страница 1
2 Страница 2
3 Страница 3
4 Страница 4
5 Страница 5
6 Страница 6
7 Страница 7
8 Страница 8
9 Страница 9
10 Страница 10
11 Страница 11
12 Страница 12
13 Страница 13
Страница: / 13
Загрузка инструкции

Óíèâåðñàëüíûé íàïîëüíûé âîäîíàãðåâàòåëü

US 300 ... 1000 Uni

Èíñòðóêöèÿ ïî ìîíòàæó è ýêñïëóàòàöèè

RU

"Загрузка инструкции" означает, что нужно подождать пока файл загрузится и можно будет его читать онлайн. Некоторые инструкции очень большие и время их появления зависит от вашей скорости интернета.

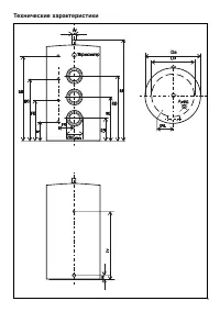
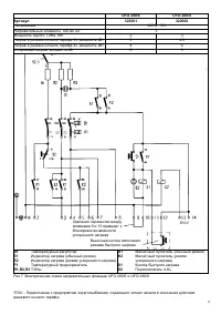
Характеристики

Другие модели - Водонагреватели Unitherm

Все водонагреватели Unitherm