Триммеры PATRIOT PT 545 XT 1+1 250106221 - инструкция пользователя по применению, эксплуатации и установке на русском языке. Мы надеемся, она поможет вам решить возникшие у вас вопросы при эксплуатации техники.
Если остались вопросы, задайте их в комментариях после инструкции.
"Загружаем инструкцию", означает, что нужно подождать пока файл загрузится и можно будет его читать онлайн. Некоторые инструкции очень большие и время их появления зависит от вашей скорости интернета.

– 2 –
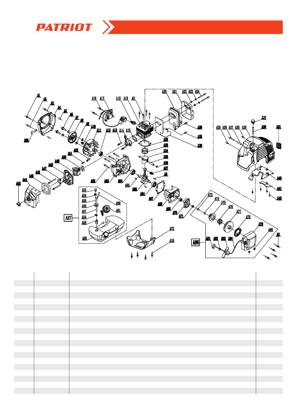
ТРИММЕР БЕНЗИНОВЫЙ PT 545 XT
РИСУНОК A. ДВИГАТЕЛЬ В РАЗБОРЕ
АРТИК УЛ: 250 10 6221
#
АРТИКУЛ
ОПИСАНИЕ
КОЛ-ВО
A1
001515581
Винт М5х30
1
A2
001515582
Винт М5х25
6
A3
001515583
Винт М5х20
5
A4
001515584
Крышка маховика
1
A5
001515585
Направляющий 5х10
4
A6
001515586
Болт диска сцепления М8х24
2
A7
001515587
Пружинная шайба диска сцепления
2
A8
001515588
Диск сцепления (1E40F)
1
A9
001515589
Шайба диска сцепления
2
A10
001515590
Гайка М8
1
A11
001515591
Маховик (1E40F)
1
A12
001515592
Сальник 15х30х7
1
A13
001515593
Винт М5х28
2
A14
001515594
Дамба карбюратора
1
A15
001515595
Прокладка дамбы карбюратора
1
A16
001515583
Винт М5х20
6
A17
001515596
Катушка зажигания (1E40F)
1
A18
841102210
Свеча зажигания
1
A19
001515597
Цилиндр (1E40F)
1













