Триммеры ECHO SRM-22GES-SB - инструкция пользователя по применению, эксплуатации и установке на русском языке. Мы надеемся, она поможет вам решить возникшие у вас вопросы при эксплуатации техники.
Если остались вопросы, задайте их в комментариях после инструкции.
"Загружаем инструкцию", означает, что нужно подождать пока файл загрузится и можно будет его читать онлайн. Некоторые инструкции очень большие и время их появления зависит от вашей скорости интернета.

16
Описание
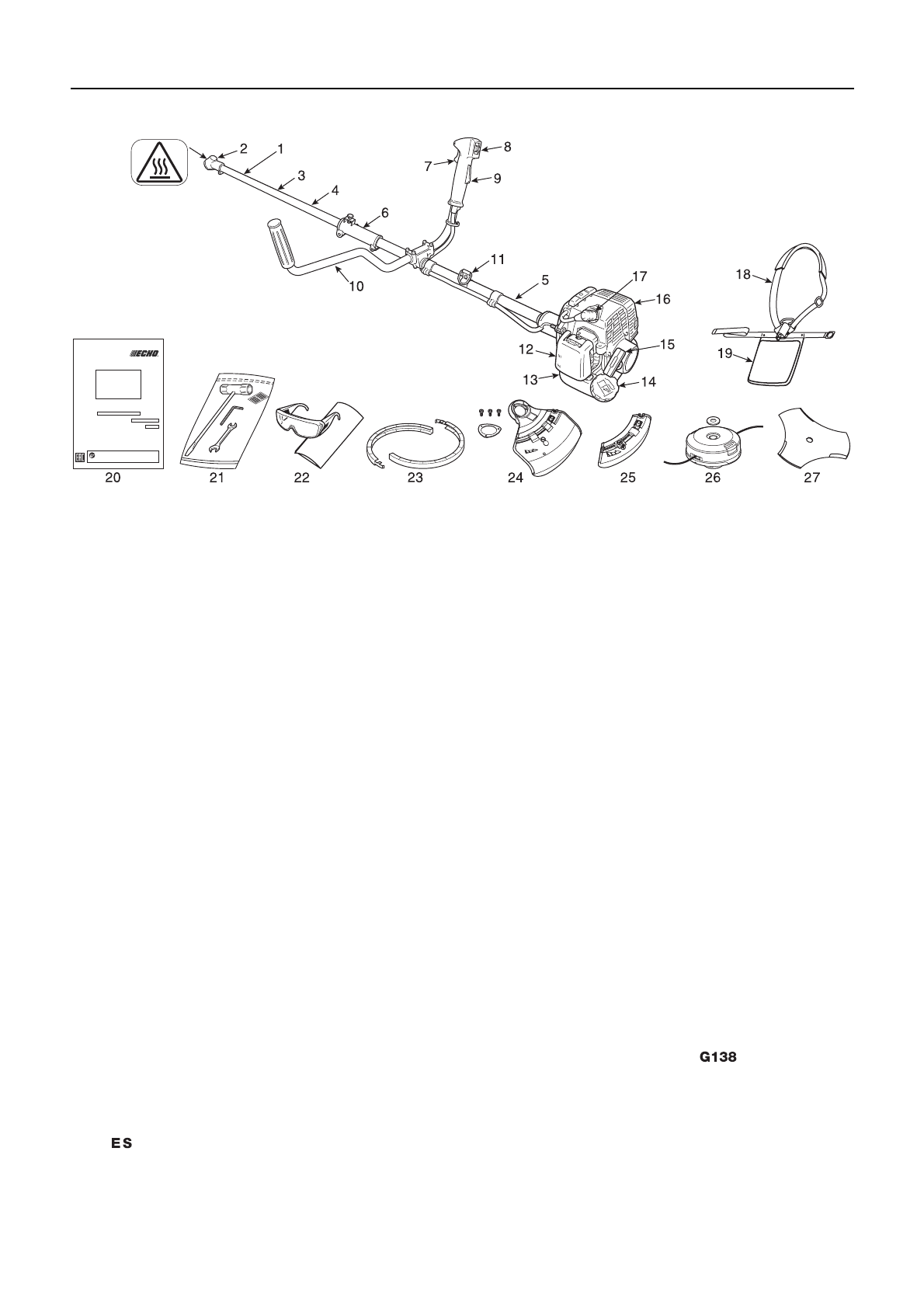
1.
Узел
нижнего
приводного
вала
:
состоит
из
трубки
вала
и
угловой
передачи
.
2.
Угловая
передача
:
имеет
два
привода
для
изменения
угла
оси
вращения
.
3.
Трубка
вала
:
часть
изделия
,
выступающая
в
роли
кожуха
для
вала
трансмиссии
.
4.
Предупредительная
наклейка
:
номер
по
каталогу
890617-43130
5.
Узел
верхнего
приводного
вала
:
состоит
из
трубки
вала
,
муфты
,
ручки
и
двигателя
.
6.
Муфта
:
состоит
из
центровочного
штифта
и
стопорной
головки
.
7.
Дроссельный
регулятор
:
устройство
,
управляемое
нажатием
пальца
оператора
,
предназначено
для
управления
оборотами
двигателя
.
8.
Выключатель
зажигания
:
ползунковый
выключатель
на
верхней
стороне
корпуса
дроссельного
регулятора
,
выключатель
переводится
вверх
в
положение
RUN (
работа
),
и
вниз
в
положение
STOP (
останов
).
9.
Блокировка
дроссельного
регулятора
:
блокирует
дроссельный
регулятор
в
положении
холостого
хода
до
тех
пор
,
пока
оператор
не
обхватит
рукоятку
правильно
.
10.
П
-
образная
рукоятка
:
имеет
форму
велосипедного
руля
.
11.
Точка
подвеса
:
приспособление
,
на
котором
крепится
плечевой
ремень
.
12.
Крышка
воздухоочистителя
:
закрывает
воздушный
фильтр
.
13.
Топливный
бак
:
содержит
топливо
и
топливный
фильтр
.
14.
Пробка
топливного
бака
:
служит
для
закрывания
топливного
бака
.
15.
Рукоятка
стартера
:
потяните
рукоятку
для
запуска
двигателя
.
(
"
"
ЗАПУСК
)
16.
Кожух
глушителя
:
закрывает
глушитель
,
защищая
оператора
от
контакта
с
горячими
поверхностями
глушителя
.
17.
Свеча
зажигания
18.
Плечевой
ремень
:
регулируемые
ремни
для
подвешивания
устройства
.
19.
Набедренный
щиток
-
Защищает
бедра
/
ноги
и
одежду
.
20.
Руководство
по
эксплуатации
:
поставляется
в
комплекте
с
изделием
.
Прочитайте
перед
началом
работы
,
чтобы
усвоить
надлежащие
правила
техники
безопасности
,
и
сохраните
как
справочное
пособие
.
21.
Инструменты
:
Т
-
образный
гаечный
ключ
17
х
19
мм
(
комбинированная
отвертка
/
свечной
ключ
),
рожковый
ключ
8
х
10
мм
, L-
образный
ключ
и
шплинт
(11
шт
.).
22.
Защитные
очки
23.
Защитный
кожух
:
при
перевозке
изделия
используйте
соответствующий
металлический
кожух
ножа
.
24.
Защитный
кожух
нейлоновой
лески
:
только
для
режущей
головки
с
нейлоновой
леской
.
Устройство
защиты
оператора
от
случайного
контакта
с
режущей
головкой
и
отбрасываемыми
предметами
.
Пластина
кронштейна
с
тремя
болтами
.
25.
Щиток
металлического
ножа
:
устройство
защиты
оператора
от
случайного
контакта
с
режущей
головкой
и
отбрасываемыми
предметами
.
26.
Режущая
гарнитура
:
головка
с
нейлоновой
леской
для
резки
травы
и
сорняков
. (
и
шайба
)
27.
Режущая
гарнитура
:
металлический
диск
с
3-
ю
зубьями
для
резки
сорняков
,
садовых
отходов
и
травы
.