Тепловые завесы Тепломаш КЭВ-48П5061Е - инструкция пользователя по применению, эксплуатации и установке на русском языке. Мы надеемся, она поможет вам решить возникшие у вас вопросы при эксплуатации техники.
Если остались вопросы, задайте их в комментариях после инструкции.
"Загружаем инструкцию", означает, что нужно подождать пока файл загрузится и можно будет его читать онлайн. Некоторые инструкции очень большие и время их появления зависит от вашей скорости интернета.

12
Â
À
Ñ
Â
À
Ñ
3
2
1
5
4
3
2
1
5
4
3
2
1
5
4
X1
X2
X3
ÅÊ1...ÅÊ3
ÅÊ4...ÅÊ6
ÅÊ7...ÅÊ9
ÅÊ10...ÅÊ12
SK1 120
°
C
3
5
4
3
5
4
3
5
4
0
t C
ì
0
t C
ì
Ì1
Ì2
X
5
X
4
À1
À2
À3
t
3PE~50/380
Ââîä 1
3PE~50/380
Ââîä 2
Рисунок 4. Электрическая схема завесы КЭВ-24П5051Е, КЭВ-36П5051Е
3
ТЭН-резистор А1, А2, А3
3
R1
R
2R1
2
R2
4
4
5
5
Содержание
- 4 П р о д о л ж е н и е т а б л и ц ы 1; УСТРОЙСТВО И ПОРЯДОК РАБОТЫ; У п р а в л е н и е з а в е с о й; приобретаются отдельно согласно проекта защиты проема.; Д о п о л н и т е л ь н о е о б о р у д о в а н и е
- 7 ТЕХНИЧЕСКОЕ ОБСЛУЖИВАНИЕ
- 8 Использование непригодной завесы ЗАПРЕЩЕНО!; ВОЗМОЖНЫЕ НЕИСПРАВНОСТИ И СПОСОБЫ ИХ УСТРАНЕНИЯ
- 9 ГАРАНТИЙНЫЕ ОБЯЗАТЕЛЬСТВА; П р о д о л ж е н и е т а б л и ц ы 3
- 10 Рисунок 2. Габаритные и присоединительные размеры
- 11 Рисунок 3. Электрическая схема завесы КЭВ-18П5051Е; t C
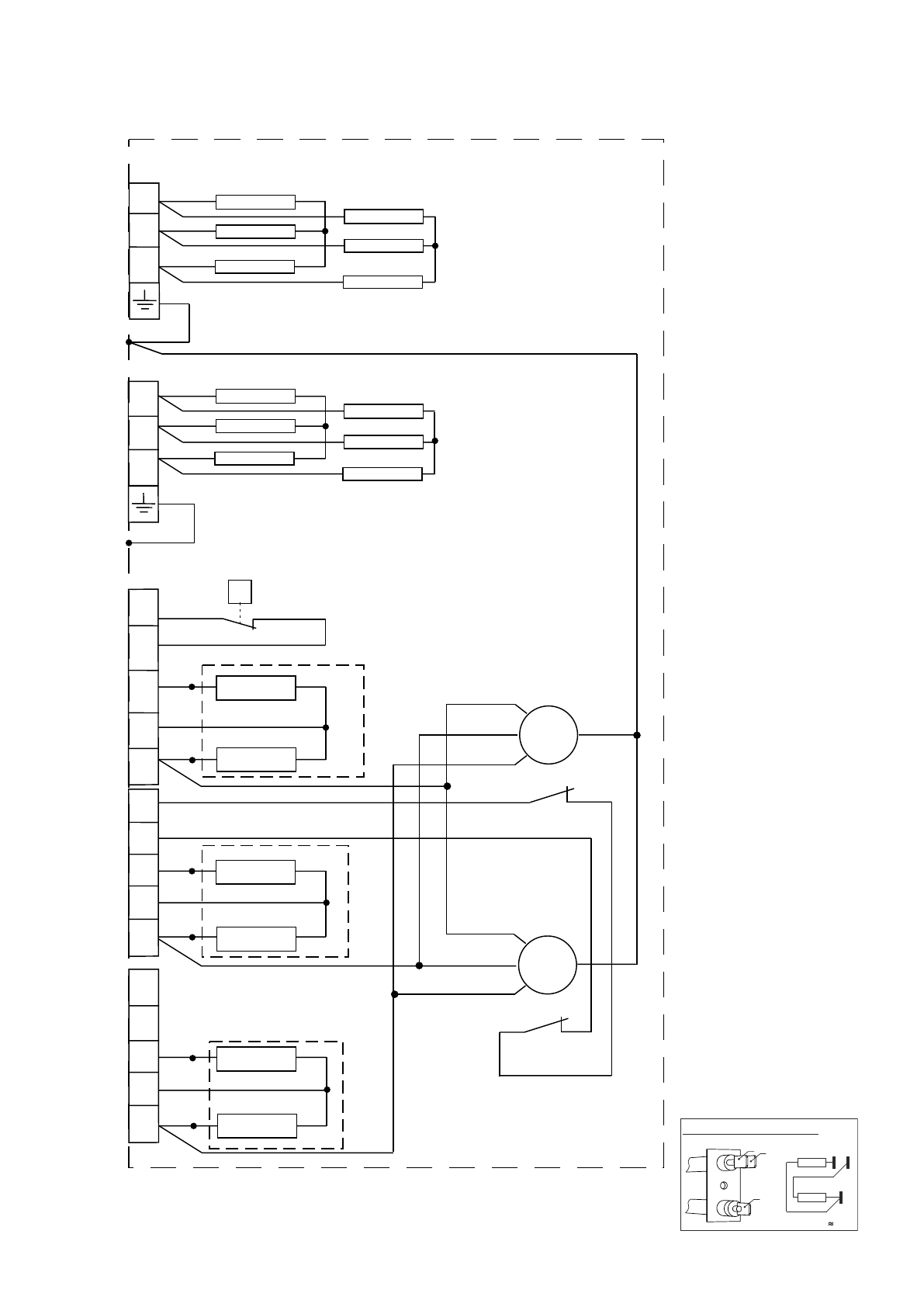
- 14 Рисунок 6. Электрическая схема завесы КЭВ-48П5061Е
- 15 ДЛЯ ЗАМЕТОК
- 16 СВИДЕТЕЛЬСТВО О ПРИЕМКЕ; Дата изготовления; СВИДЕТЕЛЬСТВО О ПОДКЛЮЧЕНИИ; Подключена к сети в соответствии с п.7 Паспорта; СБ












