Тепловые завесы Тепломаш КЭВ-42П7011Е - инструкция пользователя по применению, эксплуатации и установке на русском языке. Мы надеемся, она поможет вам решить возникшие у вас вопросы при эксплуатации техники.
Если остались вопросы, задайте их в комментариях после инструкции.
"Загружаем инструкцию", означает, что нужно подождать пока файл загрузится и можно будет его читать онлайн. Некоторые инструкции очень большие и время их появления зависит от вашей скорости интернета.

12
ÊÝÂ-Ï
7011
Å.000-02 Ý3
Çàâåñà ÊÝÂ-
42
Ï7011Å
Ñõåìà ýë. ïðèíöèïèàëüíàÿ
Ëèòåðà
Î3
Ëèñò 1
Ëèñòîâ 1
Ìàññà Ìàñøòàá
Èíâ.¹ ïîäë.
Âçàèì Èíâ.¹
Èíâ.¹ äóáë.
Ñïðàâ.¹
Ïåðâîå ïðèìåíåíèå
Ïîäïèñü è äàòà
Ïîäïèñü è äàòà
ÍÏÎ «Òåïëîìàø»
Ðàçðàá.
Ðîìàíîâ
Ò.êîíòð.
Í.êîíòð.
Ïðîâ.
Ëèñò ¹ äîêóì.
Ïîäï. Äàòà
Óòâ.
Ãë.êîíñò.
Èçì
Â
À
Ñ
Â
À
Ñ
ÅÊ1...ÅÊ3
ÅÊ4...ÅÊ6
ÅÊ10...ÅÊ12
ÅÊ7...ÅÊ9
X
5
X
4
3
3
3
2
2
2
1
1
1
5
5
5
4
4
4
X
1
X
2
X
3
3
3
3
5
5
5
4
4
4
0
t C
ì
0
t C
ì
Ì1
Ì2
À1
À2
À3
3PE~50/380
3PE~50/380
Ââîä 1
Ââîä 2
18
.
02
.1
5
Çàãðåäèíîâ
Ãîëóáåâ
SK1 120
°
C
t
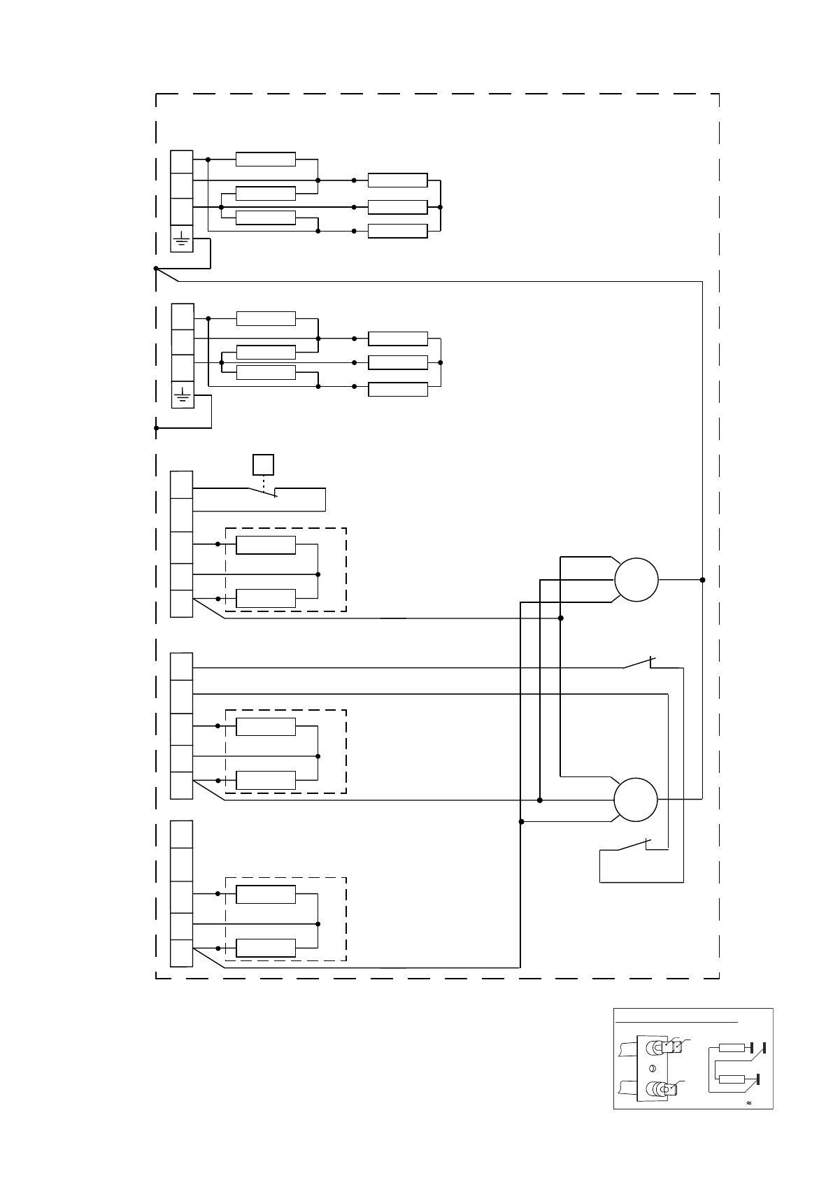
Рисунок 4. Электрическая схема завесы КЭВ-42П7011Е
3
ТЭН-резистор А1, А2, А3
3
R1
R
2R1
2
R2
4
4
5
5












