Тепловые завесы Тепломаш КЭВ-36П6031Е - инструкция пользователя по применению, эксплуатации и установке на русском языке. Мы надеемся, она поможет вам решить возникшие у вас вопросы при эксплуатации техники.
Если остались вопросы, задайте их в комментариях после инструкции.
"Загружаем инструкцию", означает, что нужно подождать пока файл загрузится и можно будет его читать онлайн. Некоторые инструкции очень большие и время их появления зависит от вашей скорости интернета.
Загружаем инструкцию
 
15
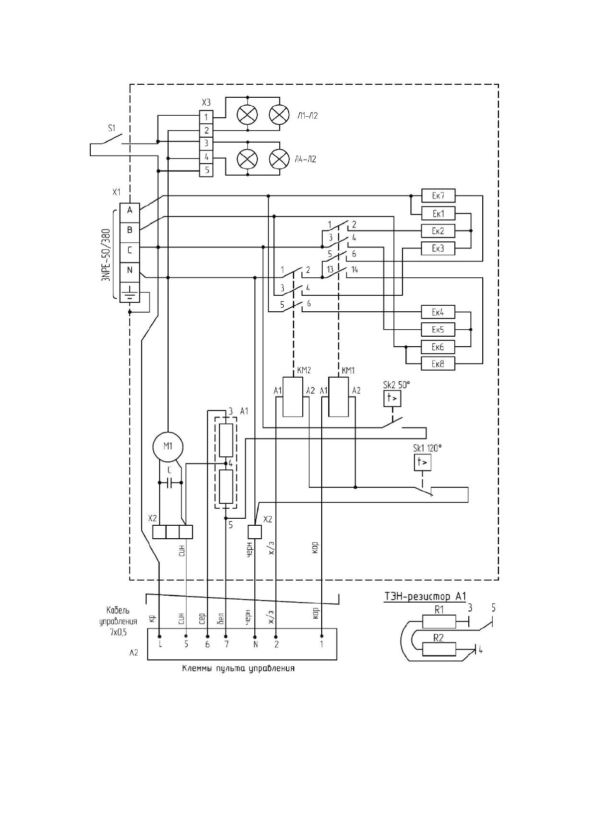
Рисунок
7-
Электрическая схема завесы
КЭВ
-
24П6011Е
Содержание
- 2 СОДЕРЖАНИЕ; Паспорт сделан в соответствии с ГОСТ
- 3 B III; ТЕХНИЧЕСКИЕ ХАРАКТЕРИСТИКИ; проема боковой завесы только для «мягких» наружных условий (tн ≥ 0°
- 4 П р о д о л ж е н и е т а б л и ц ы; УСТРОЙСТВО И ПОРЯДОК РАБОТЫ; RAL
- 5 только
- 6 УКАЗАНИЕ МЕР БЕЗОПАСНОСТИ
- 7 ЗАПРЕЩАЕТСЯ
- 10 ГАРАНТИЙНЫЕ ОБЯЗАТЕЛЬСТВА
- 11 П р и м е ч а н и е
- 20 СБ
 
  
  
  
  
  
  
  
  
  
  
  
  
  
  
  
  
  
  
  
 











