Тепловые завесы Тепломаш КЭВ-18П5051Е - инструкция пользователя по применению, эксплуатации и установке на русском языке. Мы надеемся, она поможет вам решить возникшие у вас вопросы при эксплуатации техники.
Если остались вопросы, задайте их в комментариях после инструкции.
"Загружаем инструкцию", означает, что нужно подождать пока файл загрузится и можно будет его читать онлайн. Некоторые инструкции очень большие и время их появления зависит от вашей скорости интернета.
Загружаем инструкцию

13
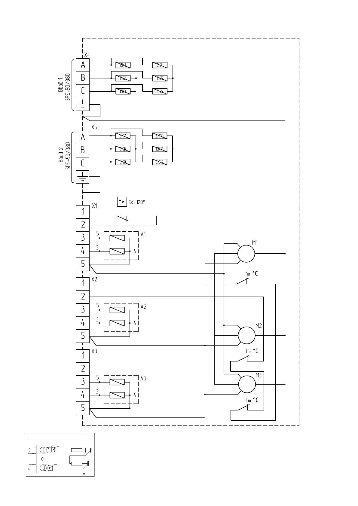
Рисунок 5. Электрическая схема завесы КЭВ-24П5061Е, КЭВ-36П5061Е
3
ТЭН-резистор А1, А2, А3
3
R1
R
2R1
2
R2
4
4
5
5
Содержание
- 4 П р о д о л ж е н и е т а б л и ц ы 1; УСТРОЙСТВО И ПОРЯДОК РАБОТЫ; У п р а в л е н и е з а в е с о й; приобретаются отдельно согласно проекта защиты проема.; Д о п о л н и т е л ь н о е о б о р у д о в а н и е
- 7 ТЕХНИЧЕСКОЕ ОБСЛУЖИВАНИЕ
- 8 Использование непригодной завесы ЗАПРЕЩЕНО!; ВОЗМОЖНЫЕ НЕИСПРАВНОСТИ И СПОСОБЫ ИХ УСТРАНЕНИЯ
- 9 ГАРАНТИЙНЫЕ ОБЯЗАТЕЛЬСТВА; П р о д о л ж е н и е т а б л и ц ы 3
- 10 Рисунок 2. Габаритные и присоединительные размеры
- 11 Рисунок 3. Электрическая схема завесы КЭВ-18П5051Е; t C
- 14 Рисунок 6. Электрическая схема завесы КЭВ-48П5061Е
- 15 ДЛЯ ЗАМЕТОК
- 16 СВИДЕТЕЛЬСТВО О ПРИЕМКЕ; Дата изготовления; СВИДЕТЕЛЬСТВО О ПОДКЛЮЧЕНИИ; Подключена к сети в соответствии с п.7 Паспорта; СБ












