Тепловые завесы Ballu BHC-U15W40-PS - инструкция пользователя по применению, эксплуатации и установке на русском языке. Мы надеемся, она поможет вам решить возникшие у вас вопросы при эксплуатации техники.
Если остались вопросы, задайте их в комментариях после инструкции.
"Загружаем инструкцию", означает, что нужно подождать пока файл загрузится и можно будет его читать онлайн. Некоторые инструкции очень большие и время их появления зависит от вашей скорости интернета.

11
Электрические схемы
Схема электрическая принципиальная BHC-U15A-PS, BHC-U20A-PS, BHC-U15W40-PS,
BHC-U20W55-PS с подключением контроллера (пульта) BRC-W + BRC-C
SK1, SK2 – терморегуляторы;
ХT1-ХТ5 – колодка клеммная;
SA1 – переключатель включения режима защиты от проникно-
вения уличного воздуха;
SA2 – регулятор задержки выключения электродвигателей;
SA3 – переключатель режимов вентиляции;
RK1 – термодатчик;
SQ1 – концевой выключатель;
YA1 – электромагнитный привод двух-/трехходового вентиля.
SK1 -
терморегулятор
;
ХТ
1-XT3 -
колодка клеммная
;
SA1 -
переключатель режимов вентиляции
;
RK1 -
термодатчик
;
YA1 -
электромагнитный привод двух
-/
трехходового вентиля
.
Схема электрическая принципиальная тепловой завесы с контроллером
BRC-W.
~ 2 3 0
В
1
2
3
4
5
6
7
Х Т
2
V E N T 2 / 3
L < - B R C -C
V E N T M A X
V EN T 1/ 3
H EA T N
N
H EA T L
Y A 1
Контроллер
BRC-W
S A 1
I
II
III
0
S K 1
t,°C
G N D
Y
X
R K 1
- t°
R em ote tem p er atur e
s ensor (R T S )
Х Т
1
12
11
10
9
8
SK1 -
терморегулятор
;
ХТ
1-XTn -
колодка клеммная
;
SA1 -
переключатель режимов вентиляции
;
RK1 -
термодатчик
;
YA1 -
электромагнитный привод двух
-/
трехходового вентиля
;
QF1 -
автоматический выключатель
.
Схема электрическая принципиальная при групповом подключении тепловых завес с контроллером
BRC-W
Y A 1
R K 1
- t °
QF1
L
N
РЕ
1
2
3
4
5
6
7
Х Т
2
V EN T 2 / 3
L <- B R C-C
V EN T M A X
V EN T 1/ 3
H EA T N
N
H EA T L
Контроллер
BRC-W
S A 1
I
II
III
0
S K 1
t,° C
G N D
Y
X
R em o te tem per atu r e
senso r (R T S )
Х Т
1
12
11
10
9
8
n n n
n n n
~230
В
Х Т
1
Тепловая завеса
N
L
1
3
4
5
6
7
M
~
M 1
C 1
M
~
M 2
C 2
ж е л
-
з ел
че рны й
се ры й
ко ричнев ы й
си ний
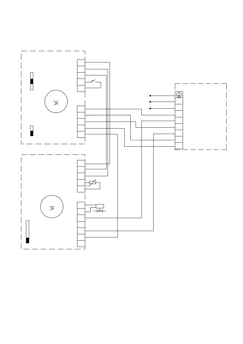
Схема электрическая принципиальная тепловых завес
.
BHC-U15W40-PS
Х Т
3
Тепловая завеса
N
L
1
3
4
5
6
7
Х Т
n
Тепловая завеса
N
L
1
3
4
5
6
7
SK1, SK2 -
терморегуляторы
;
ХТ
1-XT5 -
колодка клеммная
;
SA1 -
переключатель включения режима защиты от проникновения уличного воздуха
;
SA2 -
регулятор задержки выключения электродвигателей
;
SA3 -
переключатель режимов вентиляции
;
RK1 -
термодатчик
;
SQ1 -
концевой выключатель
:
YA1 -
электромагнитный привод двух
-/
трехходового вентиля
.
Схема электрическая принципиальная тепловой завесы с контроллерами
BRC-W + BRC-C.
~ 2 3 0
В
Y A 1
Контроллер
BRC-
С
1
2
3
4
5
Х Т
2
N
L input
V EN T 1/ 3
L O U T
V EN T 2 / 3
Х Т
1
G N D
X
Y
S A 1
I
0
S A 2
+
-
S K 1
t,°C
S Q 1
door c ontac t
(D C)
R K 1
- t °
6
7
8
9
10
1
2
3
4
5
6
7
Х Т
4
V EN T 2 / 3
L <- B R C-C
V EN T M A X
V EN T 1/ 3
H E A T N
N
H E A T L
Контроллер
BRC-W
S A 3
I
II
III
0
S K 2
t ,°C
G N D
Y
X
R em ote te m per a tur e
sens or (R T S )
Х Т
3
12
11
10
9
8
SK1, SK2 -
терморегуляторы
;
ХТ
1-XTn -
колодка клеммная
;
SA1 -
переключатель включения режима защиты от проникновения уличного воздуха
;
SA2 -
регулятор задержки выключения электродвигателей
;
SA3 -
переключатель режимов вентиляции
;
RK1 -
термодатчик
;
SQ1 -
концевой выключатель
:
YA1 -
электромагнитный привод двух
-/
трехходового вентиля
;
QF1 -
автоматический выключатель
.
Схема электрическая принципиальная при групповом подключении тепловых завес с контроллерами
BRC-W + BRC-C.
Y A 1
S Q 1
R K 1
- t°
L
N
РЕ
n
QF1
1
2
3
4
5
6
7
Х Т
4
V EN T 2 / 3
L <- B R C-C
V EN T M A X
V EN T 1/ 3
H EA T N
N
H E A T L
Контроллер
BRC-W
S A 3
I
II
III
0
S K 2
t ,°C
G N D
Y
X
R em o te tem per a tur e
sens or (R T S )
Х Т
3
12
11
10
9
8
Контроллер
BRC-
С
1
2
3
4
5
Х Т
2
N
L in put
V EN T 1 / 3
L O U T
V EN T 2 / 3
Х Т
1
G N D
X
Y
S A 1
I
0
S A 2
+
-
S K 1
t,°C
do or con tact
(D C)
6
7
8
9
10
n
n
n n n
~230
В
Х Т
5
Тепловая завеса
N
L
1
3
4
5
6
7
Тепловая завеса
N
L
1
3
4
5
6
7
Х Т
5
Тепловая завеса
N
L
1
3
4
5
6
7
Х Т
n
YA1
3 4 1
5 6
SK1
HL1
2
SA1
t ,°C
Термостат
BMT-2
ХТ
1
SK1 -
терморегулятор
;
HL1 -
индикатор
;
ХТ
1,
ХТ
2 -
колодка клеммная
;
YA1 -
привод электромагнитного вентиля
;
SA1 -
выключатель
.
Подключение тепловой завесы к термостату ВМТ
-2.
ХТ
2
Тепловая завеса
N L 1 3 4 5 6 7
L
N
РЕ
~230
В
YA1
3 4 1
5 6
SK1
HL1
2
SA1
t,°C
Термостат
BMT-2
ХТ
1
SK1 -
терморегулятор
;
HL1 -
индикатор
;
ХТ
1 - XTn -
колодка клеммная
;
YA1 -
привод электромагнитного вентиля
;
SA1 -
выключатель
;
QF1 -
автоматический выключатель
.
ХТ
2
N L 1 3 4 5 6 7
L
N
РЕ
~230
В
Тепловая завеса
Подключение тепловых завес к термостату ВМТ
-2.
ХТ
n
N L 1 3 4 5 6 7
Тепловая завеса
n
n
n
QF1
При подключении тепловых завес к термостату ВМТ
-2
пользователь сам
,
выбирает
,
в каком скоростном режиме будет работать тепловая завеса
и при монтаже подключает провод от клеммы термостата
2
к одной из клемм тепловой завесы
: 4 -
минимальная скорость
, 5 -
максимальная скорость
, 7 -
средняя скорость
.
На рисунках выше показано подключение тепловой завесы на максимальной скорости
.
ХТ
1
N L 1 3 4 5 6 7
L
N
РЕ
~230
В
Тепловая завеса
QF1
Подключение тепловой завесы без управления режимами вентиляции и подачей теплоносителя
.
ХТ
1
N L 1 3 4 5 6 7
L
N
РЕ
~230
В
Тепловая завеса
ХТ
n
N L 1 3 4 5 6 7
Тепловая завеса
n
n
QF1
При подключении тепловых завес без управления режимами вентиляции и подачей теплоносителя
(
через автоматический выключатель или диф
.
автомат
),
пользователь сам выбирает
в каком скоростном режиме будет работать тепловая завеса и при монтаже подключает фазный провод к одной из клемм тепловой завесы
: 4 -
минимальная скорость
, 5 -
максимальная скорость
, 7 -
средняя скорость
.
На рисунках выше показано подключение тепловой завесы на максимальной скорости
.
n
Одиночное подключение
.
Групповое подключение
.
ХТ
1 -
колодка клеммная
;
QF1 -
автоматический выключатель
.
ХТ
1 -
ХТ
n-
колодка клеммная
;
QF1 -
автоматический выключатель
.
Х Т
1
Тепловая завеса
N
L
1
3
4
5
6
7
M
~
M 1
C 1
M
~
M 2
C 2
M
~
M 2
C 2
ж ел
-
з ел
чер ны й
сер ы й
кор ичнев ы й
син ий
BHC-U20W55-PS
Х Т
3
Тепловая завеса
N
L
1
3
4
5
6
7
PDF created with pdfFactory Pro trial version
www.pdffactory.com
Содержание
- 2 Используемые обозначения; Требования, несоблюдение которых может при-; ПРИМЕЧАНИЕ; Содержание; Свидетельство о приемке
- 5 Монтаж завесы; Варианты монтажа; Технические характеристики
- 6 Горизонтальный монтаж на транспортировочные кронштейны; Модель завесы
- 7 Горизонтальная установка
- 8 Переустановка теплообменника; Подключение теплоносителя; Подключение к электрической сети
- 9 Электрические схемы; Далее приведены электрические схемы завес:; PDF created with pdfFactory Pro trial version
- 13 возможности регулировки производительности).
- 14 Управление прибором; Управление завесами пультом BRC-W
- 16 Поиск и устранение неисправностей; Примечание; Уход и обслуживание; Для контроля работы завесы необходимо
- 17 приведенной в Таблице 4.; Транспортирование и хранение
- 18 Сделано в России; Гарантия; Товар сертифицирован на территории
- 22 ГАРАНТИЙНЫЙ ТАЛОН; ТИП
- 26 сохраняется у клиента; на гарантийное обслуживание; на гарантийное обслуживание












