Тепловые завесы Ballu BHC-M20W30-PS - инструкция пользователя по применению, эксплуатации и установке на русском языке. Мы надеемся, она поможет вам решить возникшие у вас вопросы при эксплуатации техники.
Если остались вопросы, задайте их в комментариях после инструкции.
"Загружаем инструкцию", означает, что нужно подождать пока файл загрузится и можно будет его читать онлайн. Некоторые инструкции очень большие и время их появления зависит от вашей скорости интернета.

12
Монтаж завесы
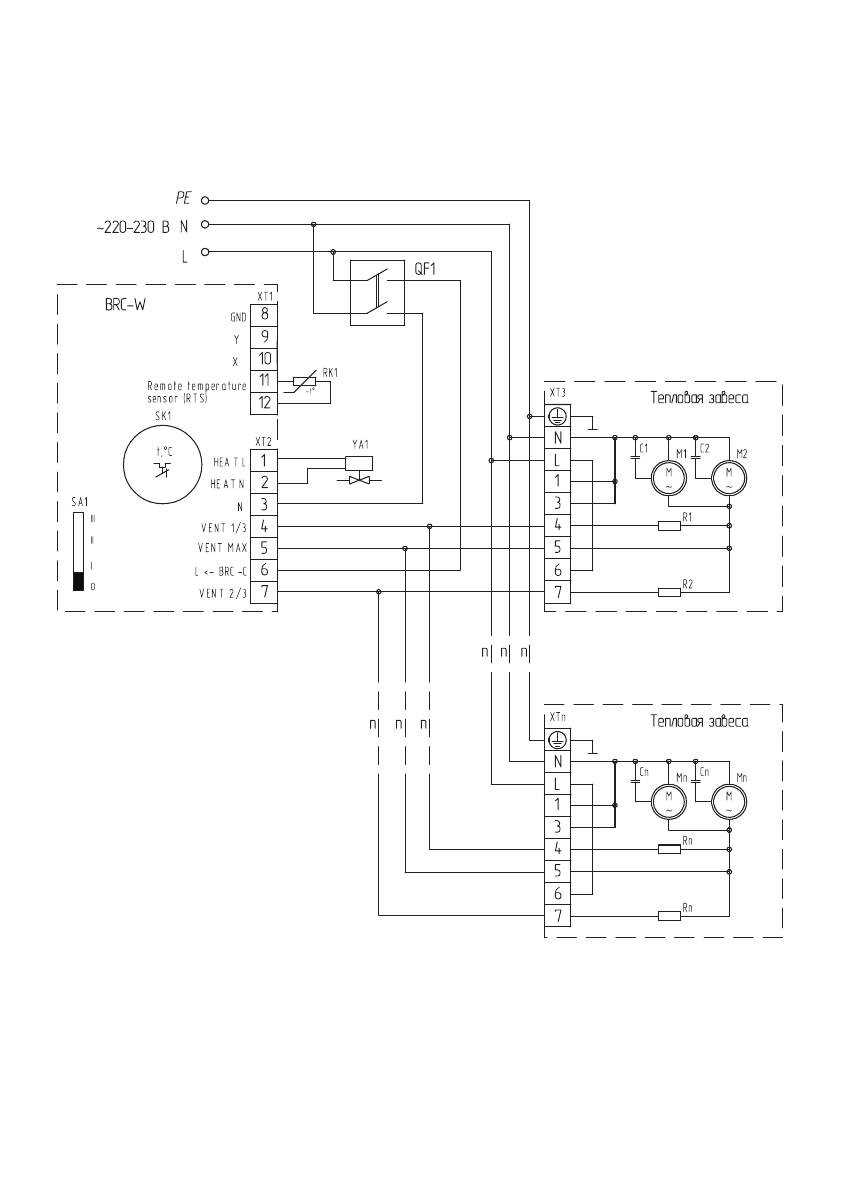
Схема электрическая принципиальная при групповом подключении тепловых завес
ВНС-Н20W45-PS с пультом BRC-W:
М1-Mn - электродвигатель;
C1-Cn - конденсатор;
R1-Rn - нагрузка;
SK1 - терморегулятор;
ХТ1-XTn - колодка клеммная;
SA1 - переключатель режимов вентиляции;
RK1 - термодатчик;
YA1 - электромагнитный привод
двух-/трехходового вентиля;
QF1 - автоматический выключатель.
Пульт
Групповое подключение тепловых завес ВНС-М10W12-PS, ВНС-М15W20-PS, ВНС-М20W30-PS,
ВНС-H10W18-PS, ВНС-Н15W30-PS к пульту BRC-W производится аналогично.
Характеристики
Остались вопросы?Не нашли свой ответ в руководстве или возникли другие проблемы? Задайте свой вопрос в форме ниже с подробным описанием вашей ситуации, чтобы другие люди и специалисты смогли дать на него ответ. Если вы знаете как решить проблему другого человека, пожалуйста, подскажите ему :)












