Тепловые завесы Ballu BHC-L05S02-S - инструкция пользователя по применению, эксплуатации и установке на русском языке. Мы надеемся, она поможет вам решить возникшие у вас вопросы при эксплуатации техники.
Если остались вопросы, задайте их в комментариях после инструкции.
"Загружаем инструкцию", означает, что нужно подождать пока файл загрузится и можно будет его читать онлайн. Некоторые инструкции очень большие и время их появления зависит от вашей скорости интернета.

6
Подключение к электрической сети
Схема электрическая принципиальная BHC-L06S03-S
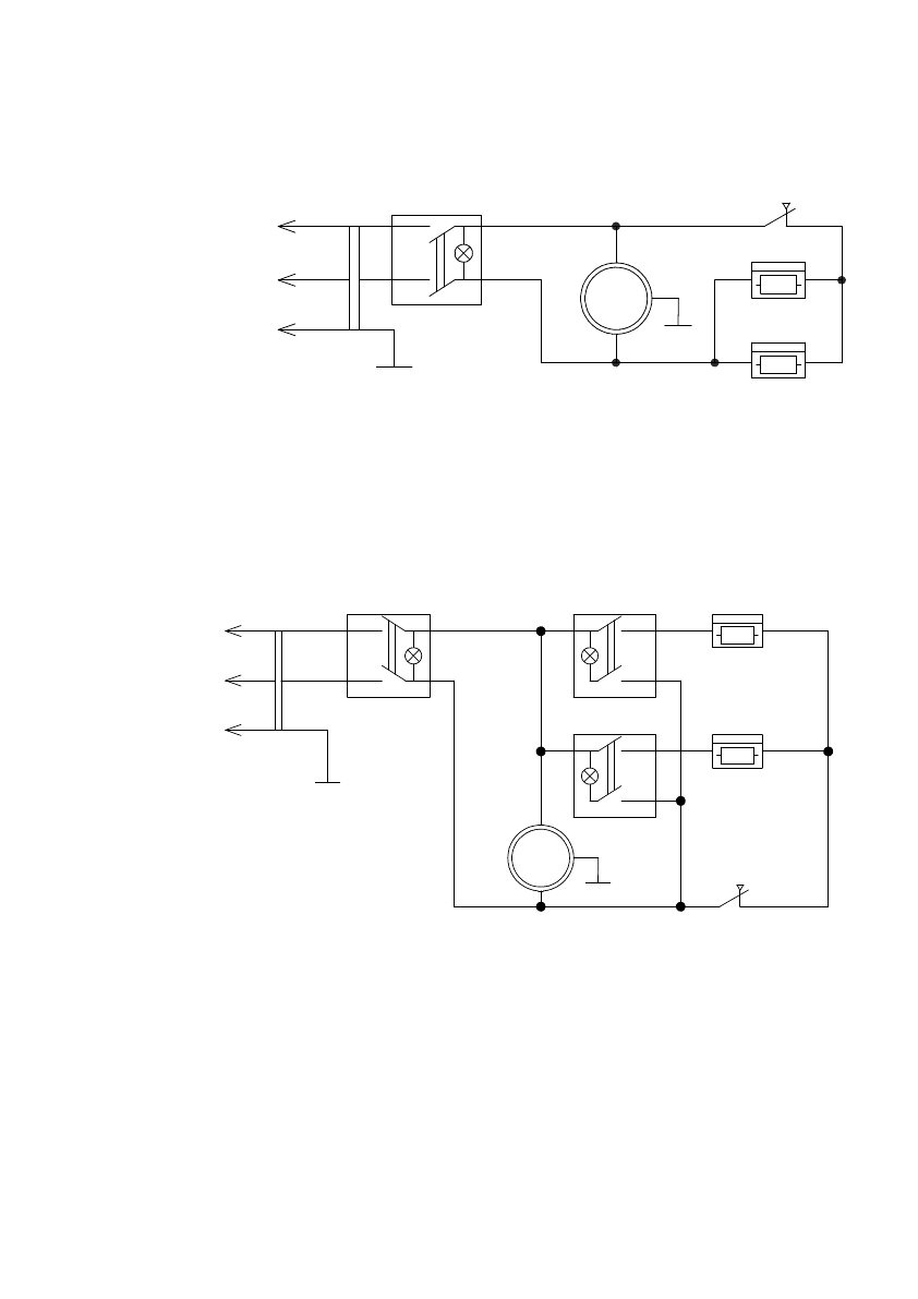
Схема электрическая принципиальная BHC-L05S02-S
SA2.1
EK1.1
SA2.2
EK1.2
SA1
M1
M
~
SK1
М
1 -
электродвигатель
;
SA1 -
клавиша
-
выключатель
;
SA2 -
двухклавишный выключатель нагревателей
;
EK1 -
электронагреватель
;
SK1 -
защитный термостат
.
~230
В
PE
N
L
Схема электрическая принципиальная тепловой завесы
BHC-L06S03-S.
SA1
L
PE
EK1 -
электронагреватель
;
SA1 -
двухпозиционная клавиша
;
SK1 -
защитный термостат
;
M1 -
электродвигатель
.
Схема электрическая принципиальная
BHC-L05S02-S
SK2
EK1.1
N
EK1.2
~230
В
Схема электрическая принципиальная тепловой завесы
BHC-L08S03-ST.
SA2.1
EK1.1
SA2.2
EK1.2
SA1
M1
M
~
SK1
~230
В
PE
N
L
SK2
М
1 -
электродвигатель
;
SA1 -
клавиша
-
выключатель
;
SA2 -
двухклавишный выключатель нагревателей
;
EK1 -
электронагреватель
;
SK1 -
защитный термостат
;
SK2 -
терморегулятор
.
Схема электрическая принципиальная тепловой пушки ВН
C-L10S06-SP.
EK1,
ЕК
2,
ЕК
3 -
электронагреватель
;
КМ
1,
КМ
2 -
электромагнитное реле
;
М
1 -
электродвигатель
;
SK1, SK2 -
защитный термостат
;
ХТ
1-
колодка клеммная
;
SA1 -
сетевой выключатель
;
SA2, SA3 -
выключатели режимов нагрева
;
SK3 -
терморегулятор
.
ХТ
1 -
клеммная колодка
.
M1
EK1.1
EK1.2
Пульт управления
SA1
SK2
SA2
1
SA3
2
4
3
XT1
КМ
1
.
1
КМ
2.1
КМ
2.2
КМ
1
.
2
PE
N
L
~
230
В
ж ел
-
зе л
си н ий
ч ер н ы й
к о ри чн е вы й
EK1 -
электронагреватель
;
КМ
1,
КМ
2 -
электромагнитное реле
;
М
1 -
электродвигатель
;
SK1 -
защитный термостат
;
ХТ
1 -
колодка клеммная
;
SA1 -
сетевой выключатель
;
SA2, SA3 -
выключатели режимов нагрева
;
SK2 -
терморегулятор
.
Схема электрическая принципиальная тепловой завесы
BHC-L08S03-SP.
SK1
M
~
КМ
1
.
1
КМ
2.1
~
400
В
N
L1
L2
L3
ж ел
-
зе л
с и ни й
че р ны й
ко р ич н ев ы й
с ин и й
Пульт управления
SA1
SK2
SA2
1
SA3
2
4
3
XT1
PE
ж ел
-
зе л
Схема электрическая принципиальная тепловой пушки ВН
C-L15S09-SP.
M
~
M
~
SK1
SK1
EK1 -
ЕК
6 -
электронагреватель
;
КМ
1 -
КМ
3 -
электромагнитное реле
;
М
1,
М
2 -
электродвигатель
;
SK1 -
защитный термостат
;
ХТ
1-
колодка клеммная
;
SA1 -
сетевой выключатель
;
SA2, SA3 -
выключатели режимов нагрева
;
SK2 -
терморегулятор
.
M1
M2
M1
M
~
КМ
1.2
КМ
2
.
2
КМ
2
.
3
EK1
EK2
EK3
M1
EK2.1
EK2.2
Пульт управления
SA1
SK3
SA2
1
SA3
2
4
3
XT1
КМ
1
.
1
КМ
2.1
КМ
2.2
КМ
1
.
2
ж ел
-
зе л
с ин и й
ч е рн ы й
к о ри ч не в ы й
SK2
M
~
EK1.1
EK1.2
КМ
2.3
КМ
1.3
SK1
M1
M
~
PE
N
L
~
230
В
EK4
EK5
EK6
XT1
Схема электрическая принципиальная тепловой завесы
BHC-L08S05-S
Т
.
М
1 -
электродвигатель
;
SA1 -
клавиша
-
выключатель
;
SA2 -
двухклавишный выключатель нагревателей
;
EK1 -
электронагреватель
;
SK1, SK2 -
защитный термостат
;
SK3 -
терморегулятор
;
КМ
1 -
электромагнитное реле
;
ХТ
1 -
клеммная колодка
.
SA2.2
KM1.1
M1
EK1.2
SK1
KM1.2
M
~
SA1
SA2.1
PE
L
~
230
В
N
XT1
SK3
SK2
EK1.1
EK1 - электронагреватель;
SA1 - двухпозиционная клавиша;
SK1 - защитный термостат;
M1 - электродвигатель.
М1 - электродвигатель;
SA1 - клавиша-выключатель;
SA2 - двухклавишный выключатель нагревателей;
EK1 - электронагреватель;
SK1 - защитный термостат.
SA2.1
EK1.1
SA2.2
EK1.2
SA1
M1
M
~
SK1
М
1 -
электродвигатель
;
SA1 -
клавиша
-
выключатель
;
SA2 -
двухклавишный выключатель нагревателей
;
EK1 -
электронагреватель
;
SK1 -
защитный термостат
.
~230
В
PE
N
L
Схема электрическая принципиальная тепловой завесы
BHC-L06S03-S.
SA1
L
PE
EK1 -
электронагреватель
;
SA1 -
двухпозиционная клавиша
;
SK1 -
защитный термостат
;
M1 -
электродвигатель
.
Схема электрическая принципиальная
BHC-L05S02-S
SK1
N
~230
В
Схема электрическая принципиальная тепловой завесы
BHC-L08S03-ST.
SA2.1
EK1.1
SA2.2
EK1.2
SA1
M1
M
~
SK1
~230
В
PE
N
L
SK2
М
1 -
электродвигатель
;
SA1 -
клавиша
-
выключатель
;
SA2 -
двухклавишный выключатель нагревателей
;
EK1 -
электронагреватель
;
SK1 -
защитный термостат
;
SK2 -
терморегулятор
.
Схема электрическая принципиальная тепловой пушки ВН
C-L10S06-SP.
EK1,
ЕК
2,
ЕК
3 -
электронагреватель
;
КМ
1,
КМ
2 -
электромагнитное реле
;
М
1 -
электродвигатель
;
SK1, SK2 -
защитный термостат
;
ХТ
1-
колодка клеммная
;
SA1 -
сетевой выключатель
;
SA2, SA3 -
выключатели режимов нагрева
;
SK3 -
терморегулятор
.
ХТ
1 -
клеммная колодка
.
M1
EK1.1
EK1.2
Пульт управления
SA1
SK2
SA2
1
SA3
2
4
3
XT1
КМ
1
.
1
КМ
2.1
КМ
2.2
КМ
1
.
2
PE
N
L
~
230
В
ж е л
-
з ел
син ий
ч ерн ы й
к ори чне вы й
EK1 -
электронагреватель
;
КМ
1,
КМ
2 -
электромагнитное реле
;
М
1 -
электродвигатель
;
SK1 -
защитный термостат
;
ХТ
1 -
колодка клеммная
;
SA1 -
сетевой выключатель
;
SA2, SA3 -
выключатели режимов нагрева
;
SK2 -
терморегулятор
.
Схема электрическая принципиальная тепловой завесы
BHC-L08S03-SP.
SK1
M
~
КМ
1
.
1
КМ
2.1
~
400
В
N
L1
L2
L3
ж ел
-
зел
син ий
ч ерн ы й
к ори чне вы й
син ий
Пульт управления
SA1
SK2
SA2
1
SA3
2
4
3
XT1
PE
ж е л
-
з ел
Схема электрическая принципиальная тепловой пушки ВН
C-L15S09-SP.
M
~
M
~
SK1
SK1
EK1 -
ЕК
6 -
электронагреватель
;
КМ
1 -
КМ
3 -
электромагнитное реле
;
М
1,
М
2 -
электродвигатель
;
SK1 -
защитный термостат
;
ХТ
1-
колодка клеммная
;
SA1 -
сетевой выключатель
;
SA2, SA3 -
выключатели режимов нагрева
;
SK2 -
терморегулятор
.
M1
M2
КМ
1.2
КМ
2
.
2
КМ
2
.
3
EK1
EK2
EK3
M1
EK2.1
EK2.2
Пульт управления
SA1
SK3
SA2
1
SA3
2
4
3
XT1
КМ
1
.
1
КМ
2.1
КМ
2.2
КМ
1
.
2
ж е л
-
з ел
сини й
ч ерны й
к ори чнев ы й
SK2
M
~
EK1.1
EK1.2
КМ
2.3
КМ
1.3
SK1
M1
M
~
PE
N
L
~
230
В
EK4
EK5
EK6
XT1
Схема электрическая принципиальная тепловой завесы
BHC-L08S05-S
Т
.
М
1 -
электродвигатель
;
SA1 -
клавиша
-
выключатель
;
SA2 -
двухклавишный выключатель нагревателей
;
EK1 -
электронагреватель
;
SK1, SK2 -
защитный термостат
;
SK3 -
терморегулятор
;
КМ
1 -
электромагнитное реле
;
ХТ
1 -
клеммная колодка
.
SA2.2
KM1.1
M1
EK1.2
SK1
KM1.2
M
~
SA1
SA2.1
PE
L
~
230
В
N
XT1
SK3
SK2
EK1.1
M1
EK1.1
EK1.2
M
~