Тепловые завесы Ballu BHC-H15T18-PS - инструкция пользователя по применению, эксплуатации и установке на русском языке. Мы надеемся, она поможет вам решить возникшие у вас вопросы при эксплуатации техники.
Если остались вопросы, задайте их в комментариях после инструкции.
"Загружаем инструкцию", означает, что нужно подождать пока файл загрузится и можно будет его читать онлайн. Некоторые инструкции очень большие и время их появления зависит от вашей скорости интернета.

11
Подготовка к работе
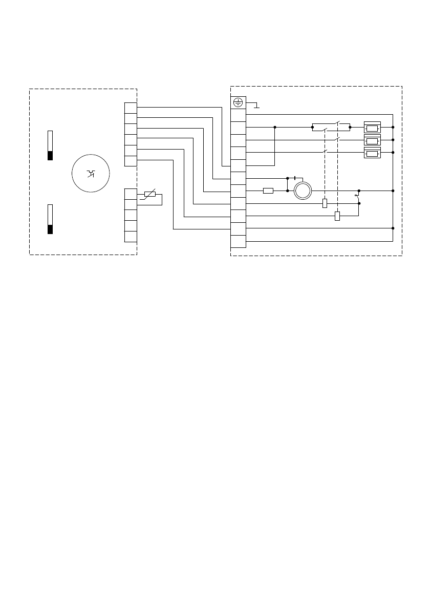
Подключение тепловых завес BHC-M10T09-PS, BHC-M15T09-PS, BHC-M15T12-PS, BHC-M20T12-PS
к пульту BRC-E.
EK1, EK2, EK3 - нагревательный элемент;
КМ1, КМ2 - электромагнитное реле;
М1 - электродвигатель;
С1 - конденсатор;
R1 - резистор;
SK1 - защитный термостат без автовозврата;
SK2 - терморегулятор;
XТ1-XТ3 - колодка клеммная;
SA1 - переключатель режимов вентиляции;
SA2 - переключатель режимов нагрева;
RK1 - термодатчик.
XT3
L1
L2
L3
N
EK2
EK3
EK1
KM1.2
KM2.2
Тепловая завеса
4
3
2
1
5
SK1
M1
~
C1
R1
KM1.1
KM2.1
6
7
1
2
3
4
5
6
Remote temperature
sensor (RTS)
ХТ1
ХТ2
R
Пульт B C-E
L <- BRC-C
VENT MAX
VENT 1/2
HEAT 2
HEAT 1
N
SA1
I
II
0
SK2
SA2
I
II
0
GND
Y
X
R
t,
о
С
t,
о
С
K1
-
7
8
9
10
11
Тепловые завесы ВНС-М10Т06-PS, ВНС-М20Т18-PS, ВНС-М20Т24-PS подключаются аналогично.
Характеристики
Остались вопросы?Не нашли свой ответ в руководстве или возникли другие проблемы? Задайте свой вопрос в форме ниже с подробным описанием вашей ситуации, чтобы другие люди и специалисты смогли дать на него ответ. Если вы знаете как решить проблему другого человека, пожалуйста, подскажите ему :)












