Тепловые завесы Ballu BHC-H10W18-PS - инструкция пользователя по применению, эксплуатации и установке на русском языке. Мы надеемся, она поможет вам решить возникшие у вас вопросы при эксплуатации техники.
Если остались вопросы, задайте их в комментариях после инструкции.
"Загружаем инструкцию", означает, что нужно подождать пока файл загрузится и можно будет его читать онлайн. Некоторые инструкции очень большие и время их появления зависит от вашей скорости интернета.

11
Монтаж завесы
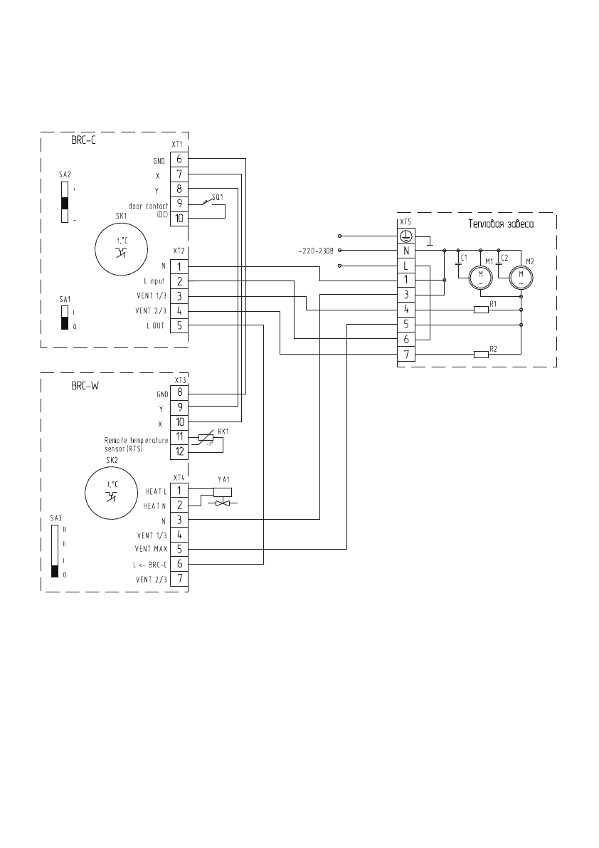
Схема электрическая принципиальная тепловой завесы ВНС-Н20W45-PS с пультами BRC-W +
BRC-C:
Пульт
Пульт
М1, М2 - электродвигатель;
C1, С2 - конденсатор;
R1, R2 - нагрузка;
SK1, SK2 - терморегулятор;
ХТ1-XT5 - колодка клеммная;
SA1 - переключатель включения режима защиты
от проникновения уличного воздуха;
SA2 - регулятор задержки выключения электро-
двигателей;
SA3 - переключатель режимов вентиляции;
RK1 - термодатчик;
SQ1 - концевой выключатель:
YA1 - электромагнитный привод
двух-/трехходового вентиля.
Подключение тепловых завес ВНС-М10W12-PS, ВНС-М15W20-PS, ВНС-М20W30-PS, ВНС-H10W18-PS, ВНС-
Н15W30-PS к пультам BRC-W + BRC-C производится аналогично.
Характеристики
Остались вопросы?Не нашли свой ответ в руководстве или возникли другие проблемы? Задайте свой вопрос в форме ниже с подробным описанием вашей ситуации, чтобы другие люди и специалисты смогли дать на него ответ. Если вы знаете как решить проблему другого человека, пожалуйста, подскажите ему :)












