Тепловые завесы Ballu BHC-B10T06-PS - инструкция пользователя по применению, эксплуатации и установке на русском языке. Мы надеемся, она поможет вам решить возникшие у вас вопросы при эксплуатации техники.
Если остались вопросы, задайте их в комментариях после инструкции.
"Загружаем инструкцию", означает, что нужно подождать пока файл загрузится и можно будет его читать онлайн. Некоторые инструкции очень большие и время их появления зависит от вашей скорости интернета.

9
Подключение к электрической сети
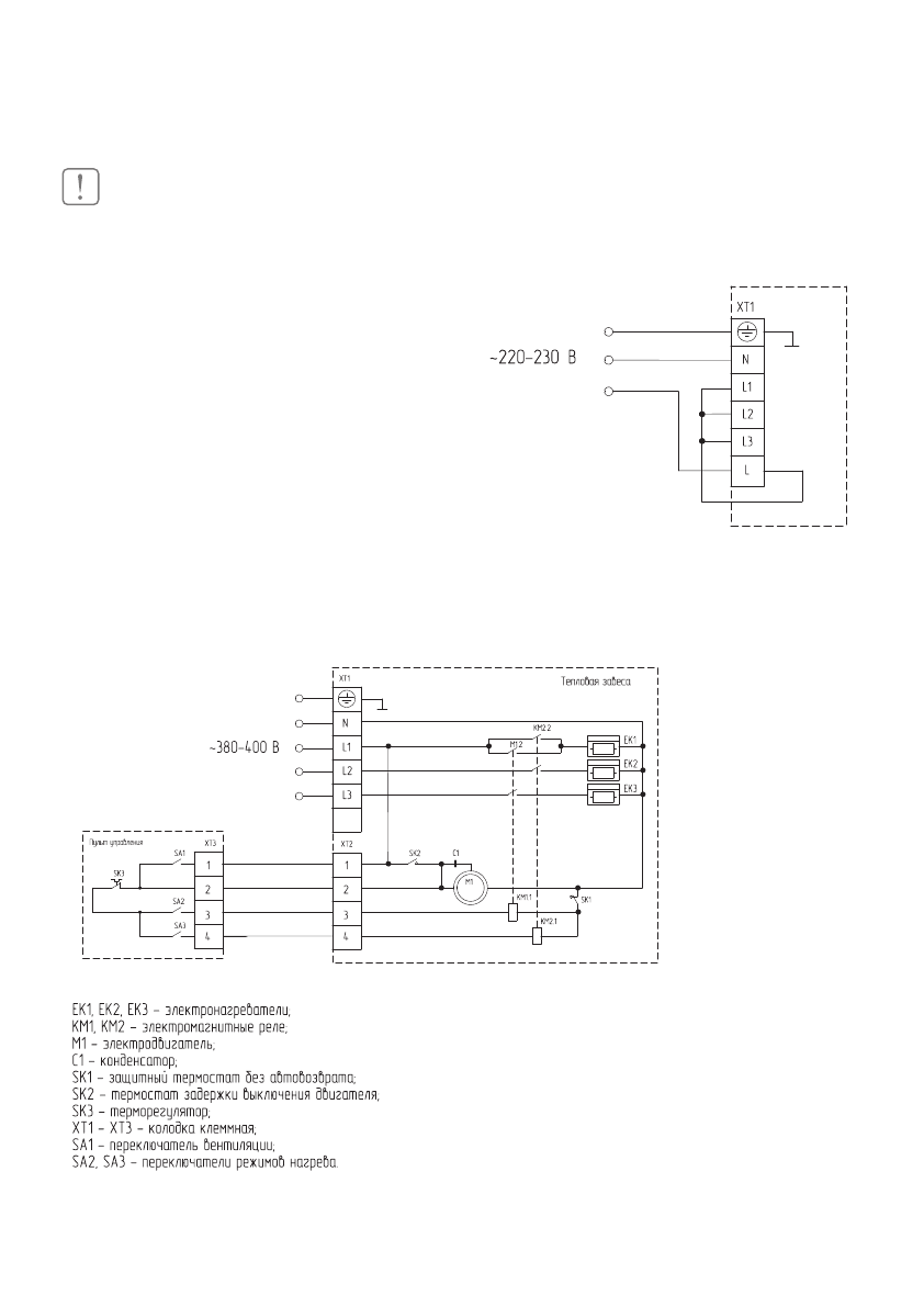
ВНИМАНИЕ!
Тепловая завеса должна подключаться специали-
стами, имеющими соответствующую группу допуска
по электробезопасности.
Подключение к электросети осуществляется че-
рез автоматический выключатель в соответствии
с «Правилами эксплуатации электроустановок». Для
этого необходимо снять крышку на верхней стенке
корпуса, завести шнур питания и подключить его
к клеммной колодке.
Завеса BHC-B10T06-PS изначально предназначена
для подключения к однофазной сети 230 В. Также за-
весу BHC-B10T06-PS можно подключить и к трехфаз-
ной сети 400 В. Для этого необходимо удалить пере-
мычку между клеммами L, L1, L2 и L3.
Ниже указана схема электрическая принципи альная
силовой части завесы BHC-B10T06-PS для подключе-
ния к однофазной сети 230 В, в соот ветствии со схе-
мами для завес, соединенные для трехфазной сети.
Подключение тепловой завесы BHC-B10T06-PS
к сети 230 В
Подготовка к работе
Подключение тепловой завесы BHC-B10T06-PS к пульту NTL












