Тепловые пушки ЗУБР ЗТП-М1-3000 - инструкция пользователя по применению, эксплуатации и установке на русском языке. Мы надеемся, она поможет вам решить возникшие у вас вопросы при эксплуатации техники.
Если остались вопросы, задайте их в комментариях после инструкции.
"Загружаем инструкцию", означает, что нужно подождать пока файл загрузится и можно будет его читать онлайн. Некоторые инструкции очень большие и время их появления зависит от вашей скорости интернета.

Руководство по эксплуатации
www.zubr.ru
|
12
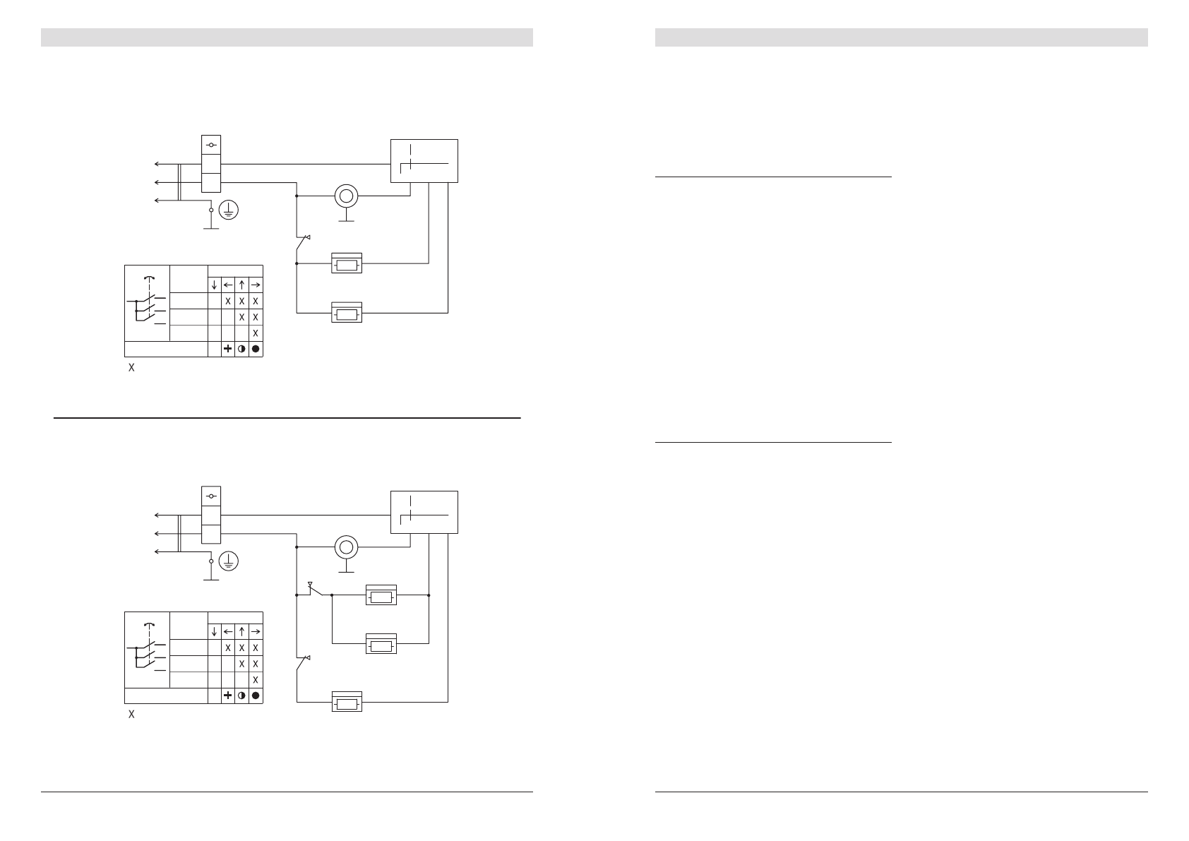
Схема электрическая тепловентилятора ЗТП-М1-2000, ЗТП-М1-3000
XT1
M1
EK1
EK2
SA1
SA1
1a
X1
L
N
PE
~220
B
1
2
1
2
3
4
1a - 1
Режимы работы
Положение
Контакты
Откл.
Таблица замыканий контактов
переключателя SA1
1
2
3
1a - 2
1a - 3
1a
– контакт замкнут
" "
Схема электрическая тепловентилятора ЗТП-М1-5000
XT1
M1
EK1
EK3
SA2
SA1
SA1
1a
X1
L
N
PE
~220
B
1
2
1
2
3
4
EK1
1a - 1
Режимы работы
Положение
Контакты
Откл.
Таблица замыканий контактов
переключателя SA1
1
2
3
1a - 2
1a - 3
1a
– контакт замкнут
" "
www.zubr.ru
Пушка тепловая электрическая
|
9
2)
Гарантийный срок начинается со дня покупки
инструмента первым владельцем.
3)
Срок и условия гарантии зависят от серии и
артикула инструмента, просим Вас внимательно
ознакомиться с условиями гарантии на момент
покупки.
Базовая гарантия
Гарантийный срок составляет 36 месяцев со
дня продажи.
На серию
МАСТЕР
(основной цвет корпуса
серый)
устанавливается базовая гарантия сро-
ком 3 года, при условии только бытового при-
менения. В случае профессионального исполь-
зования инструмента серии
МАСТЕР
базовая
гарантия устанавливается 1 год с даты продажи.
На серию
ПРОФЕССИОНАЛ (основной цвет
корпуса синий)
устанавливается базовая га-
рантия сроком 3 года. Для серии
ПРОФЕССИ-
ОНАЛ
разрешается эксплуатация в професси-
ональных целях, за исключением сверхвысоких
нагрузок или тяжелых внешних условий экс-
плуатации, превышающих нормы, указанные в
«Инструкции по эксплуатации».
Расширенная гарантия
На серию
МАСТЕР
устанавливается расши-
ренная гарантия сроком на 5 лет. Расширенная
гарантия предоставляется только при условии
бытового применения и регистрации на сайте
zubr.ru.
На серию
ПРОФЕССИОНАЛ
устанавливает-
ся расширенная гарантия 5 лет при условии
регистрации на сайте
zubr.ru
. Для серии
ПРО-
ФЕССИОНАЛ
разрешается эксплуатация в про-
фессиональных целях, за исключением сверх-
высоких нагрузок или тяжелых внешних условий
эксплуатации, превышающих нормы указанные
в «Инструкции по эксплуатации».
Расширенная гарантия предоставляется только
при условии, если владелец зарегистрирует ин-
струмент в течение 4 недель с момента покупки
на сайте производителя по адресу
zubr.ru
в раз-
деле «Сервис». Регистрация расширенной га-
рантии возможна только после подтверждения
покупателем согласия на обработку персональ-
ных данных, запрашиваемых в процессе реги-
страции. Сроки гарантии на конкретную модель
инструмента можно проверить на сайте произ-
водителя по адресу
zubr.ru
.
4)
Гарантия не распространяется на:
а)
Детали, подверженные рабочему и другим
видам естественного износа, а также на не-
исправности инструмента, вызванные этими
видами износа. А также на инструмент, име-
ющий полную выработку ресурса, сильное
внешнее или внутреннее загрязнение.
б)
Неисправности инструмента, вызванные
несоблюдением Инструкции по эксплуата-
ции или произошедшие вследствие исполь-
зования инструмента не по назначению, во
время использования в условиях окружа-
ющей среды, выходящих за пределы ука-
занных в Инструкции по эксплуатации, не-
надлежащих производственных условиях,
вследствие перегрузок или недостаточного,
ненадлежащего технического обслужива-
ния или ухода. К безусловным признакам
перегрузки изделия относятся, помимо
прочих: появление цветов побежалости,
одновременный выход из строя ротора и
статора, деформация или оплавление де-
талей и узлов изделия, потемнение или об-
угливание проводов электродвигателя под
действием высокой температуры.
в)
При использовании изделия в условиях вы-
сокой интенсивности работ и сверхтяжелых
нагрузок.
г)
На профилактическое и техническое обслу-
живание инструмента, например: смазку,
промывку.
д)
Неисправности инструмента вследствие ис-
пользования принадлежностей, сопутствую-
щих и запасных частей, которые не являются
оригинальными принадлежностями/частями
ЗУБР.
е)
На механические повреждения (трещины,
сколы и т.д.) и повреждения, вызванные
воздействием агрессивных сред, высокой
влажности и высоких температур, попа-
данием инородных предметов в вентиля-
ционные отверстия инструмента, а также
повреждения, наступившие вследствие не-
правильного хранения и коррозии металли-
ческих частей.
ж)
Принадлежности, быстроизнашивающиеся
части и расходные материалы, вышедшие
из строя вследствие нормального износа,
такие как: приводные ремни, аккумулятор-
ные блоки, стволы, направляющие ролики,
Содержание
- 3 Пушка тепловая электрическая; Назначение; Уважаемый покупатель!
- 4 Руководство по эксплуатации; Технические характеристики; Артикул
- 5 Инструкции; Устройство
- 6 Рекомендации; ОТРЫВНОЙ ТАЛОН
- 7 Сведения о приемке и упаковке; требованиям технических условий производителя.; Гарантийный талон
- 8 Условия; Для заметок
- 9 Базовая гарантия
Характеристики
Остались вопросы?Не нашли свой ответ в руководстве или возникли другие проблемы? Задайте свой вопрос в форме ниже с подробным описанием вашей ситуации, чтобы другие люди и специалисты смогли дать на него ответ. Если вы знаете как решить проблему другого человека, пожалуйста, подскажите ему :)