Тепловые пушки Зубр ТП-П15 - инструкция пользователя по применению, эксплуатации и установке на русском языке. Мы надеемся, она поможет вам решить возникшие у вас вопросы при эксплуатации техники.
Если остались вопросы, задайте их в комментариях после инструкции.
"Загружаем инструкцию", означает, что нужно подождать пока файл загрузится и можно будет его читать онлайн. Некоторые инструкции очень большие и время их появления зависит от вашей скорости интернета.

Руководство по эксплуатации
Пушка тепловая электрическая
www.zubr.ru
www.zubr.ru
|
|
18
19
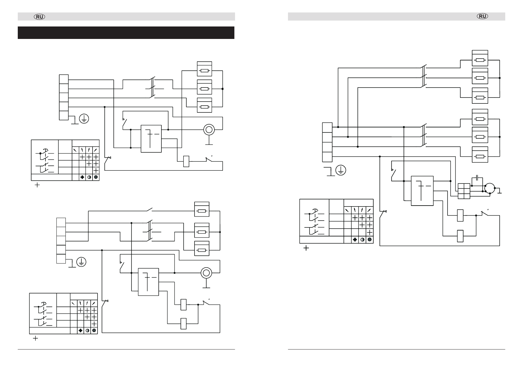
Схемы
EK1
EK2
EK3
KM1.2
Â
SA1
4
1
2
3
KM1.1
1L1
2T1
3L2
4T2
5L3
6T3
M1
PE
L2
3NPE,
~50Ãö
380Â
SK2
T
À1
À2
L1
L3
N
À
SK1
SK3
EK1
EK2
EK3
KM1.2
SA1
4 1
2
3
KM1.1
1L1
2T1
3L2
4T2
5L3
6T3
M1
PE
L2
3NPE,
~50Ãö
380Â
SK2
T
À1
À2
L1
L3
N
SK1
SK3
KM2.1
À1
À2
KM2.2
5L3
6T3
À
B
Òàáëèöà çàìûêàíèé êîíòàêòîâ
ïåðåêëþ÷àòåëÿ SA1
A
ïåðåêëþ÷àòåëÿ
3
1
2
êîíòàêòîâ
Ïîëîæåíèÿ ëûñêè
B - 3
A - 2
A - 1
Íîìåðà
Ðåæèìû ðàáîòû
Îòêë.
B
Òàáëèöà çàìûêàíèé êîíòàêòîâ
ïåðåêëþ÷àòåëÿ SA1
A
ïåðåêëþ÷àòåëÿ
3
1
2
êîíòàêòîâ
Ïîëîæåíèÿ ëûñêè
B - 3
A - 2
A - 1
Íîìåðà
Ðåæèìû ðàáîòû
Îòêë.
B
ÒÏ-9
ÒÏ-15
" "
" "
" " - êîíòàêò çàìêíóò
" " - êîíòàêò çàìêíóò
1
2
3
4
XT1
5
PE
L2
L1
L3
N
1
2
3
4
XT1
5
EK4
EK5
EK6
KM1.2
B
SA1
4
1
2
3
KM1.1
1L1
2T1
3L2
4T2
5L3
6T3
PE
L2
3NPE,
~50Ãö
380Â
SK2
T
À1
À2
L1
L3
N
SK1
SK3
KM2.1
À1
À2
KM2.2
2T1
4T2
5L3
3L2
1L1
6T3
1
2
3
4
XT1
M1
ÕÒ2
1 1
2 2
3 3
Ñ1
EK1
EK2
EK3
ç-æ
Òàáëèöà çàìûêàíèé êîíòàêòîâ
ïåðåêëþ÷àòåëÿ SA1
A
ïåðåêëþ÷àòåëÿ
3
1
2
êîíòàêòîâ
Ïîëîæåíèÿ ëûñêè
B - 3
A - 2
A - 1
Íîìåðà
Ðåæèìû ðàáîòû
Îòêë.
B
À
êîðè÷íåâûé
÷åðíûé
ñèíèé
ÒÏ-24,30
" "
" " - êîíòàêò çàìêíóò
Содержание
- 3 Модельный ряд; Установка опоры на изделие
- 5 которые могли возникнуть при транспортировании.; Технические характеристики; Артикул
- 6 Назначение; Подготовка к работе; Подключение изделия к электросети; Порядок работы; Включение и выключение изделия
- 7 «Выкл»; Использование капиллярного; Техническое; Рекомендации
- 8 Базовая гарантия
- 9 Неисправность
- 10 Схемы; PE
Характеристики
Остались вопросы?Не нашли свой ответ в руководстве или возникли другие проблемы? Задайте свой вопрос в форме ниже с подробным описанием вашей ситуации, чтобы другие люди и специалисты смогли дать на него ответ. Если вы знаете как решить проблему другого человека, пожалуйста, подскажите ему :)