Тепловые пушки Ballu Prorab BHP-Р-9 - инструкция пользователя по применению, эксплуатации и установке на русском языке. Мы надеемся, она поможет вам решить возникшие у вас вопросы при эксплуатации техники.
Если остались вопросы, задайте их в комментариях после инструкции.
"Загружаем инструкцию", означает, что нужно подождать пока файл загрузится и можно будет его читать онлайн. Некоторые инструкции очень большие и время их появления зависит от вашей скорости интернета.

10
Приложение
Приложение
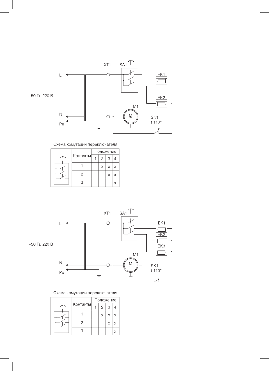
Схема электрическая Ballu BHP-P-3
Схема электрическая Ballu BHP-P-5
EK1, EK2, EK3 – нагревательные элементы;
М1 – электродвигатель;
SA1 – переключатель режимов работы;
SK1 – термовыключатель;
XT1 – колодка клеммная.
EK1, EK2 – нагревательные элементы;
М1 – электродвигатель;
SA1 – переключатель режимов работы;
SK1 – термовыключатель;
XT1 – колодка клеммная.
Содержание
- 2 Содержание; Используемые обозначения
- 3 Правила безопасности
- 4 нием электронагревательных элементов
- 5 Управление прибором; ) Подготовка прибора к работе; Технические характеристики
- 6 ного провода и не менее 2,5 мм
- 7 Режим комфортный; Функции безопасной работы; Защитный термостат; шетки закрыты посторонними предметами; Задержка выключения вентилятора; Уход и обслуживание
- 8 Устранение неисправностей; Комплектация
- 9 Дата изготовления указана на приборе.; Срок службы прибора; Юридический адрес; Транспортировка и хранение
- 10 Приложение
- 11 PE
- 13 ГАРАНТИЙНЫЙ ТАЛОН; ТИП
- 16 Памятка по уходу за кондиционером
- 17 сохраняется у клиента; УНИВЕРСАЛЬНЫЙ ОТРЫВНОЙ ТАЛОН; на гарантийное обслуживание
Характеристики
Остались вопросы?Не нашли свой ответ в руководстве или возникли другие проблемы? Задайте свой вопрос в форме ниже с подробным описанием вашей ситуации, чтобы другие люди и специалисты смогли дать на него ответ. Если вы знаете как решить проблему другого человека, пожалуйста, подскажите ему :)