Тепловые пушки Ballu BHP-PE2-3 - инструкция пользователя по применению, эксплуатации и установке на русском языке. Мы надеемся, она поможет вам решить возникшие у вас вопросы при эксплуатации техники.
Если остались вопросы, задайте их в комментариях после инструкции.
"Загружаем инструкцию", означает, что нужно подождать пока файл загрузится и можно будет его читать онлайн. Некоторые инструкции очень большие и время их появления зависит от вашей скорости интернета.

8
Приложение
Приложение
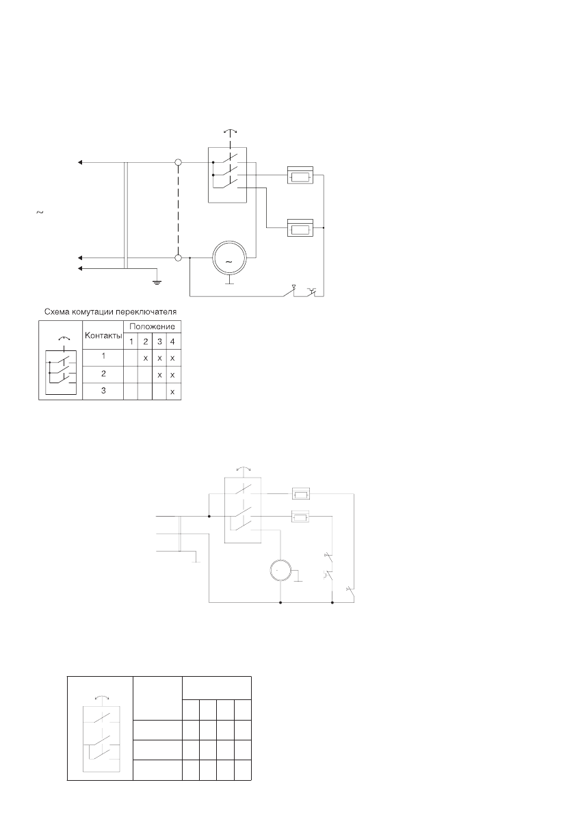
Схема электрическая принципиальная тепловентилятора РE2-5 (режимы работы 0/2,25/4,5)
M1
SK3
SA1
EK1
EK2
~
2 30 8
L
N
PE
SK2
M
~
EK1, EK2 - нагревательный элемент;
М1 - электродвигатель;
SA1 - переключатель режимов работы;
SK1, SK2 - защитный термостат;
SK3 - терморегулятор.
Схема коммутации переключателя
SA1
Контакты
Положение
1
2 3 4
В - 3
Х
А - 1
А - 2
Х
Х
Х
Х
Х
SK1
Схема электрическая BHP-PE2-2, BHP-PE2-3
~
~
90
°
L
N
220-230B
PE
ХТ1
SA1
EK1
EK2
SK1
SK2
M
M1
SK2 - терморегулятор.
XT1 – колодка клеммная;
SK1 – защитный термостат;
SA1 – переключатель режимов работы;
М1 – электродвигатель;
EK1, EK2 – электронагреватель;