Тепловые пушки Ballu BHP-P-6 - инструкция пользователя по применению, эксплуатации и установке на русском языке. Мы надеемся, она поможет вам решить возникшие у вас вопросы при эксплуатации техники.
Если остались вопросы, задайте их в комментариях после инструкции.
"Загружаем инструкцию", означает, что нужно подождать пока файл загрузится и можно будет его читать онлайн. Некоторые инструкции очень большие и время их появления зависит от вашей скорости интернета.

10
Приложение
Приложение
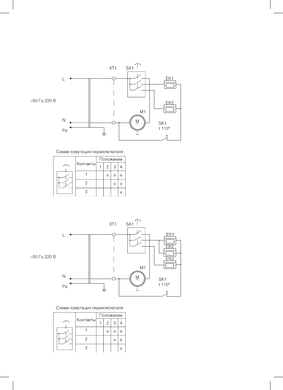
Схема электрическая Ballu BHP-P-3
Схема электрическая Ballu BHP-P-5
EK1, EK2, EK3 – нагревательные элементы;
М1 – электродвигатель;
SA1 – переключатель режимов работы;
SK1 – термовыключатель;
XT1 – колодка клеммная.
EK1, EK2 – нагревательные элементы;
М1 – электродвигатель;
SA1 – переключатель режимов работы;
SK1 – термовыключатель;
XT1 – колодка клеммная.
Характеристики
Остались вопросы?Не нашли свой ответ в руководстве или возникли другие проблемы? Задайте свой вопрос в форме ниже с подробным описанием вашей ситуации, чтобы другие люди и специалисты смогли дать на него ответ. Если вы знаете как решить проблему другого человека, пожалуйста, подскажите ему :)