Тепловые пушки Ballu BHP-ME-15 - инструкция пользователя по применению, эксплуатации и установке на русском языке. Мы надеемся, она поможет вам решить возникшие у вас вопросы при эксплуатации техники.
Если остались вопросы, задайте их в комментариях после инструкции.
"Загружаем инструкцию", означает, что нужно подождать пока файл загрузится и можно будет его читать онлайн. Некоторые инструкции очень большие и время их появления зависит от вашей скорости интернета.

10
11
Приложение
Приложение
Приложение
Рис. 1. Схема электрическая тепловентиляторов BHP-МE-2, BHP-МE-3
Рис. 2. Схема электрическая тепловентиляторов BHP-МE-5
Контакты
Положение
Схема коммутации переключателя
Контакты
Положение
Схема коммутации переключателя
Контакты
Положение
Схема коммутации переключателя
EK1, EK2 - нагревательный элемент;
М1 - электродвигатель;
SA1 - переключатель режимов работы;
SK1 - терморегулятор;
SK2 - защитный термостат.
EK1, EK2, ЕК3 - нагревательный элемент;
М1 - электродвигатель;
SA1 - переключатель режимов работы;
SK1, SK2 - защитный термостат;
SK3 - терморегулятор;
ХТ1 - клеммная колодка.
EK1, EK2, ЕК3 - нагревательный элемент;
М1 - электродвигатель;
КМ1 - электромагнитное реле;
SA1 - переключатель режимов работы;
SK1 - терморегулятор;
SК2 - защитный термостат;
SK3 - термостат задержки
выключения электродвигателя;
ХТ1 - клеммная колодка.
Контакты
Положение
Схема коммутации переключателя
Контакты
Положение
Схема коммутации переключателя
Контакты
Положение
Схема коммутации переключателя
EK1, EK2 - нагревательный элемент;
М1 - электродвигатель;
SA1 - переключатель режимов работы;
SK1 - терморегулятор;
SK2 - защитный термостат.
EK1, EK2, ЕК3 - нагревательный элемент;
М1 - электродвигатель;
SA1 - переключатель режимов работы;
SK1, SK2 - защитный термостат;
SK3 - терморегулятор;
ХТ1 - клеммная колодка.
EK1, EK2, ЕК3 - нагревательный элемент;
М1 - электродвигатель;
КМ1 - электромагнитное реле;
SA1 - переключатель режимов работы;
SK1 - терморегулятор;
SК2 - защитный термостат;
SK3 - термостат задержки
выключения электродвигателя;
ХТ1 - клеммная колодка.
Контакты
Положение
Схема коммутации переключателя
Контакты
Положение
Схема коммутации переключателя
Контакты
Положение
Схема коммутации переключателя
EK1, EK2 - нагревательный элемент;
М1 - электродвигатель;
SA1 - переключатель режимов работы;
SK1 - терморегулятор;
SK2 - защитный термостат.
EK1, EK2, ЕК3 - нагревательный элемент;
М1 - электродвигатель;
SA1 - переключатель режимов работы;
SK1, SK2 - защитный термостат;
SK3 - терморегулятор;
ХТ1 - клеммная колодка.
EK1, EK2, ЕК3 - нагревательный элемент;
М1 - электродвигатель;
КМ1 - электромагнитное реле;
SA1 - переключатель режимов работы;
SK1 - терморегулятор;
SК2 - защитный термостат;
SK3 - термостат задержки
выключения электродвигателя;
ХТ1 - клеммная колодка.
Рис. 3. Схема электрическая тепловентиляторов BHP-МE-9
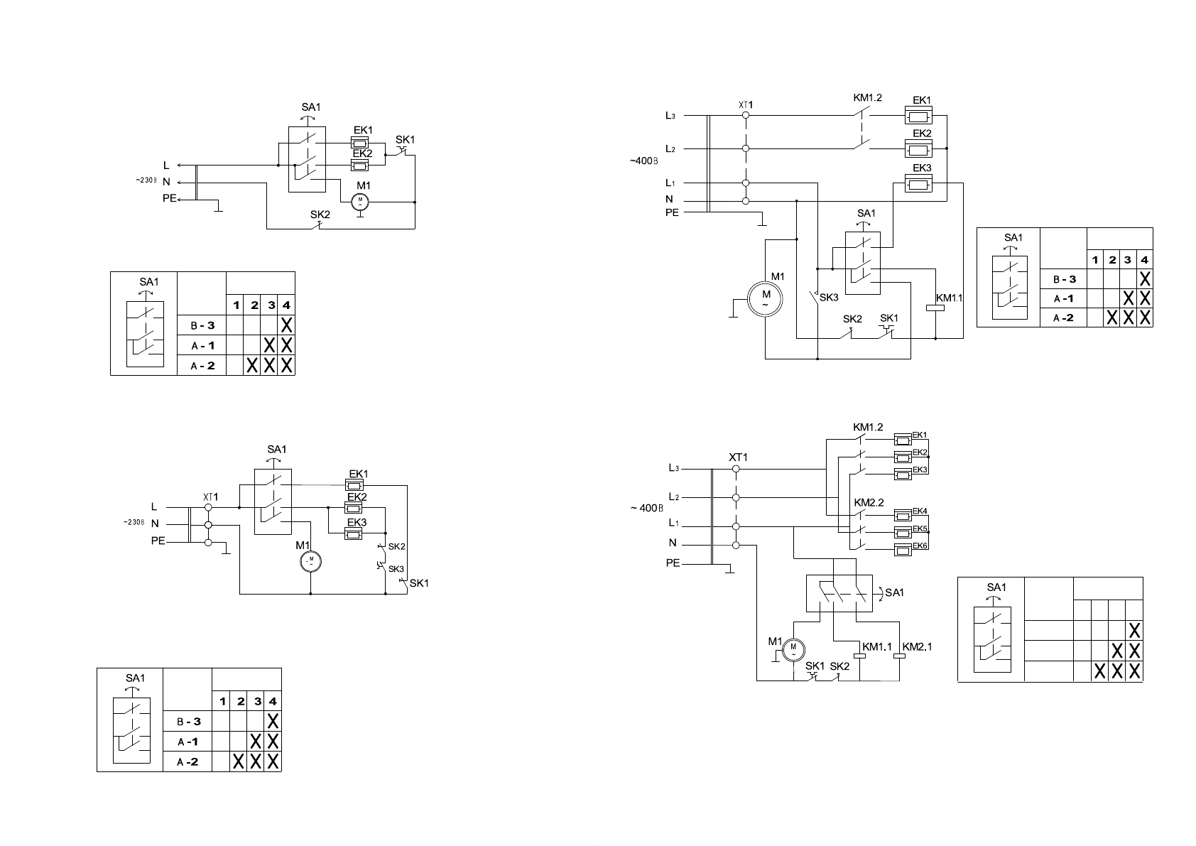
Рис. 4. Схема электрическая тепловентиляторов BHP-МE-15
EK1 - EK6 - нагревательный элемент;
М1 - электродвигатель;
КМ1, КМ2 - электромагнитный пускатель;
SA1 - переключатель режимов работы;
SK1 - терморегулятор;
SК2 - защитный термостат;
ХТ1 - клеммная колодка.
Контакты
Положение
1 2 3 4
В- 3
А- 1
А- 2
Схема коммутации переключателя