Тепловые пушки Ballu BHP-M-30 - инструкция пользователя по применению, эксплуатации и установке на русском языке. Мы надеемся, она поможет вам решить возникшие у вас вопросы при эксплуатации техники.
Если остались вопросы, задайте их в комментариях после инструкции.
"Загружаем инструкцию", означает, что нужно подождать пока файл загрузится и можно будет его читать онлайн. Некоторые инструкции очень большие и время их появления зависит от вашей скорости интернета.

10
Приложение
Приложение
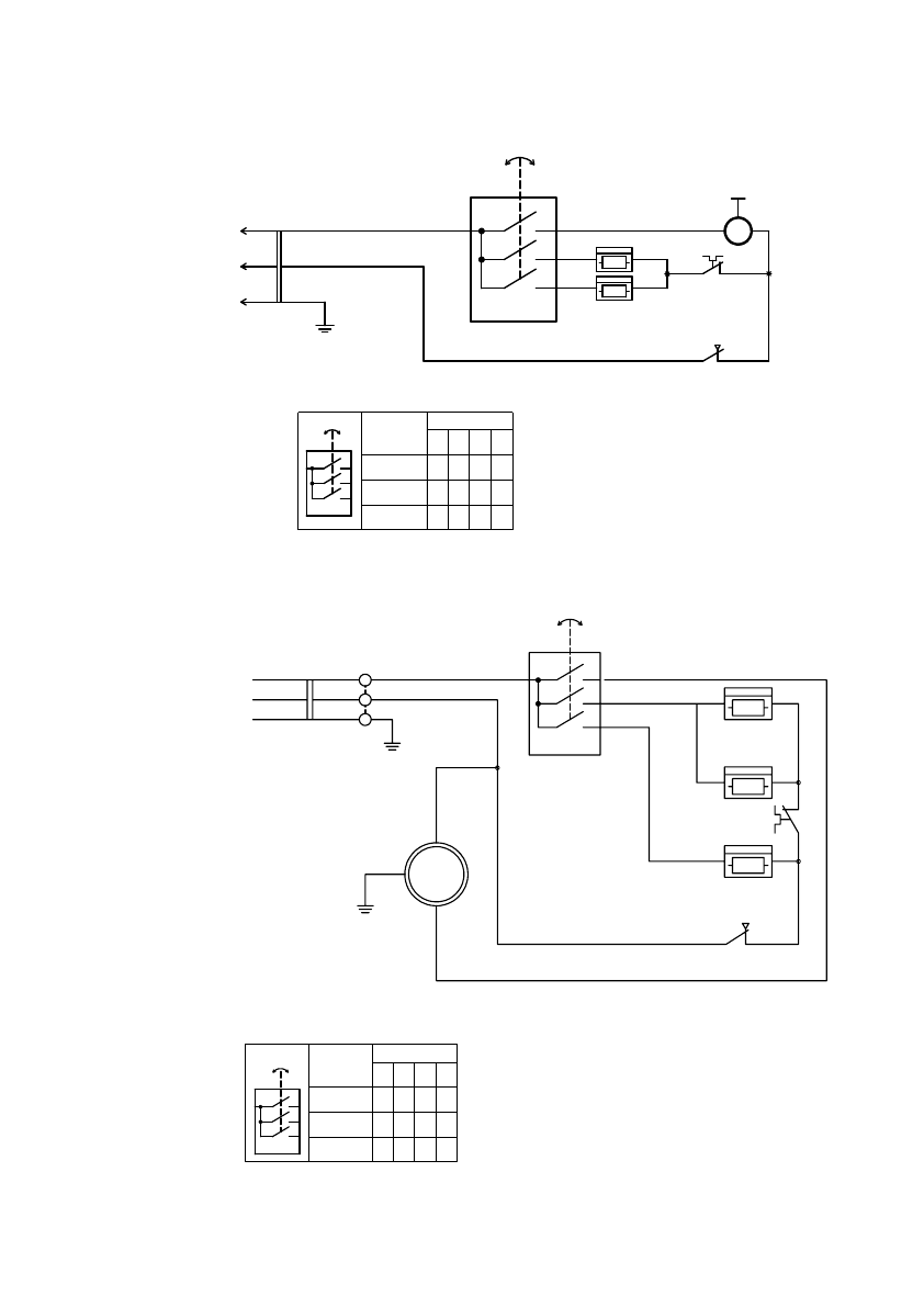
Рис. 1. Схема электрическая тепловентиляторов BHP-М-3
Рис. 2. Схема электрическая тепловентиляторов BHP-М-5
~
50 Гц 220 В
M
~~
SK 2
t
Е
SK1
t 90
Е
EK1
EK2
SA1
L
N
PE
M1
EK1, EK2 - электронагреватели;
М1 - электродвигатель;
SA1 - переключатель;
SK1 - термовыключатель;
SK2 - термоограничитель
Контакты
Положение
1 2 3 4
1
Х Х Х
2
3
Х Х
Х
Схема коммутации переключателя
~
50 Гц
220
В
M
~~
SK1
t90
Е
SK 3
t
Е
XT1
L
N
PE
M1
SA1
EK 2
EK 3
EK 1
EK1, EK2, ЕК3 - электронагреватели;
М1 - электродвигатель;
SA1 - переключатель режимов работы;
SK1 - термовыключатель;
ХТ1
- колодка клеммная.
Контакты
Положение
1 2 3 4
1
Х Х Х
2
3
Х Х
Х
Схема коммутации переключателя
Характеристики
Остались вопросы?Не нашли свой ответ в руководстве или возникли другие проблемы? Задайте свой вопрос в форме ниже с подробным описанием вашей ситуации, чтобы другие люди и специалисты смогли дать на него ответ. Если вы знаете как решить проблему другого человека, пожалуйста, подскажите ему :)












