Тепловые пушки Ballu BHP-M-24 - инструкция пользователя по применению, эксплуатации и установке на русском языке. Мы надеемся, она поможет вам решить возникшие у вас вопросы при эксплуатации техники.
Если остались вопросы, задайте их в комментариях после инструкции.
"Загружаем инструкцию", означает, что нужно подождать пока файл загрузится и можно будет его читать онлайн. Некоторые инструкции очень большие и время их появления зависит от вашей скорости интернета.

11
Приложение
Рис. 3. Схема электрическая тепловентиляторов BHP-М-9
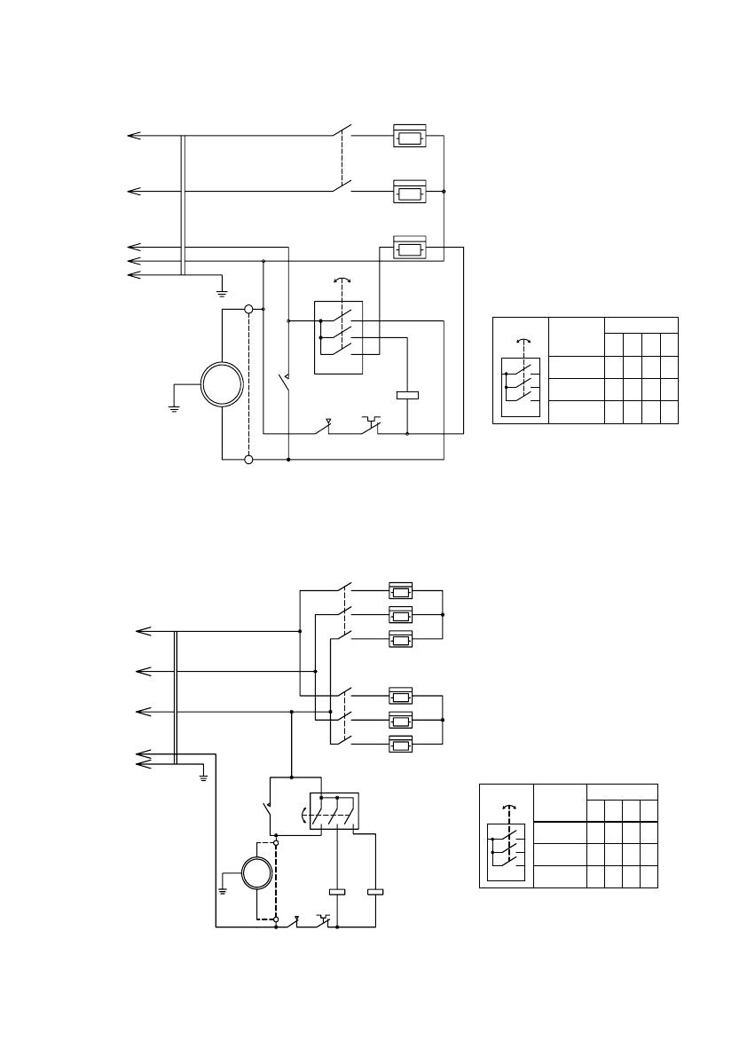
Рис. 4. Схема электрическая тепловентиляторов BHP-М-15
L
3
L
2
L
1
~
50 Гц 380 В
M
~~
SK3
t
Е
SK1
t90
Е
SK2
t50
Е
KM1.1
N
PE
ХТ1
M1
EK1
EK2
EK3
KM1.2
SA1
EK1, EK2, ЕК3 - электронагреватели;
М1 - электродвигатель;
КМ1 - электромагнитное реле;
SA1 - переключатель режимов работы;
SK1, SK2 - термовыключатель;
SK3 - термоограничитель;
ХТ1 - колодка клеммная.
Контакты
Положение
1 2 3 4
1
Х Х Х
2
3
Х Х
Х
Схема коммутации переключателя
L
3
L
2
L
1
~50 Гц 380 В
SK2
t50
Е
M
~~
KM1.1 KM2.1
SK3
t
Е
SK1
t110
Е
SA1
N
PE
KM1.2
KM2.2
EK2
EK1
EK4
EK5
EK6
EK3
M1
XT1
EK1...ЕК6 - электронагреватели;
КМ1, КМ2 - электромагнитные пускатели;
М1 - Вентилятор;
SA1 - переключатель;
SK1 - термовыключатель;
SK2 - термовыключатель;
SK3 - термоограничитель;
XT1 - колодка клеммная.
Контакты
Положение
1 2 3 4
1
Х Х Х
2
3
Х Х
Х
Схема коммутации переключателя
Характеристики
Остались вопросы?Не нашли свой ответ в руководстве или возникли другие проблемы? Задайте свой вопрос в форме ниже с подробным описанием вашей ситуации, чтобы другие люди и специалисты смогли дать на него ответ. Если вы знаете как решить проблему другого человека, пожалуйста, подскажите ему :)












