Телевизоры Sony KLV-26EX(NX)300(400) - инструкция пользователя по применению, эксплуатации и установке на русском языке. Мы надеемся, она поможет вам решить возникшие у вас вопросы при эксплуатации техники.
Если остались вопросы, задайте их в комментариях после инструкции.
"Загружаем инструкцию", означает, что нужно подождать пока файл загрузится и можно будет его читать онлайн. Некоторые инструкции очень большие и время их появления зависит от вашей скорости интернета.

16
RU
Использование дополнительного
оборудования
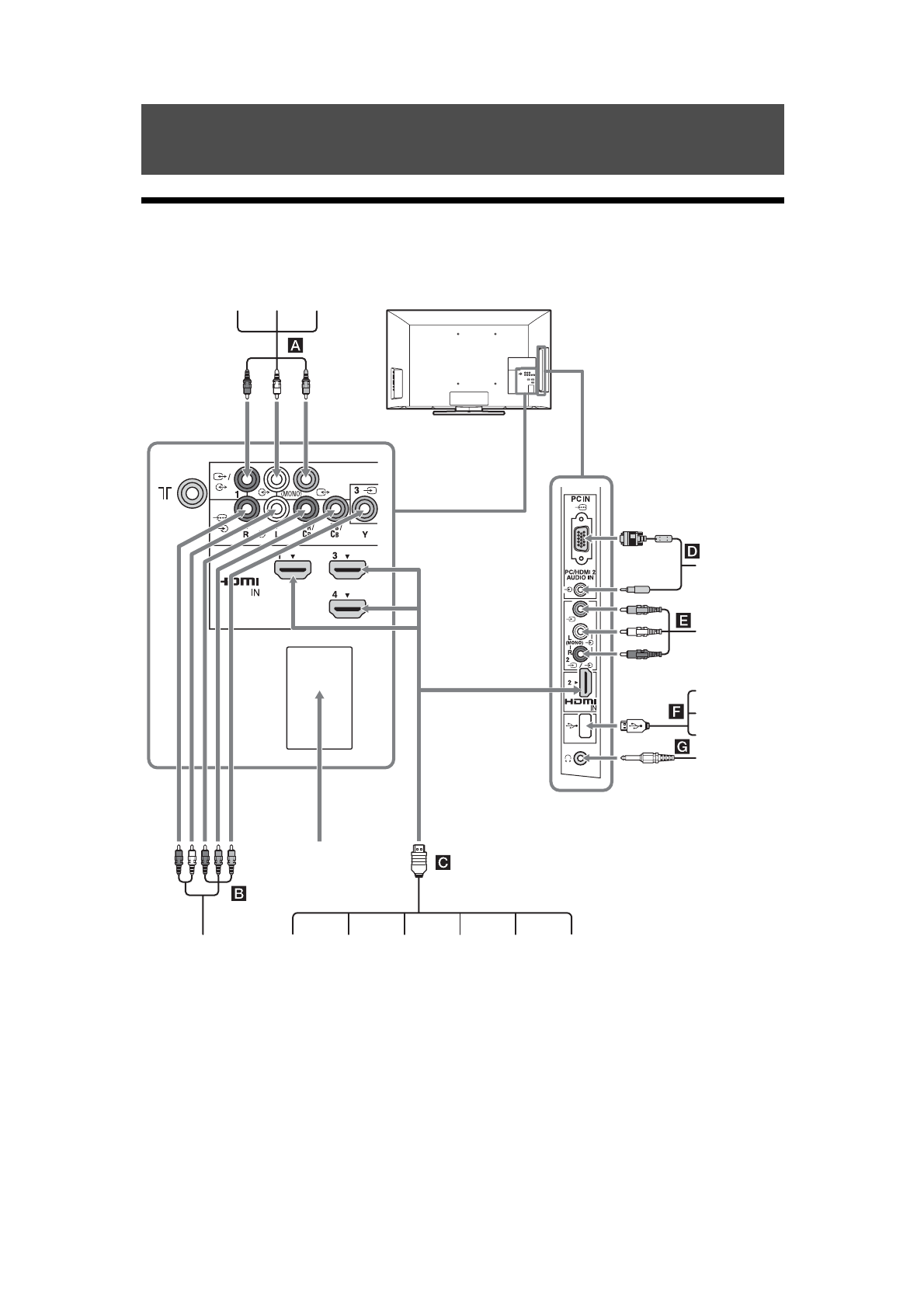
Подключение дополнительного оборудования
Вы можете подключить к Вашему телевизору широкий спектр дополнительного оборудования.
Цифровая
фотокамера
ПК
(HDMI-
выход)
Система
домашнего
кинотеатра
Проигрыватель
дисков Blu-ray
Игровая
консоль
DVD-
проигрыватель с
компонентным
выходом
Видеока-
мера
ПК
Только для
использования
специалистами
сервисного
обслуживания
Наушники
DVD-
проигры-
ватель
Видеомагн-
итофон
S VHS/Hi8/
DVC-
видеокамера
Аудиоси
стема
DVD-
проигр-
ывате-
ль с
HDMI-
выход-
ом
Видеокамера
Носитель
данных USB
Характеристики
Остались вопросы?Не нашли свой ответ в руководстве или возникли другие проблемы? Задайте свой вопрос в форме ниже с подробным описанием вашей ситуации, чтобы другие люди и специалисты смогли дать на него ответ. Если вы знаете как решить проблему другого человека, пожалуйста, подскажите ему :)