Телевизоры Sony KDL-42EX410 - инструкция пользователя по применению, эксплуатации и установке на русском языке. Мы надеемся, она поможет вам решить возникшие у вас вопросы при эксплуатации техники.
Если остались вопросы, задайте их в комментариях после инструкции.
"Загружаем инструкцию", означает, что нужно подождать пока файл загрузится и можно будет его читать онлайн. Некоторые инструкции очень большие и время их появления зависит от вашей скорости интернета.

25
RU
И
с
пользование д
о
полнит
ельного оборуд
овани
я
Для модели KDL-22EX310
F
G
K
J
I
H
E
A
B
C
D
Аудиосистема
класса Hi-Fi
DVD-проигрыватель с
компонентным выходом
Аудиосистема
класса Hi-Fi с
оптическим
аудиовходом
ПК (выход HDMI)
Проигрыватель дисков
Blu-ray
Цифровая видеокамера
Проигрыватель дисков
DVD
PC
Игровая
приставка/
видеокамера
DVC
Наушники
Игровая
приставка
Проигрыватель
дисков DVD
Декодер
Устройство записи
дисков DVD
Декодер
ВМ
Модуль CAM
Цифровая видеокамера/
цифровой фотоаппарат/
USB-накопитель
Содержание
- 3 Начало работы; Использование списка избранных цифровых программ Избранные; Использование дополнительного оборудования; : только для цифровых каналов; Содержание
- 4 Установка батареек в пульт ДУ
- 5 Подключение только антенны/кабеля; Продолжение
- 6 Закрутите крепежный винт (M4; устройства записи дисков DVD с; Кабель
- 7 Нажмите кнопку
- 8 HOME
- 9 С помощью кнопок; “Быстрое сканирование” :; настройка на; “Полное сканирование” :; выполняются
- 11 Установка; Кабель питания; Примечания
- 12 Предупреждение
- 13 Батарейки
- 14 Обзор пульта ДУ; qa; Служит для изменения языка субтитров; qs; Режим просмотра телепередач: выбор следующего (
- 15 – Предыдущий канал; : позволяют управлять; AUDIO
- 16 Описание кнопок и индикаторов
- 17 Просмотр телевиз; Просмотр телевизора; В цифровом режиме; Дополнительные операции; Операция
- 18 Вход в режим Телетекст; Нажмите; SCENE; на пульте
- 19 Увеличенный
- 20 В цифровом режиме нажмите кнопку; Просмотреть программу; GUIDE
- 21 Список цифровых программ Избранные; Просмотреть канал; RETURN
- 22 Перейти в режим FM-радио; Выйти из режима FM-радио; для возврата к предыдущему виду.; и выберите “Установки”. Настройте; . Номер выбранной предварительно
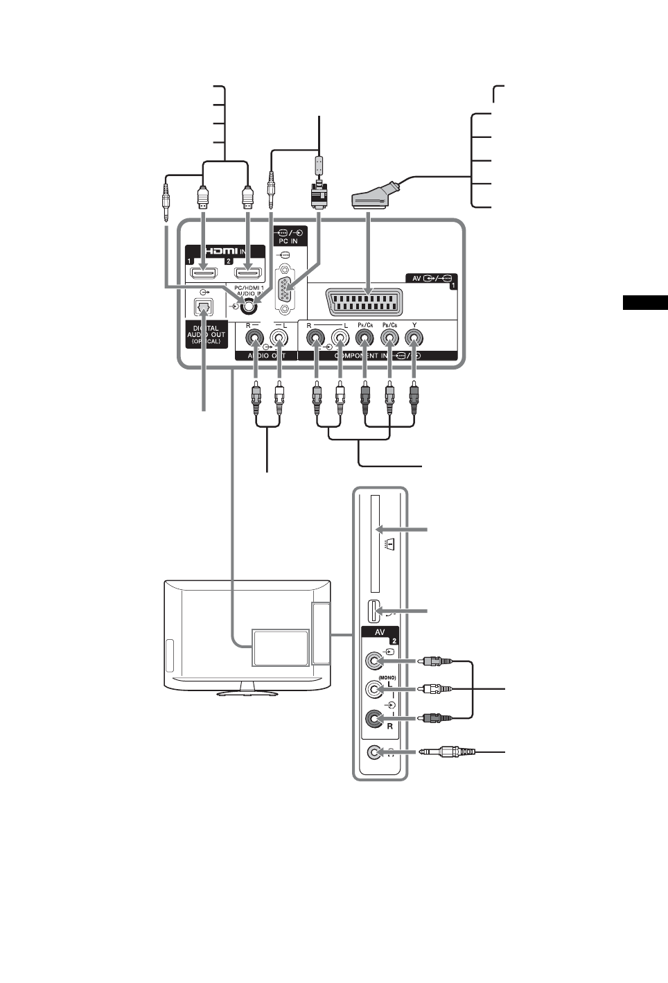
- 24 Подключение дополнительного оборудования
- 25 пользование д
- 26 или; Для других подключенных устройств; Устройство USB; Описание; HDMI1
- 27 Действие; ANALOG
- 28 “Воспроизвести объект”:; Пауза воспроизведения.
- 30 Контроль по HDMI; Регулирует громкость (; SYNC MENU
- 31 Использование функций ME; Использование функций MENU; Навигация в меню телевизора; Для выхода из меню нажмите кнопку; Число регулируемых параметров зависит от ситуации.; Для России и Украины; Фото
- 32 Установки; Изображение
- 33 Режим Фильм; Звук; Режим звука
- 34 Усиление басов; “Стерео”; Динамик
- 35 “Динамический диапазон”:; Управление экраном; Формат экрана
- 36 “Сдвиг по горизонтали”:
- 37 Настройка каналов; настройка; Система; Позволяет выполнить ручную настройку каналов.; Канал
- 38 Метка; АПЧ; Аудиофильтр; изменение порядка
- 39 “Цифровая настройка”; ручная настройка цифровых каналов.; “Настройка субтитров”; при выборе параметра “Для людей с наруш.; “Дополнительный язык”:; выбор дополнительного языка, на котором
- 40 “Настройка звука”; “Настройка модуля СА”
- 41 автоматическая настройка и сохранение всех; “Предустановки FM радио”:; ручная настройка и сохранение всех; Замок от детей; Первоначальный выбор PIN кода; Смена PIN кода; Выберите для смены PIN кода.
- 42 Блокировка/разблокировка программ и проверка статуса программ.; Настройка; Таймер сна; передней панели телевизора загорится оранжевым.; Автозапуск
- 43 Настройка AV; При вводе неверного символа; Настройка HDMI; “Кнопки управления устройством”:; DivX; ® VOD; “DivX; VOD
- 44 Эко; Сброс; Служит для возврата всех настроек “Эко” к заводским значениям.; Энергосбережение; заводские предустановки.
- 45 Дополнительн; Дополнительная информация; К сведению покупателей:
- 47 Таблица размеров для установки телевизора; Название модели
- 48 Схема/таблица расположения винтов и скоб; Расположение винтов; * Положение скобы “a”; Положение скобы
- 49 Технические характеристики; Входные/выходные разъемы
- 51 Сигналы
- 52 Проверьте, не мигает ли индикатор; на боковой панели телевизора,; Если индикатор не мигает
- 53 Искажение изображения и/или звука












