Телевизоры Sony KDL-37U3020 - инструкция пользователя по применению, эксплуатации и установке на русском языке. Мы надеемся, она поможет вам решить возникшие у вас вопросы при эксплуатации техники.
Если остались вопросы, задайте их в комментариях после инструкции.
"Загружаем инструкцию", означает, что нужно подождать пока файл загрузится и можно будет его читать онлайн. Некоторые инструкции очень большие и время их появления зависит от вашей скорости интернета.

17
RU
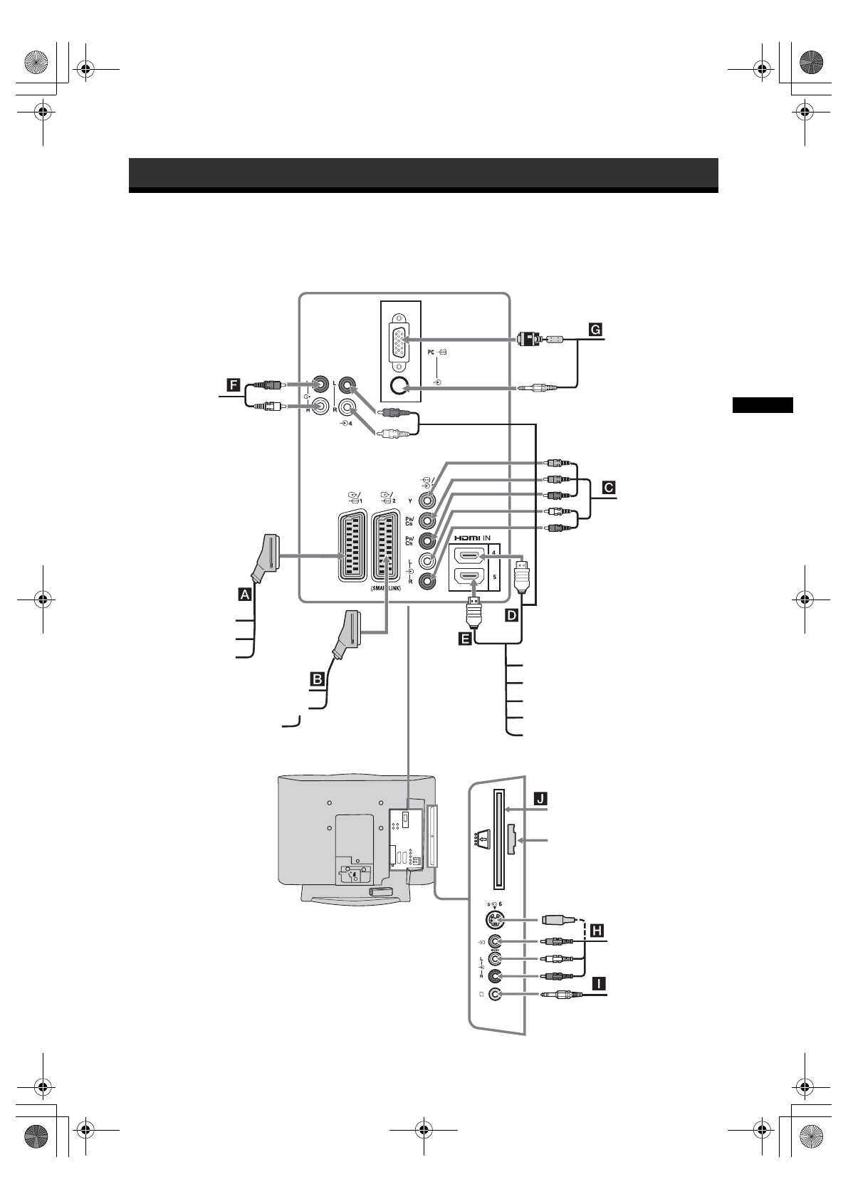
Использование дополнительных устройств
Подключение дополнительных устройств
Вы можете подключить к Вашему телевизору широкий спектр дополнительных устройств.
Соединительные кабели не входят в комплект поставки.
Использование дополнительных устройств
Только для подключения
специальных устройств при
наладке
S VHS/Hi8/
DVC видеокамера
Наушники
DVD-проигрыватель
с компонентным
выходом
DVD-рекордер
Декодер
Видеомагнитофон
Игровая
приставка
DVD-проигрыватель
Декодер
ПК
Аудиосистема
ПК (выход HDMI)
Проигрыватель дисков
Blu-ray
Цифровая видеокамера
DVD-проигрыватель
Аудиосистема
класса Hi-Fi
Модуль CAM
010COV.book Page 17 Tuesday, February 5, 2008 10:52 AM
Содержание
- 2 Введение; Информация о торговых марках; АЯ
- 3 Содержание; Íà÷àëî ðàáîòû 4; Использование цифрового электронного экранного телегида (EPG); Начало работы 4; Просмотр телевизионных программ; : только для цифровых каналов
- 4 Начало работы; Установка батареек в пульт ДУ; Прикрепление
- 6 Нажмите кнопку
- 7 С помощью кнопок
- 8 Установка и подключение
- 9 Запрещенные типы установки; выключите; Просмотр телевизора
- 10 Описание пульта ДУ
- 11 Описание кнопок и индикаторов телевизора
- 12 на телевизоре (на его верхней; В цифровом режиме; Дополнительные операции; Чтобы
- 13 Замораживание изображения:; Несколько раз нажмите; Использование меню “Сервис”; Опции
- 14 В цифровом режиме нажмите; “Все категории”
- 17 Подключение дополнительных устройств; Использование дополнительных устройств
- 18 Для других подключенных устройств
- 19 Для возврата в обычный режим работы; Настройки HDMI управления
- 20 Аналоговое ТВ; Нажимая; Использование функций меню
- 21 Меню “Настройка изображения”; выбора опций в меню“
- 22 Шумопонижение; “Авто”; Сброс
- 23 Меню “Настройка звука”
- 24 Динамик; “Динамик ТВ”; “Aудиосистема”
- 25 Меню “Функции”; “Формат экрана”; “Стандарт”; Выход AV2; “TV”
- 26 Настройка для ПК; “Фаза”; Таймер; “Режим таймера”
- 27 Меню “Установка”; Автозапуск; Если Вы ввели неверный символ
- 28 “HDMI управление”; Система
- 29 Аудиофильтр; Пропуск; Сохраняет изменения в настройках меню “
- 30 Цифровая конфигурация меню; Автопоиск цифр. станций
- 32 Система цветного телевидения; Дополнительные сведения
- 34 Поиск неисправностей; Посмотрите, не мигает ли индикатор; Если индикатор мигает; Активирована функция автодиагностики.; Если индикатор не мигает; Изображение; Общие












