Телевизоры Sony KDL-32S3010 - инструкция пользователя по применению, эксплуатации и установке на русском языке. Мы надеемся, она поможет вам решить возникшие у вас вопросы при эксплуатации техники.
Если остались вопросы, задайте их в комментариях после инструкции.
"Загружаем инструкцию", означает, что нужно подождать пока файл загрузится и можно будет его читать онлайн. Некоторые инструкции очень большие и время их появления зависит от вашей скорости интернета.

16
RU
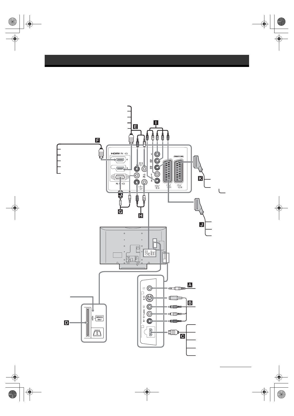
Подключение дополнительных устройств
Вы можете подключить к Вашему телевизору широкий спектр дополнительных устройств.
Соединительные кабели не входят в комплект поставки.
Использование дополнительных устройств
HDMI IN
7
6
Только для
подключения
специальных
устройств при
наладке
S VHS/Hi8/
DVC видеокамера
Наушники
DVD-проигрыватель с
компонентным выходом
DVD-рекордер
Декодер
Видеомагнитофон
Игровая
приставка
DVD-проигрыватель
Декодер
ПК
ПК (выход HDMI)
Проигрыватель дисков
Blu-ray
Цифровая видеокамера
Аудиосистема
ПК (выход HDMI)
Проигрыватель дисков
Blu-ray
Цифровая видеокамера
DVD-проигрыватель
Аудиосистема
DVD-проигрыватель
Аудиосистема
ПК (выход HDMI)
Проигрыватель дисков Blu-ray
Цифровая видеокамера
DVD-проигрыватель
Аудиосистема класса Hi-Fi
Модуль CAM
Продолжение
010COV.book Page 16 Thursday, July 12, 2007 12:41 PM
Содержание
- 2 Введение; Информация о торговых марках; АЯ
- 3 Содержание; Íà÷àëî ðàáîòû 4; Использование цифрового электронного экранного телегида (EPG); Начало работы 4; Просмотр телевизионных программ; : только для цифровых каналов
- 4 Начало работы; Установка батареек в пульт ДУ
- 5 : Подключение кабелей; Нажмите кнопку; Продолжение
- 6 С помощью кнопок; запустить процедуру автонастройки.; “Быстрое сканирование”:; настройка на каналы; “Полное сканирование”; : Выполняется поиск и; С помощью кнопок
- 7 Установка и подключение; Установка; Кабель питания; Обеспечьте вокруг телевизора расстояние не
- 8 Примечания; Запрещенные типы установки; выключите; Просмотр телевизора; Дополнительные устройства
- 9 Описание пульта ДУ; • В обычном режиме работы телевизора: Служит для выбора
- 10 Описание кнопок и индикаторов телевизора
- 11 на телевизоре (на его верхней; В цифровом режиме; Дополнительные операции; Чтобы
- 12 Вход в режим телетекста; Нажмите; Замораживание изображения:; Несколько раз нажмите; Использование меню “Сервис”; Опции
- 13 В цифровом режиме нажмите; Цифровой экранный электронный телегид; “Все категории”
- 14 на передней панели телевизора будет; На экране появится запрос подтверждения отмены записи.
- 15 Список избранных цифровых программ; Просмотреть тот или иной канал
- 16 Подключение дополнительных устройств; Использование дополнительных устройств
- 17 Для других подключенных устройств; Описание
- 18 Нажмите кнопку TOOLS для вывода меню; Для возврата в обычный режим работы; Настройки HDMI управления
- 19 Аналоговое ТВ; Нажимая; Использование функций меню
- 20 Меню “Настройка изображения”; выбора опций в меню“
- 21 “Авто”; : Эта опция автоматически уменьшает помехи на изображении; “Цветовое пространство”; : Позволяет изменять глубину воспроизведения; “Живые цвета”; : Автоматически выполняет оптимальную; Сброс
- 22 Меню “Настройка звука”; Позволяет выбрать тот или иной звуковой режим.
- 23 “Динамик ТВ”; : динамики телевизора включаются и звук воспроизводится; “Aудиосистема”; : динамики телевизора отключаются, позволяя Вам слушать
- 24 Меню “Функции”; Эта опция позволяет изменять формат экрана.; “Формат экрана”; : Эта опция позволяет настроить вертикальный размер; “Стандарт”; Выход AV2; “TV”
- 25 “Фаза”; автоматически переходит в дежурный режим.; Таймер; “Режим таймера”; : Устанавливает время включения телевизора.
- 26 Меню “Установка”; Автозапуск; Если Вы ввели неверный символ
- 27 “HDMI управление”; Система
- 28 Аудиофильтр; Опция; LNA; Эта опция улучшает качество изображения при приеме слабого; Пропуск; напрямую или к; Сохраняет изменения в настройках меню “
- 29 Цифровая конфигурация меню; Автопоиск цифр. станций
- 31 Система цветного телевидения; Дополнительные сведения
- 33 Поиск неисправностей; Посмотрите, не мигает ли индикатор; Если индикатор мигает; Активирована функция автодиагностики.; Сосчитайте, сколько раз индикатор; Если индикатор не мигает; Изображение; Общие












