Телевизоры Sony KDL-32P2520 - инструкция пользователя по применению, эксплуатации и установке на русском языке. Мы надеемся, она поможет вам решить возникшие у вас вопросы при эксплуатации техники.
Если остались вопросы, задайте их в комментариях после инструкции.
"Загружаем инструкцию", означает, что нужно подождать пока файл загрузится и можно будет его читать онлайн. Некоторые инструкции очень большие и время их появления зависит от вашей скорости интернета.

24
RU
KDL-40/32/26U2000
2-693-044-41(0)
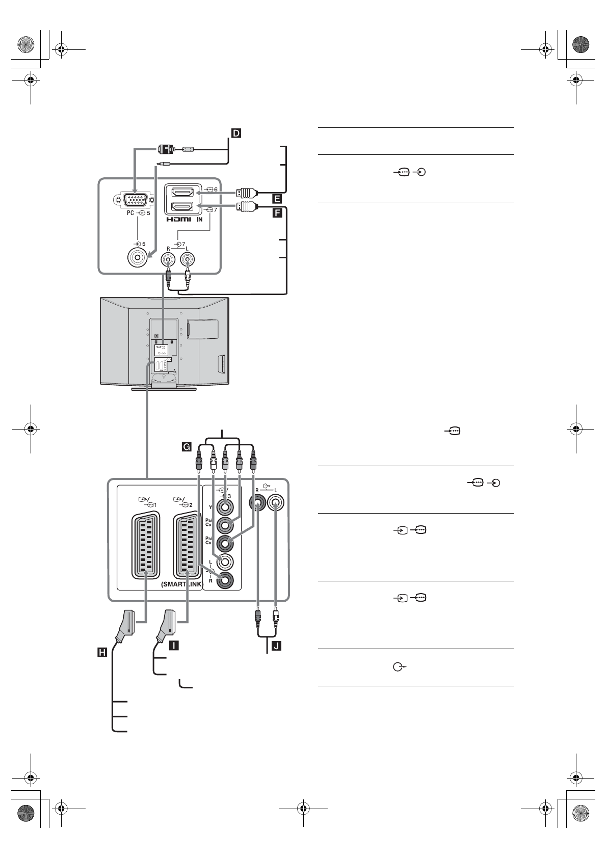
Подключение к разъемам на задней панели телевизора
DVD-проигрыватель
с компонентным
выходом
DVD-
проигрыватель
Декодер
Устройство
записи на DVD
Видеомагнитофон
Аудиосис
тема
класса
Hi-Fi
Игровая приставка
DVD-проигрыватель
Цифровой
спутниковый
ресивер
ПК
Декодер
DVD-
проигрыватель
Цифровой
спутниковый
ресивер
Чтобы
подключить
Необходимо
ПК
D
Подсоединить
его
к
гнездам
PC
/
.
Рекомендуется
использовать
спец
альный
кабель
для
подключения
ПК
с
ферритами
.
Цифровой
спутниковый
ресивер
/
или
DVD-
проигрыватель
E
,
F
Подсоединить к разъему HDMI
IN 6 или 7, если оборудование
имеет разъем HDMI. С
оборудования будут поступать
цифровые видео- и
аудиосигналы. Если
оборудование имеет разъем
DVI, соедините гнездо DVI с
разъемом HDMI IN 7 через
адаптер DVI - HDMI
(приобретается отдельно) и
подсоедините выходные
аудиоразъемы оборудования к
разъемам HDMI IN 7.
Примечания
• Разъемы HDMI
поддерживают только
следующие входные
видеосигналы: 480i, 480p, 576i,
576p, 720p и 1080i. Для
подсоединения к ПК,
пожалуйста, используйте
разъем PC
.
• Используйте только кабель
HDMI, на котором имеется
логотип HDMI.
DVD-
проигрыватель
с
компонентным
выходом
G
Подсоединить
к
компонентному
входу
и
аудиовходам
/
3.
Игровую
приставку
, DVD-
проигрыватель
или
декодер
H
Подсоединить
к
Scart-
разъему
/
1.
При
подключении
декодера
кодированный
сигнал
от
ТВ
-
тюнера
поступает
на
декодер
выходит
с
декодера
и
уже
в
декодированном
виде
.
Устройство
записи
на
DVD
или
видеомагнитофон
с
поддержкой
SMARTLINK
I
Подсоединить
к
Scart-
разъему
/
2. SMARTLINK
представляет
собой
прямое
соединение
между
телевизором
и
видеомагнитофоном
/
устройством
записи
DVD.
Аудиосистему
класса
Hi-Fi
J
Подсоединить
к
аудиовыходам
для
прослушивания
звука
с
телевизора
через
аудиосистему
.
010COV.book Page 24 Friday, January 19, 2007 9:56 AM
Содержание
- 2 Информация о торговых марках; Введение
- 3 Содержание; Начало работы 4; Использование цифрового электронного экранного телегида (EPG); Начало работы; Просмотр телевизора; только
- 4 только для; Установка батареек в пульт ДУ; Примечания; Коаксиальный кабель
- 5 Продолжение
- 6 Нажмите кнопку; на; Нажимая; , чтобы запустить процедуру
- 8 Вентиляция
- 9 Грозы
- 10 Утилизация телевизора
- 11 Описание пульта ДУ; Подсказка; Примечание
- 12 Для включения телевизора нажмите кнопку
- 13 В цифровом режиме; Дополнительные операции; Чтобы
- 14 Цифровой экранный электронный телегид
- 16 Навигация по системе меню; Использование функций меню; Меню
- 18 Подсказки
- 19 Выход AV2
- 20 • Таймер
- 21 Система; Канал
- 22 Меню Цифровая конфигурация
- 23 Подключение к разъемам на боковой панели телевизора; Наушники; Необходимо; Использование дополнительных устройств
- 24 Подключение к разъемам на задней панели телевизора
- 25 Для других подключенных устройств
- 26 Выходная мощность звука:; Дополнительные сведения
- 27 Поиск неисправностей; Посмотрите, не мигает ли индикатор; Замерьте, в течение какого времени индикатор; Изображение; HDMI
- 28 Звук












