Телевизоры Sony KDL-20S3060 - инструкция пользователя по применению, эксплуатации и установке на русском языке. Мы надеемся, она поможет вам решить возникшие у вас вопросы при эксплуатации техники.
Если остались вопросы, задайте их в комментариях после инструкции.
"Загружаем инструкцию", означает, что нужно подождать пока файл загрузится и можно будет его читать онлайн. Некоторые инструкции очень большие и время их появления зависит от вашей скорости интернета.

16
RU
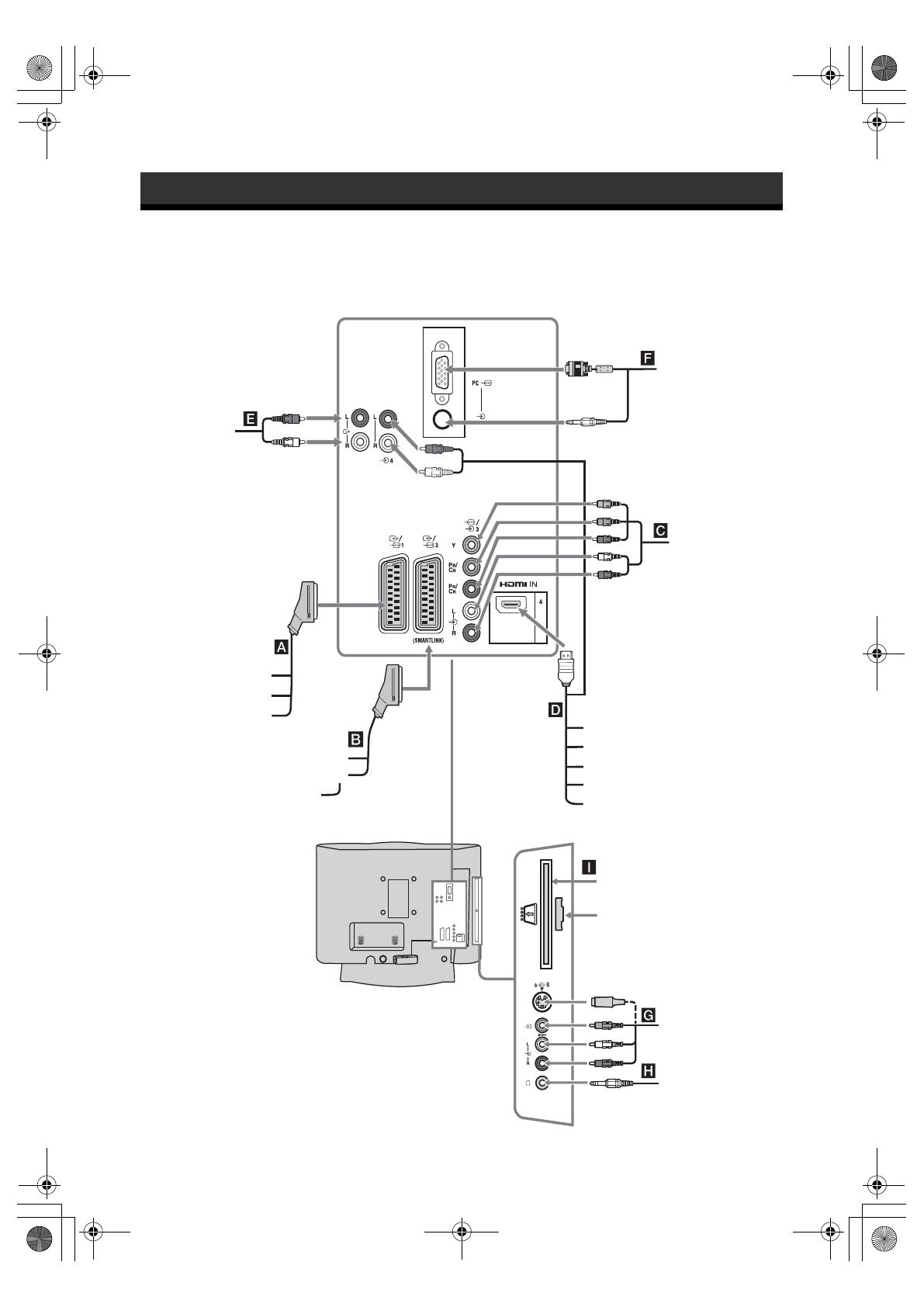
Подключение дополнительных устройств
Вы можете подключить к Вашему телевизору широкий спектр дополнительных устройств. 
Соединительные кабели не входят в комплект поставки.
Использование дополнительных устройств
Только для подключения 
специальных устройств при 
наладке
S VHS/Hi8/
DVC видеокамера
Наушники
DVD-проигрыватель 
с компонентным 
выходом
DVD-рекордер
Декодер
Видеомагнитофон
Игровая
приставка
DVD-проигрыватель
Декодер
ПК
Аудиосистема
ПК (выход HDMI)
Проигрыватель дисков 
Blu-ray
Цифровая видеокамера
DVD-проигрыватель
Аудиосистема
класса Hi-Fi
Модуль CAM
010COV.book Page 16 Thursday, September 13, 2007 9:55 AM
Содержание
- 2 Введение; Информация о торговых марках; АЯ
- 3 Содержание; Íà÷àëî ðàáîòû 4; Использование цифрового электронного экранного телегида (EPG); Начало работы 4; Просмотр телевизионных программ; : только для цифровых каналов
- 4 Начало работы; Установка батареек в пульт ДУ
- 5 Нажмите кнопку
- 6 С помощью кнопок
- 7 Установка и подключение
- 8 Запрещенные типы установки; выключите; Просмотр телевизора
- 9 Описание пульта ДУ
- 10 Описание кнопок и индикаторов телевизора
- 11 на телевизоре (на его верхней; В цифровом режиме; Дополнительные операции; Чтобы
- 12 Вход в режим телетекста; Замораживание изображения:; Несколько раз нажмите; Использование меню “Сервис”; Опции
- 13 В цифровом режиме нажмите; “Все категории”
- 16 Подключение дополнительных устройств; Использование дополнительных устройств
- 17 Для других подключенных устройств
- 18 Для возврата в обычный режим работы; Настройки HDMI управления
- 19 Аналоговое ТВ; Нажимая; Использование функций меню
- 20 Меню “Настройка изображения”; выбора опций в меню“
- 21 “Авто”; Сброс
- 22 Меню “Настройка звука”
- 23 “Динамик ТВ”; “Aудиосистема”
- 24 Меню “Функции”; “Формат экрана”; “Стандарт”; Выход AV2; “TV”
- 25 “Фаза”; Таймер; “Режим таймера”
- 26 Меню “Установка”; Автозапуск; Если Вы ввели неверный символ
- 27 “HDMI управление”; Система
- 28 Аудиофильтр; Пропуск; Сохраняет изменения в настройках меню “
- 29 Цифровая конфигурация меню; Автопоиск цифр. станций
- 31 Система цветного телевидения; Дополнительные сведения
- 33 Поиск неисправностей; Посмотрите, не мигает ли индикатор; Если индикатор мигает; Активирована функция автодиагностики.; Если индикатор не мигает; Изображение; Общие
 
  
  
  
  
  
  
  
  
  
  
  
  
  
  
  
  
  
  
  
  
  
  
  
  
  
  
  
  
  
  
  
  
 











