Телевизоры Sony KD55XE9305 - инструкция пользователя по применению, эксплуатации и установке на русском языке. Мы надеемся, она поможет вам решить возникшие у вас вопросы при эксплуатации техники.
Если остались вопросы, задайте их в комментариях после инструкции.
"Загружаем инструкцию", означает, что нужно подождать пока файл загрузится и можно будет его читать онлайн. Некоторые инструкции очень большие и время их появления зависит от вашей скорости интернета.

11
RU
D:\_SONY TV\SY160252_KP RU3 RG\4689560111_RU\030ADD.fm
masterpage: Right
KD-75XE94xx / 65XE93xx / 55XE93xx
4-689-560-
11
(1)
RU
UA
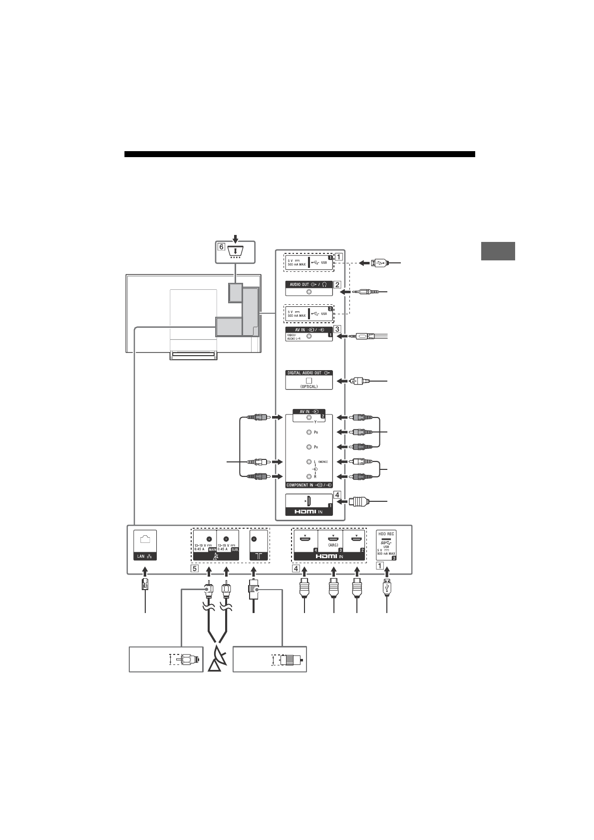
Схема подключения
Для получения дополнительной информации о подключениях см. справочное руководство,
нажав на пульте дистанционного управления кнопку
HELP
.
< 14
мм
< 14
мм
*1
Наушники/домашняя
акустическая система/
сабвуфер
Цифровая
фотокамера/
видеокамера/
USB-накопитель
Домашняя
акусти-
ческая
система с
устройством
ARC/HDMI
Кабель/
антенна/
телеприставка
DVD-проигрыватель
с компонентным
выходом
Маршрутизатор
Видеомагнитофон/
оборудование
для видеоигр/
DVD-проигрыватель/
Видеокамера
Видеомагнитофон/
оборудование
для видеоигр/
DVD-проигрыватель/
Видеокамера/
Телеприставка*
2
Устройство
HDMI
Домашняя
акустическая система
с оптическим
аудиовходом
Модуль
ограниченного
доступа
Спутник
Устройство HDMI
Устройство
HDMI
Цифровая
фотокамера/
видеокамера/
USB-накопитель
Содержание
- 5 Кабель питания; ПРИМЕЧАНИЕ О СЕТЕВОМ АДАПТЕРЕ (только; Запрещенные типы установки
- 8 Детали и элементы управления; Если телевизор выключен,; Нажмите; Если телевизор включен,; Нажимайте; Элементы управления и индикаторы
- 9 Использование пульта дистанционного управления; (Выбор источника входного; Отображение меню BRAVIA Sync.; EXIT; Описание частей пульта ДУ
- 11 Схема подключения
- 13 Установка телевизора на стену; К сведению покупателей:; Снимите крышку подставки и крышку разъемов.
- 14 Извлеките винты из задней панели телевизора.
- 18 Отсоедините настольную подставку от телевизора.
- 19 Поиск неисправностей; Поиск и устранение неисправностей
- 20 Не работает пульт ДУ.; Технические характеристики; Система; Входные/выходные разъемы
- 21 Прочее
- 22 Информация о торговых марках