Телевизоры Sony KD-65XG8577 - инструкция пользователя по применению, эксплуатации и установке на русском языке. Мы надеемся, она поможет вам решить возникшие у вас вопросы при эксплуатации техники.
Если остались вопросы, задайте их в комментариях после инструкции.
"Загружаем инструкцию", означает, что нужно подождать пока файл загрузится и можно будет его читать онлайн. Некоторые инструкции очень большие и время их появления зависит от вашей скорости интернета.

C:\Users\CHAILING_2\Desktop\SL\RU3\ML\UA\FY19\4748454111_UK.fm
master page: Right
KD-75XG85xx / 65XG85xx / 55XG85xx
4-748-454-
11
(1)
7
UA
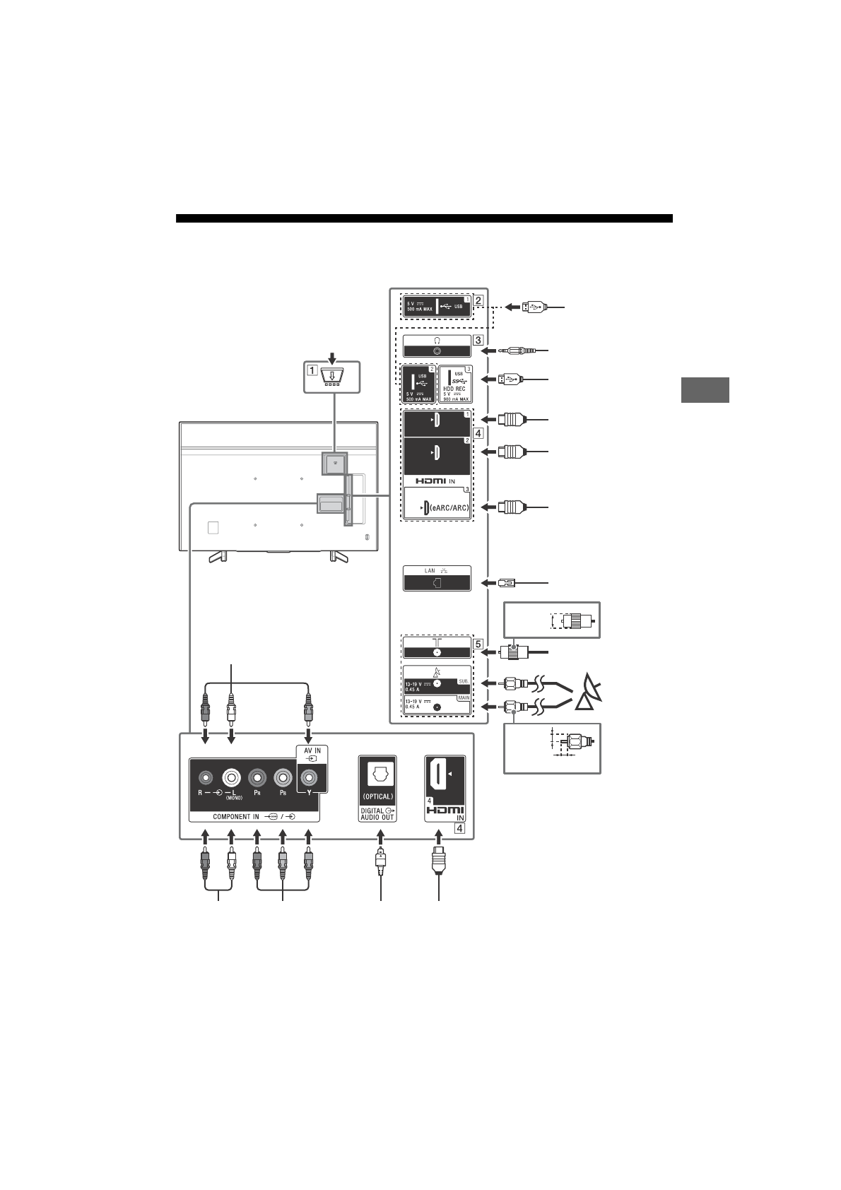
Схема підключення
Додаткову інформацію про підключення див. у довідці (натисніть
HELP
на пристрої
дистанційного керування).
*1
Навушники
Цифрова фотокамера/
камера-реєстратор/
носій даних USB
DVD-програвач з
компонентним
виходом
Пристрій HDMI
Пристрій HDMI
Відеомагнітофон/обладнання
для відеоігор/DVD-програвач/
камера-реєстратор/Зовнішній
пристрій*²
Модуль обумовленого
доступу (CAM)
Пристрій
HDMI
Кабель/Антена/
Зовнішній пристрій
Маршрутизатор
Аудіосистема з
оптичним
аудіовходом
< 14 мм
< 7 мм
Супутник
Аудіосистема
з пристроєм eARC/ARC/
HDMI
Цифрова фотокамера/
камера-реєстратор/носій
даних USB/USB
HDD-пристрій
< 1,5 мм
UA
Содержание
- 5 Детали и элементы управления; Элементы управления и индикаторы; Если телевизор выключен,
- 6 Использование пульта дистанционного управления; Описание частей пульта дистанционного управления; Цифровые кнопки; Отображение информации.; Google Play
- 8 Схема подключения
- 9 CAM (модуль ограниченного
- 10 Установка телевизора на стену; К сведению покупателей:; Извлеките винты из задней панели телевизора.
- 11 Отсоедините настольную подставку от телевизора
- 12 Поиск неисправностей; Поиск и устранение неисправностей; Поверхности телевизора нагреваются.
- 13 Технические характеристики; Система
- 15 Примечание в отношении Цифрового
- 32 © 2019 Sony Visual Products Inc.
Характеристики
Остались вопросы?Не нашли свой ответ в руководстве или возникли другие проблемы? Задайте свой вопрос в форме ниже с подробным описанием вашей ситуации, чтобы другие люди и специалисты смогли дать на него ответ. Если вы знаете как решить проблему другого человека, пожалуйста, подскажите ему :)