Телевизоры Sony KD-65X9305C - инструкция пользователя по применению, эксплуатации и установке на русском языке. Мы надеемся, она поможет вам решить возникшие у вас вопросы при эксплуатации техники.
Если остались вопросы, задайте их в комментариях после инструкции.
"Загружаем инструкцию", означает, что нужно подождать пока файл загрузится и можно будет его читать онлайн. Некоторые инструкции очень большие и время их появления зависит от вашей скорости интернета.

15
RU
RU
UA
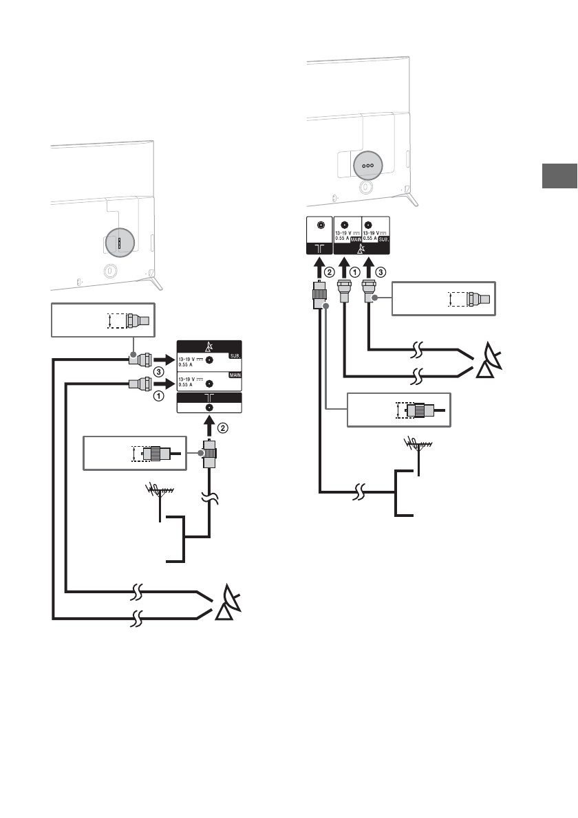
Подключение блока спутникового
телевидения
Соединения для наземного/кабельного и
спутникового вещания.
t
: шаги
подключения
KD-75X9405C/55X9305C
KD-65X9305C
* Подключайте только при использовании
режима двойного тюнера.
*
< 14
мм
CATV
< 14
мм
*
< 14 мм
CATV
< 14 мм
Содержание
- 3 ВАЖНОЕ ПРИМЕЧАНИЕ
- 4 Кабель питания; Запрещенные типы установки
- 6 Утилизация телевизора
- 7 Детали и элементы управления; / светочувствительный; • Голубой; (выбор источника входного; Элементы управления и индикаторы
- 10 Использование пульта дистанционного управления; (Выбор источника входного; Отображение меню BRAVIA Sync.; Цифровые кнопки; Отображение текстовой информации.; Описание частей пульта дистанционного управления; Пульт ДУ с тачпадом
- 12 на; Использование пульта ДУ с тачпадом
- 13 Сборка настольной подставки
- 14 Группирование кабелей; Подключение других; Отсоединение крышки разъемов
- 17 Подключение устройства MHL
- 18 Установка телевизора на стену; К сведению покупателей:
- 19 Стандартное крепление
- 22 Поиск неисправностей; HOME; Поиск и устранение неисправностей; Некоторые каналы не настраиваются.; Не работает пульт ДУ.
- 23 Не удается найти на телевизоре кнопки; Технические характеристики; Система; Входные/выходные разъемы
- 24 Прочее; Дополнительные аксессуары
- 25 Электропитание и прочее
- 26 Информация о торговых марках