Телевизоры Sony KD-55X8507C - инструкция пользователя по применению, эксплуатации и установке на русском языке. Мы надеемся, она поможет вам решить возникшие у вас вопросы при эксплуатации техники.
Если остались вопросы, задайте их в комментариях после инструкции.
"Загружаем инструкцию", означает, что нужно подождать пока файл загрузится и можно будет его читать онлайн. Некоторые инструкции очень большие и время их появления зависит от вашей скорости интернета.

12
UA
Підключення інших приладів
Додаткову інформацію про підключення
дивіться в Довідці.
Примітка
• Щоб вибрати підключене до телевізора джерело
вхідного сигналу, натисніть
.
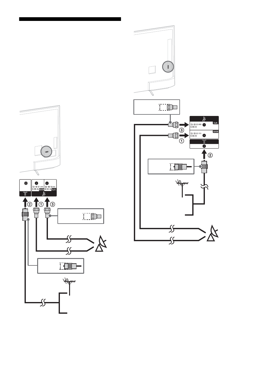
Підключення супутникової антени
Підключення для ефірного/кабельного і
супутникового телебачення.
t
: етапи
підключення
KD-75/65/55X850xC
KD-49/43X830xC
* Підключайте тільки в разі використання
режиму подвійного тюнера.
< 14 мм
*
< 14 мм
CATV
< 14 мм
*
< 14 мм
CATV
Содержание
- 3 ВАЖНОЕ ПРИМЕЧАНИЕ
- 4 Кабель питания; Запрещенные типы установки
- 6 Утилизация телевизора
- 7 Детали и элементы управления; / светочувствительный; TV; Элементы управления и индикаторы
- 9 HOME
- 10 Использование пульта дистанционного управления; (Выбор источника входного; Цифровые кнопки; Описание частей пульта дистанционного управления; Пульт ДУ с тачпадом
- 12 Использование пульта ДУ с тачпадом
- 15 Подключение устройства MHL
- 16 Установка телевизора на стену; К сведению покупателей:
- 17 Отсоединение настольной подставки от телевизора
- 18 Поиск неисправностей; Поиск и устранение неисправностей; Некоторые каналы не настраиваются.; Не работает пульт ДУ.
- 19 Не удается найти на телевизоре кнопки; Технические характеристики; Система
- 20 Прочее
- 21 Электропитание и прочее
- 22 Информация о торговых марках