Телевизоры Panasonic TX-R32LE8 (S) (H) - инструкция пользователя по применению, эксплуатации и установке на русском языке. Мы надеемся, она поможет вам решить возникшие у вас вопросы при эксплуатации техники.
Если остались вопросы, задайте их в комментариях после инструкции.
"Загружаем инструкцию", означает, что нужно подождать пока файл загрузится и можно будет его читать онлайн. Некоторые инструкции очень большие и время их появления зависит от вашей скорости интернета.

ANT
ANT
22
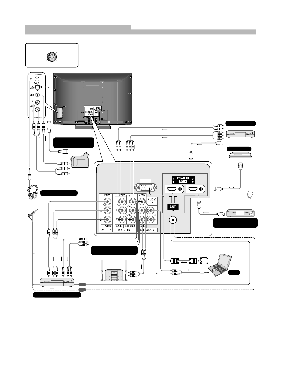
Внешние устройства (продолжение)
Данные схемы отображают наши рекомендации по подключению телевизора к различным внешним устройствам.
Тыльная
панель ТВ
Видеокамера /
Игровое оборудование
(S-VIDEO)
или
(VIDEO)
(Разъем M3)
(AUDIO)
Гнездо Наушников
ПК
Просмотр DVD
4-штырьковый разъём S VIDEO
Вход сигнала
цветности
Заземляющий
провод сигнала
цветности
Вход сигнала
яркости
Заземляющий
провод сигнала
яркости
DVD-плеер
Радиочас-
тотный
кабель
Просмотр спутникового
телевидения
Адаптер преобразования
(при необходимости)
VIERA Link
DIGA
Декодер спутникового
телевидения
Компьютер
Прослушивание при
помощи динамиков
Усилитель с акустической системой
Запись / воспроизведение
DVD рекордер / Видеомагнитофон
или
Характеристики
Остались вопросы?Не нашли свой ответ в руководстве или возникли другие проблемы? Задайте свой вопрос в форме ниже с подробным описанием вашей ситуации, чтобы другие люди и специалисты смогли дать на него ответ. Если вы знаете как решить проблему другого человека, пожалуйста, подскажите ему :)