Телевизоры BBK LEM3287FDT - инструкция пользователя по применению, эксплуатации и установке на русском языке. Мы надеемся, она поможет вам решить возникшие у вас вопросы при эксплуатации техники.
Если остались вопросы, задайте их в комментариях после инструкции.
"Загружаем инструкцию", означает, что нужно подождать пока файл загрузится и можно будет его читать онлайн. Некоторые инструкции очень большие и время их появления зависит от вашей скорости интернета.

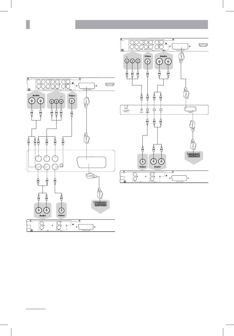
ПОДКЛЮЧЕНИЕ
11
* Для моделей LEM3281FDT, LEM3282DT и LEM3285FDTG.
ПОДКЛЮЧЕНИЕ К DVD-ПЛЕЕРУ/
ВИДЕОМАГНИТОФОНУ
ИУ ОТ ЖУ ОЛ!
• Перед подключением убедитесь, что все устройства
выключены.
Для моделей 81-й, 82-й и 85-й серий
Задняя панель DVD-плеера
Задняя панель VHS-плеера
SCART OUT
Pb Pr
Задняя панель
телевизора
VIDEO
L
R
Y
Pb
Pr
SCART
Задняя панель DVD-плеера
Задняя панель VHS-плеера
SCART OUT
Pb Pr
Задняя панель
телевизора*
Содержание
- 2 СОДЕРЖАНИЕ
- 3 ВВЕДЕНИЕ; ИНСТРУКЦИЯ ПО МЕРАМ; Символ опасности
- 4 ОБЗОР УСТРОЙСТВА; ЦИФРОВОЙ DVB-T ТЮНЕР; Оснащение; КОМПЛЕКТАЦИЯ; Кроме моделиLEM1968DT и моделей 88-й серии.
- 5 УСТАНОВКА; Для моделей 81-й и 82 серий; • ТВ возможно разместить на стене с помощью
- 6 *На рисунке схематично изображена панель модели LEM1981DT.; ОБЩИЙ ВИД ПАНЕЛЕЙ УПРАВЛЕНИЯ; Передняя панель телевизора*
- 7 Для моделей 85-й серии; * На рисунке схематично изображена панель модели LEM2285FDTG.
- 8 Для моделей 87-й серии; Передняя панель телевизора; Боковая панель телевизора*; Разъем HDMI 3
- 9 Для модели LEM1968DT и моделей 88-й серии; Задняя панель телевизора
- 10 ПУЛЬТ ДИСТАНЦИОННОГО
- 11 УСТАНОВКА БАТАРЕЕК В ПУЛЬТ
- 12 ПОДКЛЮЧЕНИЕ; ПОДКЛЮЧЕНИЕ ТВ-АНТЕННЫ; • Перед подключением убедитесь, что все компоненты; Персональный компьютер; HDMI; Перед включением телевизора в сеть подсоедините
- 13 ВИДЕОМАГНИТОФОНУ; • Перед подключением убедитесь, что все устройства
- 14 Боковая
- 15 ПОДКЛЮЧЕНИЕ К СПУТНИКОВЫМ; Внимательно прочитайте инструкцию по подключению.; П РОТ ЛЧЖУ ОЛ; • Для приема цифровых каналов с ограниченным
- 16 Метод А; Метод B; Нижняя панель телевизора*; Метод В; используйте аудиовидеокабель.
- 17 ОСНОВНЫЕ ОПЕРАРИИ; DTV; Breakfast; ПРИМЕЧАНИЕ
- 18 ТЕЛЕТЕКСТ
- 19 ФУНКРИОНАЛЬНЫЕ ВОЗМОЖНОСТИ; VHF CH1; Слабый Нормальный Сильный; ПРИВЕТСТВИЕ; Страна; Россия; ИСПОЛЬЗОВАНИЕ МЕНЮ; КАНАЛ
- 20 ВРЕМЯ; ПРИМЕЧАНИЯ; УСТАНОВКИ; ИЗОБРАЖЕНИЕ; ЗВУК; ПРИМЕЧАНИЯ
- 21 ФУНКЦИЯ PVR; Подготовка к записи программы; Размер файловой сис. PVR
- 22 ФУНКЦИЯ ТАЙМШИФТ; Подготовка к включению функции Таймшифт; БЛОКИРОВКА
- 23 ПРИЛОЖЕНИЕ; • Для вывода меню информации выберите иконку; ТЕХНИЧЕСКИЕ ХАРАКТЕРИСТИКИ; • Поддерживаемые аудиокодеки и контейнеры: MP3,; • Некоторые файлы, записанные в любом из
- 24 ПРОЧЕЕ; КРИТЕРИИ ОПРЕДЕЛЕНИЯ
- 25 Для моделей 81-й серии
- 26 Для моделей 82-й серии
- 29 • Некоторые файлы, записанные в любом
- 30 ПОИСК НЕИСПРАВНОСТЕЙ; Признак неисправности; • Проверьте надежность подключения кабеля электропитания.
- 31 СЕРВИСНОЕ ОБСЛУЖИВАНИЕ; Название продукта
- 32 Утилизация изделия
- 33 Дата производства
- 34 ДЛЯ ЗАПИСЕЙ
- 36 ГАРАНТИЙНЫЙ ТАЛОН ГАРАНТІЙНИЙ ТАЛОН; Заполняется фирмой-продавцом; ИЗДЕЛИЕ; МОДЕЛЬ; СЕРИЙНЫЙ НОМЕР; ДАТА ПРОДАЖИ; ТЕЛЕФОН ФИРМЫ-ПРОДАВЦА












