Телевизоры BBK LEM1958 - инструкция пользователя по применению, эксплуатации и установке на русском языке. Мы надеемся, она поможет вам решить возникшие у вас вопросы при эксплуатации техники.
Если остались вопросы, задайте их в комментариях после инструкции.
"Загружаем инструкцию", означает, что нужно подождать пока файл загрузится и можно будет его читать онлайн. Некоторые инструкции очень большие и время их появления зависит от вашей скорости интернета.

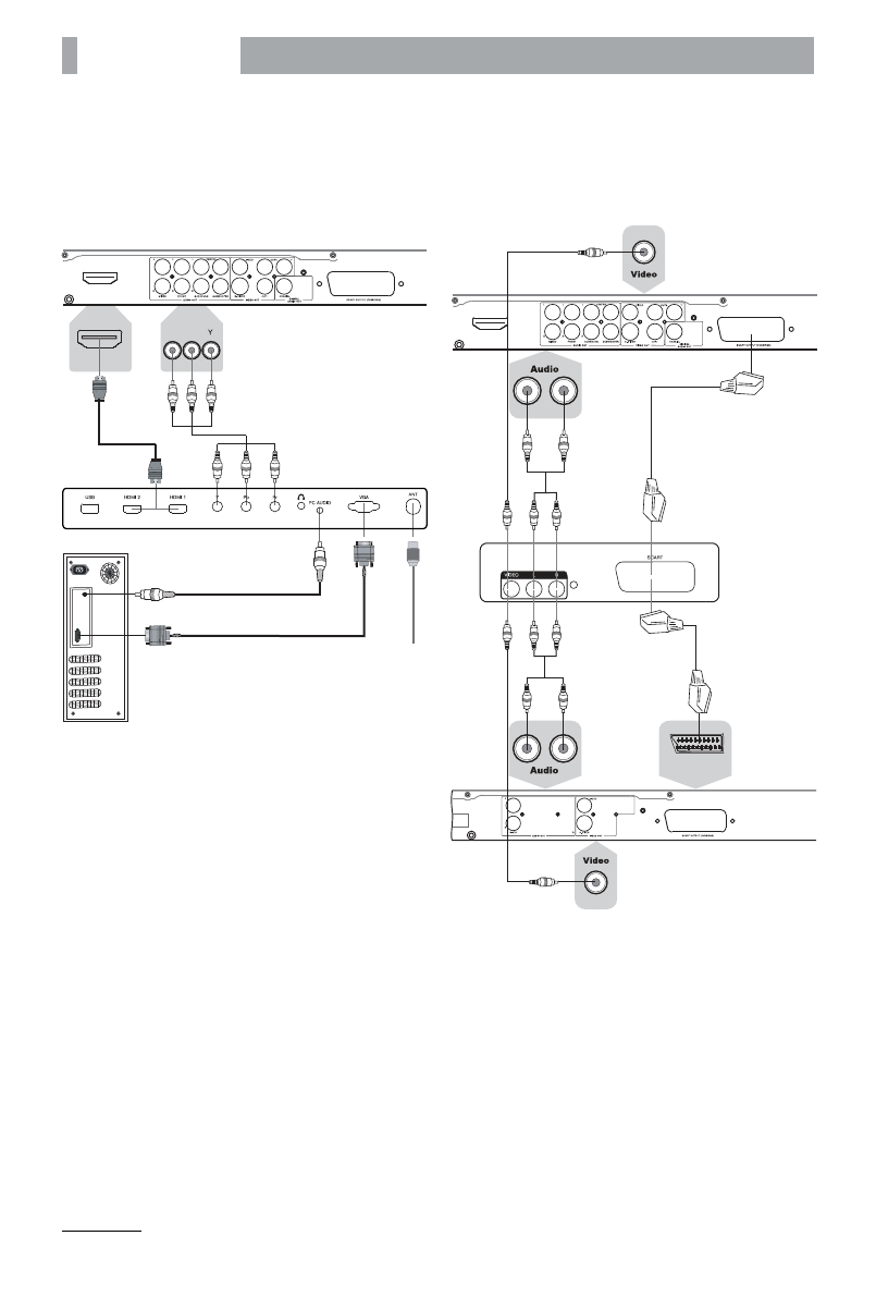
ПОДКЛЮЧЕНИЕ
6
ПОДКЛЮЧЕНИЕ
ТВАНТЕННЫ
И
УСТРОЙСТВ
ПО
YPBPR,
HDMI
И
VGA
ИНТЕРФЕЙСАМ
*
ВНИМАНИЕ
!
•
Перед
подключением
убедитесь
,
что
все
компоненты
выключены
.
HDMI
Задняя панель DVD-плеера
Персональный компьютер
ТВ-ан
тенна
Панель телевизора
Pb Pr
*
На
рисунках
изображения
панелей
телевизора
, DVD-
и
VHS-
плеера
и
компьютера
приведены
схематично
.
ПОДКЛЮЧЕНИЕ
К
DVD
ПЛЕЕРУ
/
ВИДЕОМАГНИТОФОНУ
*
ВНИМАНИЕ
!
•
Перед
подключением
убедитесь
,
что
все
устройства
выключены
.
Задняя панель
DVD-плеера
Задняя панель VHS-плеера
SCART OUT
Панель телевизора
Содержание
- 2 СОДЕРЖАНИЕ
- 3 ВВЕДЕНИЕ; ИНСТРУКЦИЯ; ПРЕДУПРЕЖДЕНИЯ
- 4 ОСОБЕННОСТИ; ПРИМЕЧАНИЕ
- 5 ОБЩИЙ
- 6 ПУЛЬТ
- 8 ПОДКЛЮЧЕНИЕ; ВНИМАНИЕ; DVD; ВНИМАНИЕ
- 9 Метод
- 11 ИСПОЛЬЗОВАНИЕ; КАНАЛ; Ручная настройка ATV
- 12 ИЗОБРАЖЕНИЕ; ВРЕМЯ
- 13 МЕДИАПЛЕЕР; Шаг; ПРИЛОЖЕНИЕ; ПРИМЕЧАНИЯ; ТЕХНИЧЕСКИЕ
- 14 ПРОЧЕЕ
- 16 ПОИСК
- 17 СЕРВИСНОЕ; Условия
- 40 ГАРАНТИЯ; Заполняется фирмой-продавцом












