Телевизоры кинескопные Toshiba 21CJZ6SR - инструкция пользователя по применению, эксплуатации и установке на русском языке. Мы надеемся, она поможет вам решить возникшие у вас вопросы при эксплуатации техники.
Если остались вопросы, задайте их в комментариях после инструкции.
"Загружаем инструкцию", означает, что нужно подождать пока файл загрузится и можно будет его читать онлайн. Некоторые инструкции очень большие и время их появления зависит от вашей скорости интернета.

7
M E N U
a
t
c
s
a
D3
D1
%
M E N U
a
t
c
s
%
D4
%
D5
D2
%
D6
D7
%
100
50
50
00
00
30
+43
+49
00
+43
00:30
00:00
P001
00:00
07:00
P001
00:00
07:00
P001
%
M E N U
a
t
c
s
%
M E N U
a
a
t
c
s
%
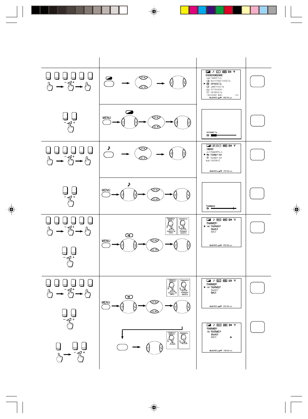
ФУНКЦИЯ МЕНЮ
Пульт Дистанционного
Управления
Дисплей
Дисплей
№
Телевизионная
установка
Дисплей Меню и Выбор Позиции
Отрегулируйте
Дисплей Меню и Выбор Позиции
Отрегулируйте
Выбор
Позиции
Отрегулируйте
Выбор Окна
Выбор
Позиции
Отрегулируйте
Выбор
Позиции
Отрегулируйте
Выбор Окна
Выбор
Позиции
Отрегулируйте
Дисплей Меню и Выбор Позиции
Дисплей Меню и Выбор Позиции
Установка времени для таймера
включения
Выбор пунктов позиции и
Установка номера позиции
Установка времени для
таймера выключения
Выбор Окна
Выбор
Позиции
Выбор Окна
Выбор
Позиции
Установка
времени для
таймера
выключения
Установка времени
для таймера
включения
Выбор пунктов
позиции
Установка номера
позиции
ВЫКЛ ТАЙМЕР
ВКЛ ТАЙМЕР
P06-07_21CJZ6SR(RU)
7/16/04, 1:56 PM
7








