Teka LI2 1060 - Инструкция по эксплуатации

Teka LI2 1060

Стиральная машина Teka LI2 1060 - инструкция пользователя по применению, эксплуатации и установке на русском языке. Мы надеемся, она поможет вам решить возникшие у вас вопросы при эксплуатации техники.

Если остались дополнительные вопросы — свяжитесь с нами через контактную форму.

1 Страница 1
2 Страница 2
3 Страница 3
4 Страница 4
5 Страница 5
6 Страница 6
7 Страница 7
8 Страница 8
9 Страница 9
10 Страница 10
11 Страница 11
12 Страница 12
13 Страница 13
14 Страница 14
15 Страница 15
16 Страница 16
17 Страница 17
18 Страница 18
19 Страница 19
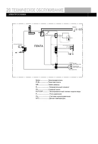
20 Страница 20
21 Страница 21
Страница: / 21
Загрузка инструкции

РУКОВОДСТВО

ПОЛЬЗОВАТЕЛЯ

LI2 1260

LI2 1060

АВТОМАТИЧЕСКАЯ СТИРАЛЬНАЯ МАШИНА БАРАБАННОГО ТИПА

"Загрузка инструкции" означает, что нужно подождать пока файл загрузится и можно будет его читать онлайн. Некоторые инструкции очень большие и время их появления зависит от вашей скорости интернета.

Другие модели - Стиральные машины Teka

Все стиральные машины Teka