Tantos Prime black - Инструкция по эксплуатации

Tantos Prime black

Домофон Tantos Prime black - инструкция пользователя по применению, эксплуатации и установке на русском языке. Мы надеемся, она поможет вам решить возникшие у вас вопросы при эксплуатации техники.

Если остались дополнительные вопросы — свяжитесь с нами через контактную форму.

1 Страница 1
2 Страница 2
3 Страница 3
4 Страница 4
5 Страница 5
6 Страница 6
7 Страница 7
8 Страница 8
9 Страница 9
10 Страница 10
11 Страница 11
12 Страница 12
13 Страница 13
14 Страница 14
15 Страница 15
16 Страница 16
17 Страница 17
18 Страница 18
19 Страница 19
20 Страница 20
21 Страница 21
22 Страница 22
23 Страница 23
24 Страница 24
25 Страница 25
26 Страница 26
27 Страница 27
28 Страница 28
29 Страница 29
30 Страница 30
31 Страница 31
Страница: / 31

Содержание:

  • Страница 2 – Оглавление
  • Страница 6 – SD
  • Страница 7 – Особенности
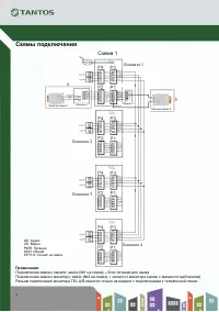
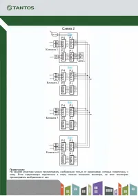
  • Страница 8 – Подключение
  • Страница 10 – Схема; Комната
  • Страница 12 – Установка
  • Страница 17 – DVR»
  • Страница 21 – DVR
  • Страница 23 – Меню
  • Страница 24 – Системные
  • Страница 25 – Рисунок
  • Страница 31 – Характеристики
Загрузка инструкции





ЦВЕТНОЙ

МОНИТОР

ВИДЕО

ДОМОФОНА

ИНСТРУКЦИЯ

ПО

ЭКСПЛУАТАЦИИ


PRIME

PRIME+ (

с

подключением

к

телефонной

линии

)












*

Спасибо

за

приобретение

нашей

продукции

.

*

Пожалуйста

,

внимательно

прочитайте

инструкцию

по

эксплуатации

(

особенно

,

часть

,

касающуюся

техники

безопасности

)

перед

использованием

изделия

,

точно

соблюдайте

правила

эксплуатации

изделия

.

*

Производитель

не

несет

ответственности

за

любой

вред

,

нанесенный

вследствие

неправильного

использования

изделия

.

"Загрузка инструкции" означает, что нужно подождать пока файл загрузится и можно будет его читать онлайн. Некоторые инструкции очень большие и время их появления зависит от вашей скорости интернета.

Краткое содержание

Страница 2 - Оглавление

Оглавление Замечания и предупреждения .................................................................................................. 1 Функции и названия элементов ................................................................................................. 3 Особенности и основные функции ....

Страница 6 - SD

3 Функции и названия элементов № Элемент Функция 1 Динамик 2 ЖКИ 3 Индикатор Индицирует статус монитора 4 Кнопка « Назад » Возврат , отключение от телефонной линии 5 Кнопка « Меню » Вход в меню настроек 6 Кнопка разблокировки 7 Кнопка просмотра Просмотр видео от панелей и камер 8 Кнопка ответа Ответ...

Страница 7 - Особенности

4 Особенности и основные функции 1. Особенности • 7 дюймовый цветной цифровой ЖКИ • Кнопочное управление • Исполнение без трубки , отличная связь с чистым звуком . • Накладной монтаж • 4 – проводное подключение • Простота в использовании 2. Основные функции • Управление электро замком • Поддержка SD...

Характеристики

Другие модели - Домофоны Tantos

Все домофоны Tantos