Сварочное оборудование Кедр ВД 500.01 PRO - инструкция пользователя по применению, эксплуатации и установке на русском языке. Мы надеемся, она поможет вам решить возникшие у вас вопросы при эксплуатации техники.
Если остались вопросы, задайте их в комментариях после инструкции.
"Загружаем инструкцию", означает, что нужно подождать пока файл загрузится и можно будет его читать онлайн. Некоторые инструкции очень большие и время их появления зависит от вашей скорости интернета.

Сварочные аппараты КЕДР ВД-306.01 / 413.01 / 500.01 PRO
14
2.5
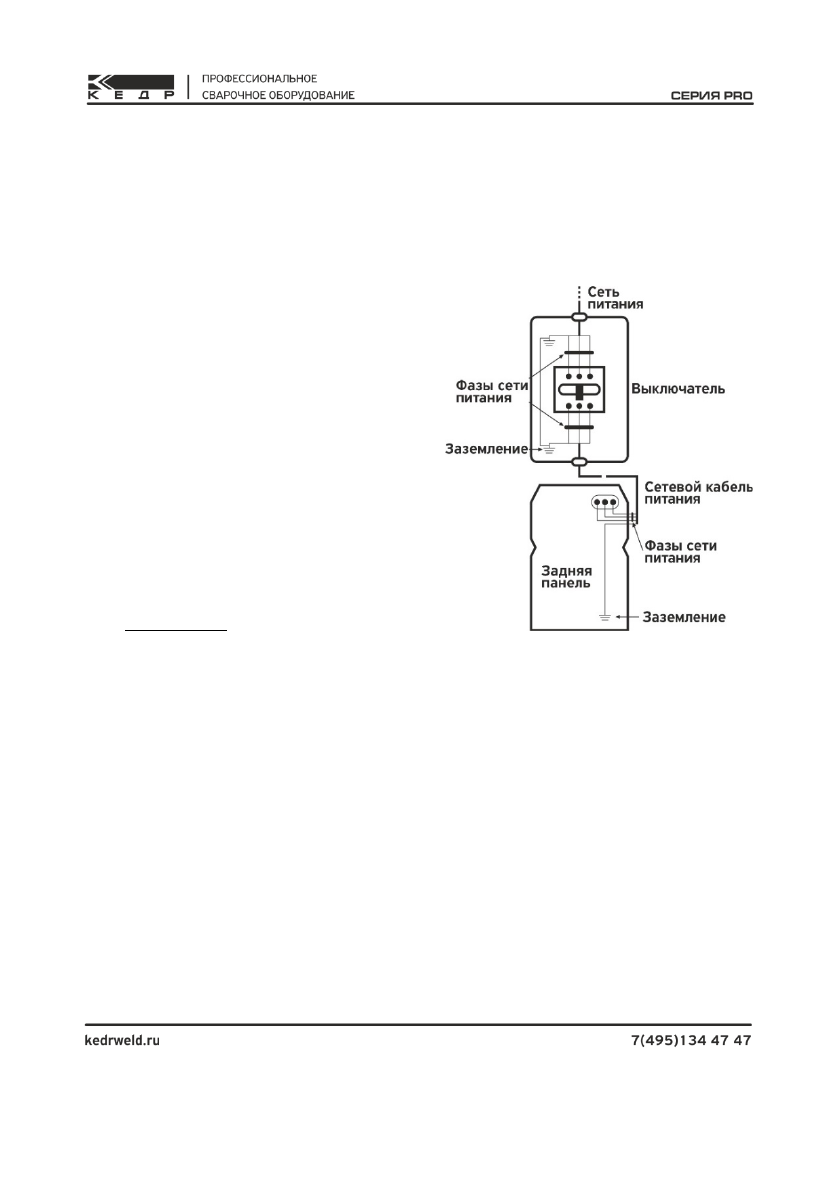
Подключение к сети питания
Для питания аппаратов КЕДР ВД
-306.01/413.01/500.01
PRO
используется трехфазная сеть питания с напряжением 380В (±15%)
.
Схема подключения аппаратов КЕДР ВД
-306.01/413.01/500.01
PRO
изображена на рисунке.
1.
Необходимо проверить
напряжение питания сети перед
подключением аппарата.
2.
Необходимо
убедиться, что сеть питания 380В
3-
фазы.
Аппарат будет стабильно работать и
выдавать заложенные характеристики
при изменении напряжения сети
питания в пределах ±15%.
ВНИМАНИЕ
!
Опасность высокого напряжения от источника питания! Обратитесь к
квалифицированному электрику для правильной установки розетки. Данный
сварочный аппарат должен быть заземлен во время эксплуатации для защиты
оператора от поражения электрическим током.
Не устанавливайте никакие адаптеры между кабелем питания
сварочного аппарата и розеткой источника питания. При подключении кабеля
питания сварочного аппарата к сети питания убедитесь, что выключатель
питания находится в положении "ВЫКЛ".
Содержание
- 9 Электромагнитное поле
- 10 Краткое введение; PRO
- 12 Комплект поставки; Маркировка и упаковка
- 13 На корпус аппарата прикрепляется этикетка со следующими; Принцип работы; Принцип работы сварочных аппаратов КЕДР ВД
- 14 Подключение к сети питания; оператора от поражения электрическим током.
- 15 Технические характеристики; Примечание. Все вышеуказанные параметры могут быть изменены при
- 17 Подключение и настройка; Отрицательный силовой разъем
- 18 вставки кабелей в
- 19 Последовательность действий:
- 22 VRD; .1 Подробное описание параметров
- 25 Дистанционная настройка сварочного тока
- 26 Процесс ручной дуговой сварки; Общее описание процесса ручной дуговой сварки; Электрод состоит из металлического стержня, на который нанесено
- 29 Проблемы при ММА сварке и методы их решения
- 30 Процесс аргонодуговой сварки; Последовательность действий при аргонодуговой
- 33 Проблемы при TIG сварке и методы их решения
- 37 Техническое обслуживание; Чтобы обеспечить безопасную и правильную работу сварочного
- 39 Устранение неисправностей; либо провод отсоединится или оголится, он может являться
- 44 Сервисное обслуживание; ВД
- 45 Список запасных частей
Характеристики
Остались вопросы?Не нашли свой ответ в руководстве или возникли другие проблемы? Задайте свой вопрос в форме ниже с подробным описанием вашей ситуации, чтобы другие люди и специалисты смогли дать на него ответ. Если вы знаете как решить проблему другого человека, пожалуйста, подскажите ему :)












