Сварочное оборудование Кедр MULTIARC-4000 - инструкция пользователя по применению, эксплуатации и установке на русском языке. Мы надеемся, она поможет вам решить возникшие у вас вопросы при эксплуатации техники.
Если остались вопросы, задайте их в комментариях после инструкции.
"Загружаем инструкцию", означает, что нужно подождать пока файл загрузится и можно будет его читать онлайн. Некоторые инструкции очень большие и время их появления зависит от вашей скорости интернета.

Серия аппаратов КЕДР MultiARC-2500
-3
/3200/4000
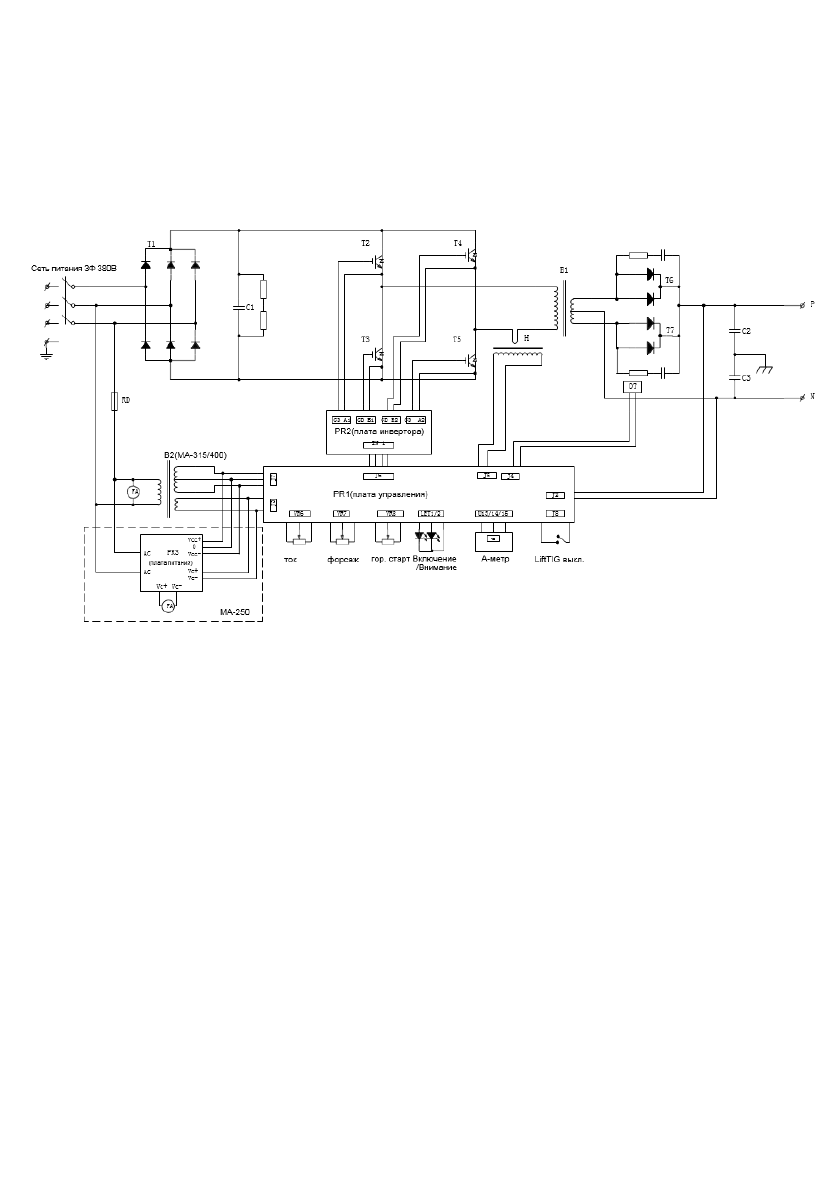
Структурная электрическая схема
По вопросам продаж и поддержки обращайтесь:
Эл. почта:
ksd
@nt-rt.ru || Сайт: http://
kedrs
.nt-rt.ru/
А
рхангельск (8182)63-90-72
А
стана +7(7172)727-132
А
страхань (8512)99-46-04
Б
арнаул (3852)73-04-60
Б
елгород (4722)40-23-64
Б
рянск (4832)59-03-52
В
ладивосток (423)249-28-31
В
олгоград (844)278-03-48
В
ологда (8172)26-41-59
В
оронеж (473)204-51-73
Е
катеринбург (343)384-55-89
И
ваново (4932)77-34-06
И
жевск (3412)26-03-58
И
ркутск (395) 279-98-46
К
иргизия (996)312-96-26-47
К
азань (843)206-01-48
К
алининград (4012)72-03-81
К
алуга (4842)92-23-67
К
емерово (3842)65-04-62
К
иров (8332)68-02-04
К
раснодар (861)203-40-90
К
расноярск (391)204-63-61
К
урск (4712)77-13-04
Л
ипецк (4742)52-20-81
М
агнитогорск (3519)55-03-13
М
осква (495)268-04-70
М
урманск (8152)59-64-93
Н
абережные Челны (8552)20-53-41
Н
ижний Новгород (831)429-08-12
К
азахстан (772)734-952-31
Н
овокузнецк (3843)20-46-81
Н
овосибирск (383)227-86-73
О
мск (3812)21-46-40
О
рел (4862)44-53-42
О
ренбург (3532)37-68-04
П
енза (8412)22-31-16
П
ермь (342)205-81-47
Р
остов-на-Дону (863)308-18-15
Р
язань (4912)46-61-64
С
амара (846)206-03-16
С
анкт-Петербург (812)309-46-40
С
аратов (845)249-38-78
С
евастополь (8692)22-31-93
С
имферополь (3652)67-13-56
Т
аджикистан (992)427-82-92-69
Смоленск (4812)29-41-54
С
очи (862)225-72-31
С
таврополь (8652)20-65-13
С
ургут (3462)77-98-35
Т
верь (4822)63-31-35
Т
омск (3822)98-41-53
Т
ула (4872)74-02-29
Т
юмень (3452)66-21-18
У
льяновск (8422)24-23-59
У
фа (347)229-48-12
Х
абаровск (4212)92-98-04
Ч
елябинск (351)202-03-61
Ч
ереповец (8202)49-02-64
Я
рославль (4852)69-52-93
Содержание
- 2 панель управления аппарата
- 4 Описание знаков безопасности; Опасность поражения электрическим током
- 5 Статическое электричество разрушает печатную плату
- 6 Взрыв деталей аппарата может причинить вред здоровью
- 7 Копоть и сажа могут нанести вред здоровью
- 11 ТЕХНИЧЕСКИЕ ПАРАМЕТРЫ
- 12 И ПЕРЕГРЕВ
- 13 ХАРАКТЕРИСТИКА
- 14 УСТАНОВКА И НАСТРОЙКА; ь управления
- 17 ПОДГОТОВКА К РАБОТЕ И; Подготовка к работе и настройка аппарата
- 18 Настройка аппарата для работы в режиме MMA; Дистанционное управление
- 19 ПРОЦЕСС РУЧНОЙ ДУГОВОЙ; Основы ручной дуговой сварки
- 21 Проблемы и методы их устранения
- 22 ПОДГОТОВКА К РАБОТЕ И; LiftTIG
- 25 Проблемы при TIG-сварке и методы их устранения
- 27 Условия эксплуатации
- 28 Заметки по эксплуатации; ОБСЛУЖИВАНИЕ И РЕШЕНИЕ
- 29 Решение проблем
- 32 Список кодов ошибок
- 33 СЕРВИСНОЕ ОБСЛУЖИВАНИЕ
- 36 Структурная электрическая схема
Характеристики
Остались вопросы?Не нашли свой ответ в руководстве или возникли другие проблемы? Задайте свой вопрос в форме ниже с подробным описанием вашей ситуации, чтобы другие люди и специалисты смогли дать на него ответ. Если вы знаете как решить проблему другого человека, пожалуйста, подскажите ему :)












