Сварочное оборудование Aurora ВЕКТОР 2000 - инструкция пользователя по применению, эксплуатации и установке на русском языке. Мы надеемся, она поможет вам решить возникшие у вас вопросы при эксплуатации техники.
Если остались вопросы, задайте их в комментариях после инструкции.
"Загружаем инструкцию", означает, что нужно подождать пока файл загрузится и можно будет его читать онлайн. Некоторые инструкции очень большие и время их появления зависит от вашей скорости интернета.
Загружаем инструкцию

14
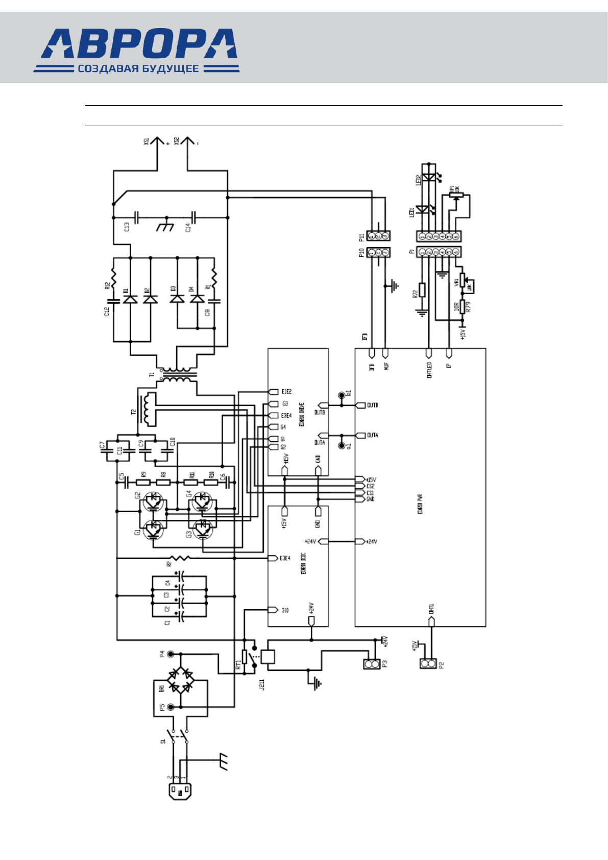
ЭЛЕКТРИЧЕСКАЯ СХЕМА
Содержание
- 3 ВВЕДЕНИЕ; сварочного соединения и быть уверенным в своём будущем!; вероятность получения травм и повреждения оборудования.; Руководство по эксплуатации содержит информацию,
- 4 КОМПЛЕКТАЦИЯ; Сварочный аппарат; ОБЩИЙ ВИД
- 5 ТЕХНИЧЕСКИЕ ХАРАКТЕРИСТИКИ; Модель
- 6 Условия окружающей среды:; Температура работы:; Декларация о соответствии:; EAC —
- 7 ТЕХНИКА БЕЗОПАСНОСТИ; инструкцией по эксплуатации.
- 8 защиты людей, находящихся в рабочей зоне или рядом с ней.; Опасность воспламенения; материалы должны быть удалены из рабочей зоны.; Шум представляет возможную угрозу для слуха!; защиты органов слуха.; При возникновении неисправностей:; Обратитесь к данному руководству по эксплуатации.
- 9 УСТАНОВКА И ЭКСПЛУАТАЦИЯ; ознакомленный со всеми положениями данного руководства.; беспечьте защиту розетки автоматическим; Подсоедините сварочные кабели.
- 10 можно продолжить после того, как индикатор термозащиты погаснет.; Подготовка заготовки перед сваркой.
- 11 ЕЖЕДНЕВНОЕ ОБСЛУЖИВАНИЕ; очистку следует проводить чаще.; ХРАНЕНИЕ И ТРАНСПОРТИРОВКА; агрессивного
- 12 УСТРАНЕНИЕ ВОЗМОЖНЫХ НЕИСПРАВНОСТЕЙ; НЕИСПРАВНОСТЬ
- 13 ДЕТАЛИРОВКА
- 15 ГАРАНТИЙНЫЕ ОБЯЗАТЕЛЬСТВА; Срок службы изделия составляет 5 лет.; Гарантийный срок составляет 2 года с даты продажи.
Характеристики
Остались вопросы?Не нашли свой ответ в руководстве или возникли другие проблемы? Задайте свой вопрос в форме ниже с подробным описанием вашей ситуации, чтобы другие люди и специалисты смогли дать на него ответ. Если вы знаете как решить проблему другого человека, пожалуйста, подскажите ему :)
Часто задаваемые вопросы
Как посмотреть инструкцию к Aurora ВЕКТОР 2000?
Необходимо подождать полной загрузки инструкции в сером окне на данной странице
Руководство на русском языке?
Все наши руководства представлены на русском языке или схематично, поэтому вы без труда сможете разобраться с вашей моделью
Как скопировать текст из PDF?
Чтобы скопировать текст со страницы инструкции воспользуйтесь вкладкой "HTML"