Сварочное оборудование Aurora SKYWAY 330 SYNERGIC - инструкция пользователя по применению, эксплуатации и установке на русском языке. Мы надеемся, она поможет вам решить возникшие у вас вопросы при эксплуатации техники.
Если остались вопросы, задайте их в комментариях после инструкции.
"Загружаем инструкцию", означает, что нужно подождать пока файл загрузится и можно будет его читать онлайн. Некоторые инструкции очень большие и время их появления зависит от вашей скорости интернета.

11
спайки. В случае возникновения таких проблем, поменяйте полярность. В
случае использования щелочных электродов нужно использовать
минусовое подключение, при использовании кислотных – плюсовое
C.
Подсоединяйте аппарат только к подходящему источнику тока.
Если компоненты аппарата упакованы раздельно, предпримите следующие шаги
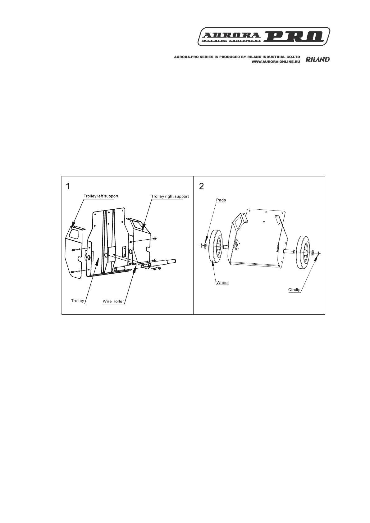
Зафиксируйте тележку правым и левым суппортами, присоедините ролик проволоки к
тележке шестью болтами M5 как показано на Рисунке 1. Присоедините колеса к
ролику при помощи прокладок и пружинных колец как показано на Рисунке 2
Присоедините передние колеса к аппарату при помощи четырех болтов M8. Затем
подсоедините задние колеса к аппарату при помощи 10 болтов M6 как показано на
Рисунке 3. Зафиксируйте ручку и колеса при помощи 8 болтов M5 как показано на
Рисунке 4.
Установка.
MIG
режим
Содержание
- 3 Содержание
- 4 Меры предосторожности; Проволока, вылетающая из горелки может повредить глаза, руки
- 8 Описание аппарата; Общая информация
- 9 Технические параметры; Модель
- 10 Инструкция по установке; Установка SKYWAY 330 SYNERGIC
- 13 Эксплуатация; Дисплей передней панели; Описание
- 14 Инструкция по эксплуатации; Дисплей
- 19 Перегрев; Рабочее помещение
- 20 Возможные проблемы и их устранение
- 21 Ежедневная диагностика и обслуживание; Ежедневное обслуживание
- 22 Ежедневная проверка
- 24 Возможные неисправности и способы их устранения; Неисправности и способы их устранения на SKYWAY 330 SYNERGIC :
- 25 ДИАГНОСТИКА НЕИСПРАВНОСТЕЙ НА РАННЕМ ЭТАПЕ; Диагностика первичных неисправностей
- 27 Приложение I Таблица сварочных параметров; электрода, в соответствии с таблицей; Диаметр; Различные сварочные параметры при работе в режиме MIG
Характеристики
Остались вопросы?Не нашли свой ответ в руководстве или возникли другие проблемы? Задайте свой вопрос в форме ниже с подробным описанием вашей ситуации, чтобы другие люди и специалисты смогли дать на него ответ. Если вы знаете как решить проблему другого человека, пожалуйста, подскажите ему :)