Сварочное оборудование Aurora PRO STICKMATE 160 MMA TIG lift - инструкция пользователя по применению, эксплуатации и установке на русском языке. Мы надеемся, она поможет вам решить возникшие у вас вопросы при эксплуатации техники.
Если остались вопросы, задайте их в комментариях после инструкции.
"Загружаем инструкцию", означает, что нужно подождать пока файл загрузится и можно будет его читать онлайн. Некоторые инструкции очень большие и время их появления зависит от вашей скорости интернета.
Загружаем инструкцию

USER MANUAL
- 14 -
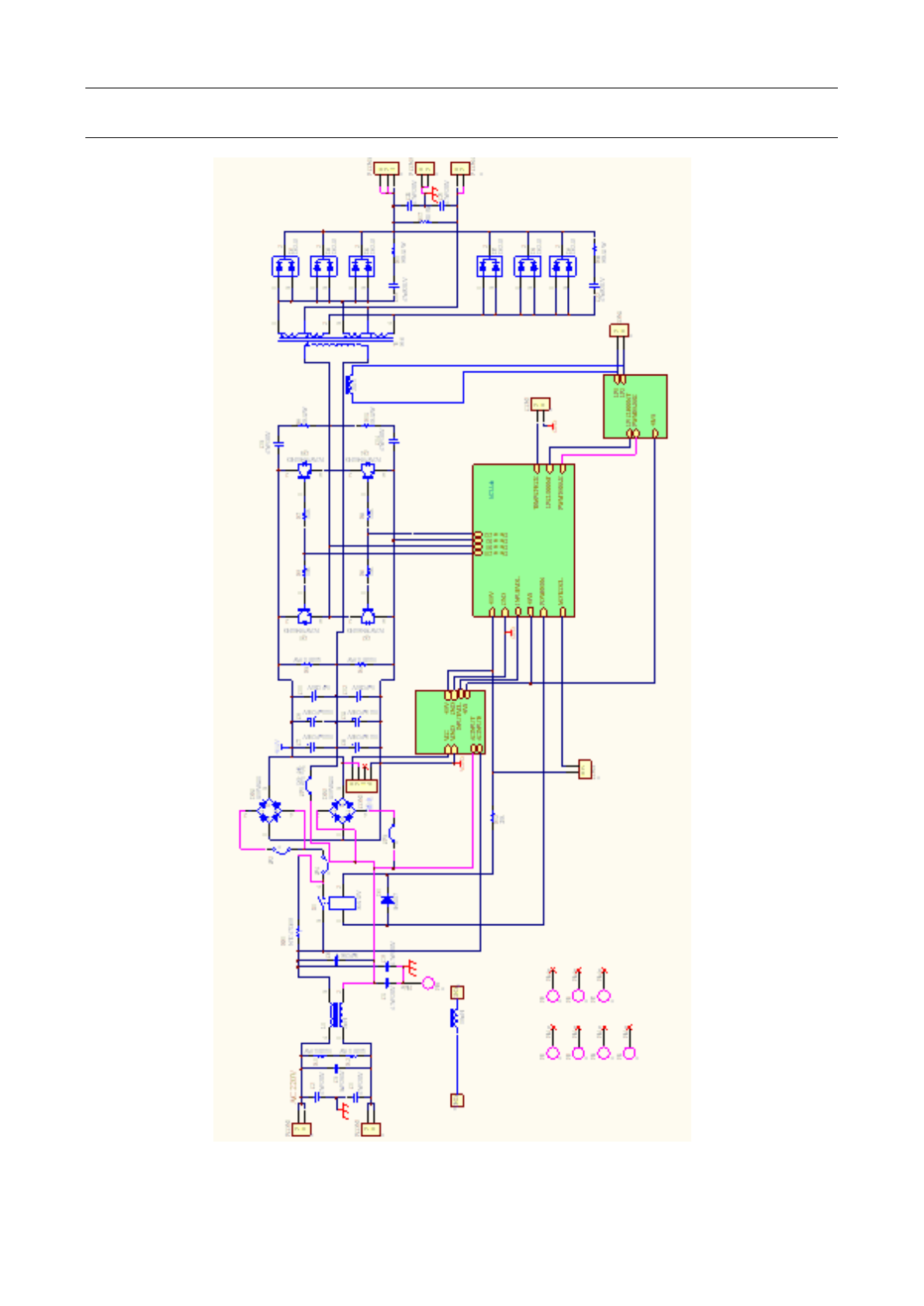
YF-29C A3
СХЕМА ЭЛЕКТРИЧЕСКОЙ ЦЕПИ
Содержание
- 2 СОДЕРЖАНИЕ
- 3 МЕРЫ БЕЗОПАСНОСТИ
- 5 лучшую работу аппарата и энергосбережение; сварки
- 7 ОПИСАНИЕ АППАРАТА
- 10 Заземлен
- 11 ФУНКЦИОНАЛЬНАЯ ПАНЕЛЬ
- 14 РЕКОМЕНДУЕМЫЕ СВАРОЧНЫЕ ХАРАКТЕРИСТИКИ; Сварочные настройки в режиме TIG.
- 16 ЗАМЕТКИ И МЕРЫ ПРЕДОСТОРОЖНОСТИ
- 17 ВОЗМОЖНЫЕ ПРОБЛЕМЫ И ИХ УСТРАНЕНИЕ
- 18 ЕЖЕДНЕВНОЕ ОБСЛУЖИВАНИЕ; отключен от сети
- 19 НЕИСПРАВНОСТИ И СПОСОБЫ ИХ УСТРАНЕНИЯ; Неисправности и способы их устранения:
- 20 ЕЖЕДНЕВНАЯ ПРОВЕРКА












