Сварочное оборудование Aurora PRO SHOOT M10 - инструкция пользователя по применению, эксплуатации и установке на русском языке. Мы надеемся, она поможет вам решить возникшие у вас вопросы при эксплуатации техники.
Если остались вопросы, задайте их в комментариях после инструкции.
"Загружаем инструкцию", означает, что нужно подождать пока файл загрузится и можно будет его читать онлайн. Некоторые инструкции очень большие и время их появления зависит от вашей скорости интернета.

-
·
ИНСТРУКЦИЯ
·
4
YFZ-01F A0
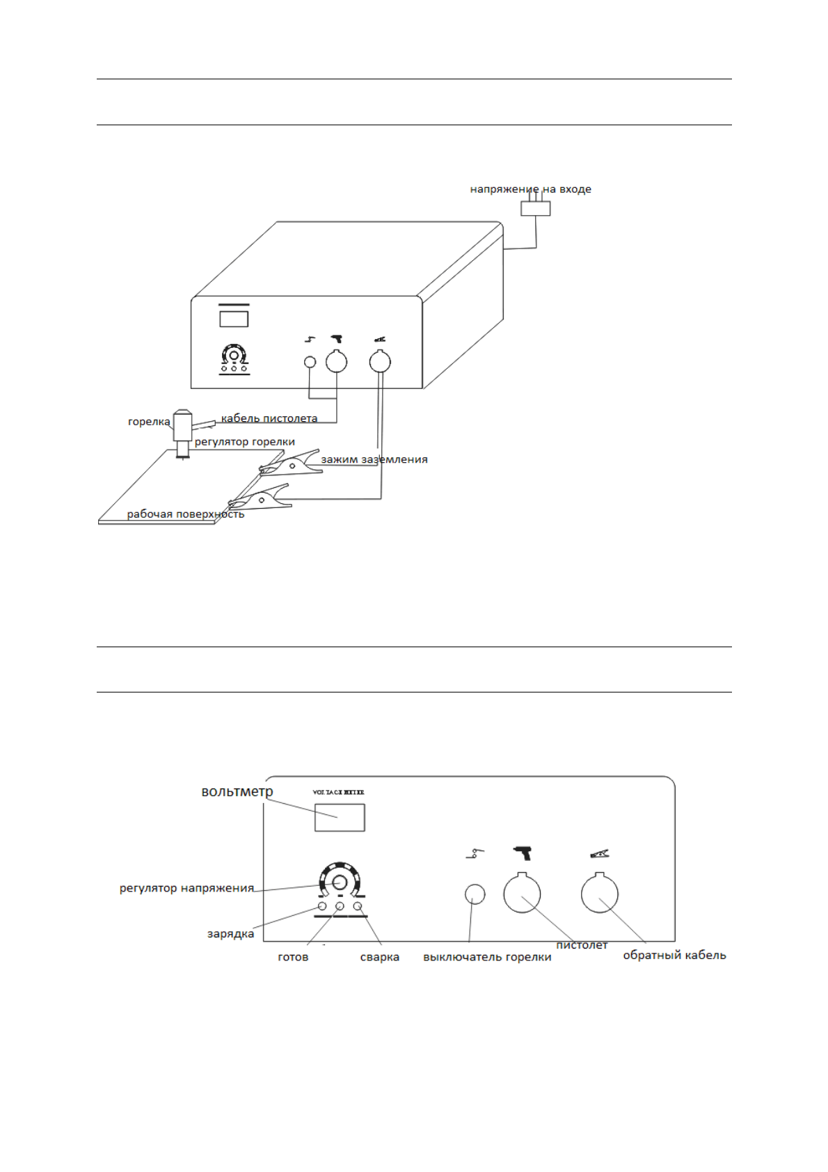
УСТАНОВКА
SHOOT M8/M10
Установка
:
ПАНЕЛИ
SHOOT M8/M10
передняя
панель
Содержание
- 2 ТЕХНИКА
- 3 ОБЛАСТЬ
- 4 ПАРАМЕТРЫ
- 5 УСТАНОВКА; Установка; ПАНЕЛИ; передняя
- 6 задняя; Процесс
- 7 ПРЕДУПРЕЖДЕНИЕ; УСТРАНЕНИЕ
- 8 ЦЕПЬ