Сварочное оборудование Aurora PRO OVERMAN 200 - инструкция пользователя по применению, эксплуатации и установке на русском языке. Мы надеемся, она поможет вам решить возникшие у вас вопросы при эксплуатации техники.
Если остались вопросы, задайте их в комментариях после инструкции.
"Загружаем инструкцию", означает, что нужно подождать пока файл загрузится и можно будет его читать онлайн. Некоторые инструкции очень большие и время их появления зависит от вашей скорости интернета.

11
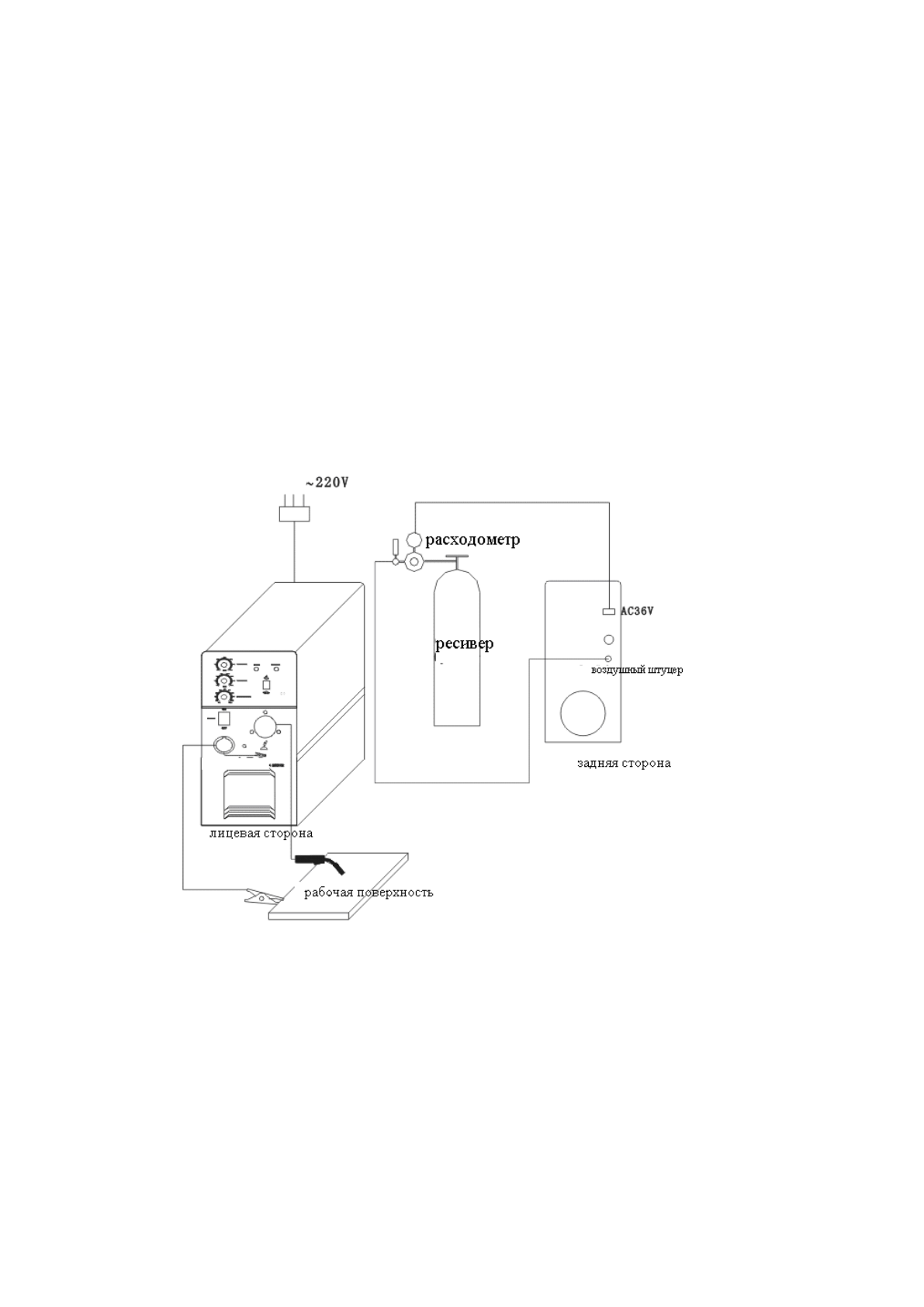
При использовании сплошной проволоки с газовой защитой, разъем для
горелки должен быть соединен с положительным выходным терминалом,
а кабель заземления должен быть подключен к отрицательному
выходному терминалу. При использовании порошковой проволоки, два
подключенные кабеля должны быть заменены.
Данная процедура должна проводиться электриком!
Подключите подходящий кабель питания к распределительной коробке с
соответствующей мощностью в зависимости от входного напряжения и
тока (см. таблицу технических параметров). Не подключайте кабель к
неподходящему напряжению и убедитесь, что разница в подачи питания в
допустимом диапазоне.
Рисунок 1
:
OVERMAN 180