Сварочное оборудование Aurora Динамика 1600 - инструкция пользователя по применению, эксплуатации и установке на русском языке. Мы надеемся, она поможет вам решить возникшие у вас вопросы при эксплуатации техники.
Если остались вопросы, задайте их в комментариях после инструкции.
"Загружаем инструкцию", означает, что нужно подождать пока файл загрузится и можно будет его читать онлайн. Некоторые инструкции очень большие и время их появления зависит от вашей скорости интернета.
Загружаем инструкцию

34
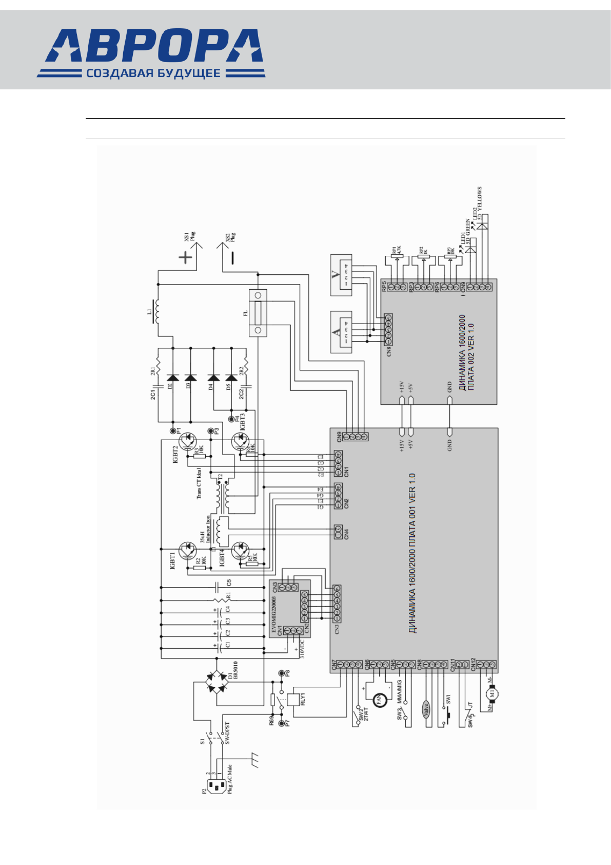
ЭЛЕКТРИЧЕСКАЯ СХЕМА
Содержание
- 2 Декларация о соответствии:
- 3 СОДЕРЖАНИЕ
- 5 ВВЕДЕНИЕ; получения травм и повреждения оборудования.
- 6 ТЕХНИКА БЕЗОПАСНОСТИ; инструкцией по эксплуатации.
- 9 ОБЩИЙ ВИД
- 11 ПАНЕЛЬ УПРАВЛЕНИЯ
- 12 ТЕХНИЧЕСКИЕ ХАРАКТЕРИСТИКИ; Модель
- 13 КОМПЛЕКТАЦИЯ
- 14 УСЛОВИЯ ЭКСПЛУАТАЦИИ; Условия окружающей среды:; Требования к электропитанию:
- 15 УСТАНОВКА И ПОДКЛЮЧЕНИЕ; Подключите сетевой кабель.
- 17 Подсоедините зажим на массу к заготовке.
- 18 Подготовка заготовки перед сваркой.; Установка и соединения
- 20 ЭКСПЛУАТАЦИЯ; Ввод в эксплуатацию
- 21 Особенности сварка алюминия:
- 22 MIX
- 25 ТЕХНИЧЕСКОЕ ОБСЛУЖИВАНИЕ
- 28 ХРАНЕНИЕ И ТРАНСПОРТИРОВКА
- 29 ДИАГНОСТИКА НЕИСПРАВНОСТЕЙ
- 31 Расшифровка
- 35 ГАРАНТИЙНЫЕ ОБЯЗАТЕЛЬСТВА
Характеристики
Остались вопросы?Не нашли свой ответ в руководстве или возникли другие проблемы? Задайте свой вопрос в форме ниже с подробным описанием вашей ситуации, чтобы другие люди и специалисты смогли дать на него ответ. Если вы знаете как решить проблему другого человека, пожалуйста, подскажите ему :)
Часто задаваемые вопросы
Как посмотреть инструкцию к Aurora Динамика 1600?
Необходимо подождать полной загрузки инструкции в сером окне на данной странице
Руководство на русском языке?
Все наши руководства представлены на русском языке или схематично, поэтому вы без труда сможете разобраться с вашей моделью
Как скопировать текст из PDF?
Чтобы скопировать текст со страницы инструкции воспользуйтесь вкладкой "HTML"