Сварочное оборудование Aurora AIRFORCE 100M - инструкция пользователя по применению, эксплуатации и установке на русском языке. Мы надеемся, она поможет вам решить возникшие у вас вопросы при эксплуатации техники.
Если остались вопросы, задайте их в комментариях после инструкции.
"Загружаем инструкцию", означает, что нужно подождать пока файл загрузится и можно будет его читать онлайн. Некоторые инструкции очень большие и время их появления зависит от вашей скорости интернета.

7
УСТАНОВКА И УПРАВЛЕНИЕ
Важно отметить, что любое увеличение длины силовых кабелей или кабелей
горелки может отразиться на работе этого оборудования для резки, в связи с понижением
уровня потребляемого напряжения из-за увеличения сопротивления кабелей, значение
которого прямо пропорционально зависит от их длины. Рекомендуется использовать
кабели, соответствующие по длине данному оборудованию, как те, которые входят в его
комплект
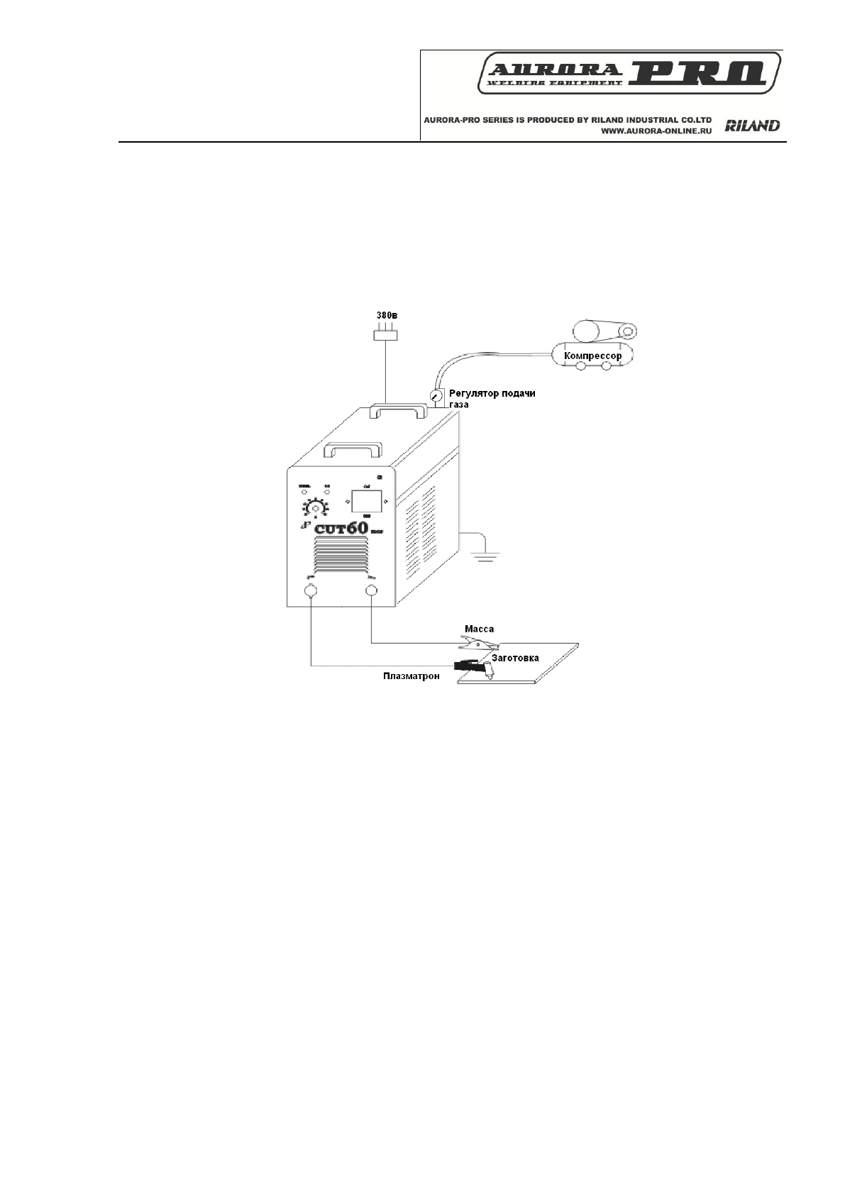
1. СОЕДИНЕНИЕ ВХОДНЫХ КАБЕЛЕЙ
(Пожалуйста, ознакомьтесь со схемой
сборки)
1.1 Каждый аппарат снабжен кабелем питания, который подключается в соответствии с
напряжением, указанным в паспорте и на самом аппарате. Запрещается подключать
аппарат к сети, напряжение которой отличается от указанной. При соединении аппарата,
работающего при напряжении 380 В к напряжению 220 В, аппарат не будет работать
нормально и может быть поврежден.
1.2. Силовой кабель должен иметь надежный контакт с сетевым разъемом, чтобы
избежать окисления контактов. Проверьте сетевое напряжение с помощью вольтметра на
соответствие требованиям раздела «Основные характеристики» непосредственно во время
резки.
2. СОЕДИНЕНИЕ ВОЗДУШНОГО ШЛАНГА
Подсоедините шланг подачи сжатого воздуха к входному разъему на редукторе.
Подсоедините выходное отверстие редуктора к штуцеру подачи сжатого воздуха на
задней панели аппарата с помощью шланга высокого давления в медной оплетке.
3. СОЕДИНЕНИЕ КАБЕЛЯ УПРАВЛЕНИЯ ПЛАЗМОТОРНОМ
Характеристики
Остались вопросы?Не нашли свой ответ в руководстве или возникли другие проблемы? Задайте свой вопрос в форме ниже с подробным описанием вашей ситуации, чтобы другие люди и специалисты смогли дать на него ответ. Если вы знаете как решить проблему другого человека, пожалуйста, подскажите ему :)