Сушильные машины Haier HD90-A2959S - инструкция пользователя по применению, эксплуатации и установке на русском языке. Мы надеемся, она поможет вам решить возникшие у вас вопросы при эксплуатации техники.
Если остались вопросы, задайте их в комментариях после инструкции.
"Загружаем инструкцию", означает, что нужно подождать пока файл загрузится и можно будет его читать онлайн. Некоторые инструкции очень большие и время их появления зависит от вашей скорости интернета.

1 2
3 4
5
6
4 6
7 8
3
2
1
2
4
3
2
HD100-A2979:
Модель
__________________________________
Серийный номер
__________________________
Дата продажи _____________________________
Также, пожалуйста, проверьте наличие гарантии и документов о продаже
Важно! Отсутствие на
сушильной машине
серийного номера делает невозможной для
Производителя
идентификацию
сушильной машины
и, как следствие, его гарантийное
обслуживание.
Запрещается удалять с
сушильной машины
заводские идентифицирующие
таблички. Отсутствие заводских
табличек может стать причиной отказа выполнения
гарантийных обязательств.
В настоящий документ могут быть внесены изменения без предварительного
уведомления.
Производитель оставляет за собой право вносить изменения в конструкцию и комплектацию
изделия без дополнительного уведомления.
Перевозить и хранить продукт необходимо в заводской упаковке, согласно указанным на ней
манипуляционным знакам.
При погрузке, разгрузке и транспортировке соблюдайте осторожность.
Транспорт и хранилища должны обеспечивать защиту продукта от атмосферных осадков и
механических повреждений.
Служба поддержки клиентов
Мы рекомендуем обращаться в службу поддержки клиентов компании «Хайер», а также
использовать оригинальные запасные части. Если у вас возникли проблемы с вашей бытовой
техникой, пожалуйста, сначала изучите раздел «Устранение неисправностей».
Если вы не нашли решения проблемы, пожалуйста, обратитесь:
— к вашему официальному дилеру или
— в наш колл-центр:
8-800-250-43-05
(РФ),
8-10-800-2000-17-06 (РБ),
00-800-2000-17-06 (Узбекистан),
0-800-308-989
(Украина),
— на сайт www.haier
-europe
.com , где вы можете оставить заявку на обслуживание, а также найти
ответы
на часто задаваемые вопросы.
Обращаясь в наш сервисный центр, пожалуйста, подготовьте следующую информацию, которую
вы можете найти на паспортной табличке и в чеке:
12-Технические характеристики
RU
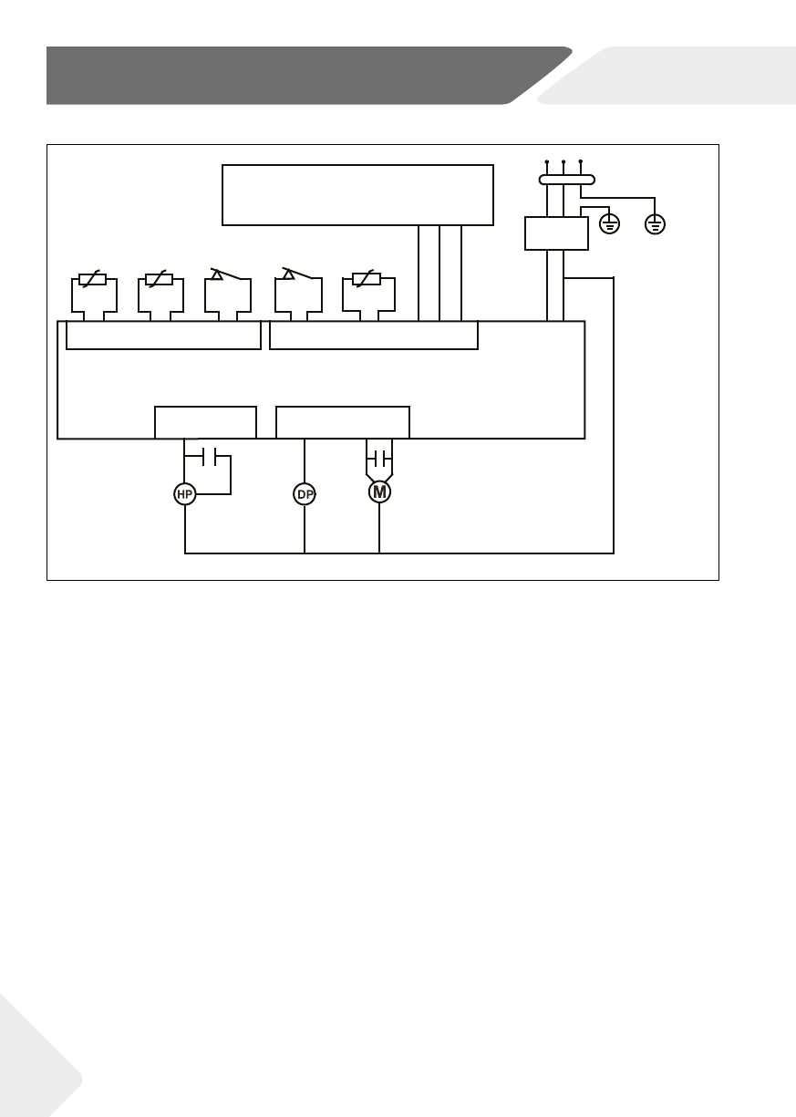
Электросхема HD90-A2959/HD90-A2959S:
Датчик NTC2
Плата дисплея
Плата питания
Датчик NTC3
Переключатель
воды
Датчик влажности
CN
2-1
CN
2-3
CN
2-2
CN2-1
CN4-1
CN2
CN4
CN3
CN1
L
N
Подавитель
помех
Конденсатор 12 мкФ
Конденсатор 8 мкФ
Электродвигатель
Сливной насос
Тепловой насос
Переключатель
дверцы
30
GND
GND
GND
Содержание
- 3 Содержание
- 4 -Информация по технике безопасности; Перед первым использованием; Убедитесь, что упаковка не повредилась при транспортировке.; Ежедневное применение
- 6 Техническое обслуживание / чистка
- 7 -Предусмотренное применение; Предусмотренное применение; Примечание
- 9 Индикатор защиты от детей; Индикатор отложенного старта; Кнопка
- 10 Индикатор чистого фильтра; Кнопка температуры; Без аллергии
- 11 ee; Кнопка блокировки от детей
- 13 Экологически ответственное использование
- 14 -Предложения и советы; Накрахмаленное белье; Небольшие объемы белья; Крышка для обслуживания; Система автоматического определения загрузки
- 15 Очень большие вещи; Джерси и трикотаж
- 16 -Ежедневное применение; Подготовка устройства
- 17 Загрузка сушильной машины
- 18 Установка программы и запуск
- 19 Использование решетки сушильной машины; Таблица ухода
- 20 Очистка фильтра для ворса; Очистка фильтра конденсатора
- 22 0-Поиск и устранение неисправностей; Поиск неисправностей по коду ошибки на дисплее
- 23 Поиск неисправностей без кода ошибки на дисплее
- 24 Выравнивание сушильной машины
- 28 2-Технические характеристики
- 29 Дополнительные характеристики; ВИД СПЕРЕДИ
- 30 Плата дисплея
- 31 3-Обслуживание клиентов
- 42 Кейінге қалдырылған старт индикаторы; Сигнал батырмасы
- 43 Таза сүзгі индикаторы; Температура батырмасы
- 44 Балалардан бұғаттау батырмасы
- 74 Індикатор затримки
- 75 Індикатор очищення фільтра; Кнопка «Тривалість»
- 76 Кнопка блокування від дітей
Характеристики
Остались вопросы?Не нашли свой ответ в руководстве или возникли другие проблемы? Задайте свой вопрос в форме ниже с подробным описанием вашей ситуации, чтобы другие люди и специалисты смогли дать на него ответ. Если вы знаете как решить проблему другого человека, пожалуйста, подскажите ему :)
Добрый день. При незаконченном цикле в сушильной машине стоит блокировка от детей, как ее отключить. На панели горит значок ребенок и пуск, но при этом ничего сделать не дает. Через определенное время сушилка выключается сама. От сети отключали, без результатов