Сушильные машины Haier HD90-A2959 - инструкция пользователя по применению, эксплуатации и установке на русском языке. Мы надеемся, она поможет вам решить возникшие у вас вопросы при эксплуатации техники.
Если остались вопросы, задайте их в комментариях после инструкции.
"Загружаем инструкцию", означает, что нужно подождать пока файл загрузится и можно будет его читать онлайн. Некоторые инструкции очень большие и время их появления зависит от вашей скорости интернета.

1 2
3 4
5
6
4 6
7 8
3
2
1
2
4
3
2
HD100-A2979:
12-Техникалық деректер
KZ
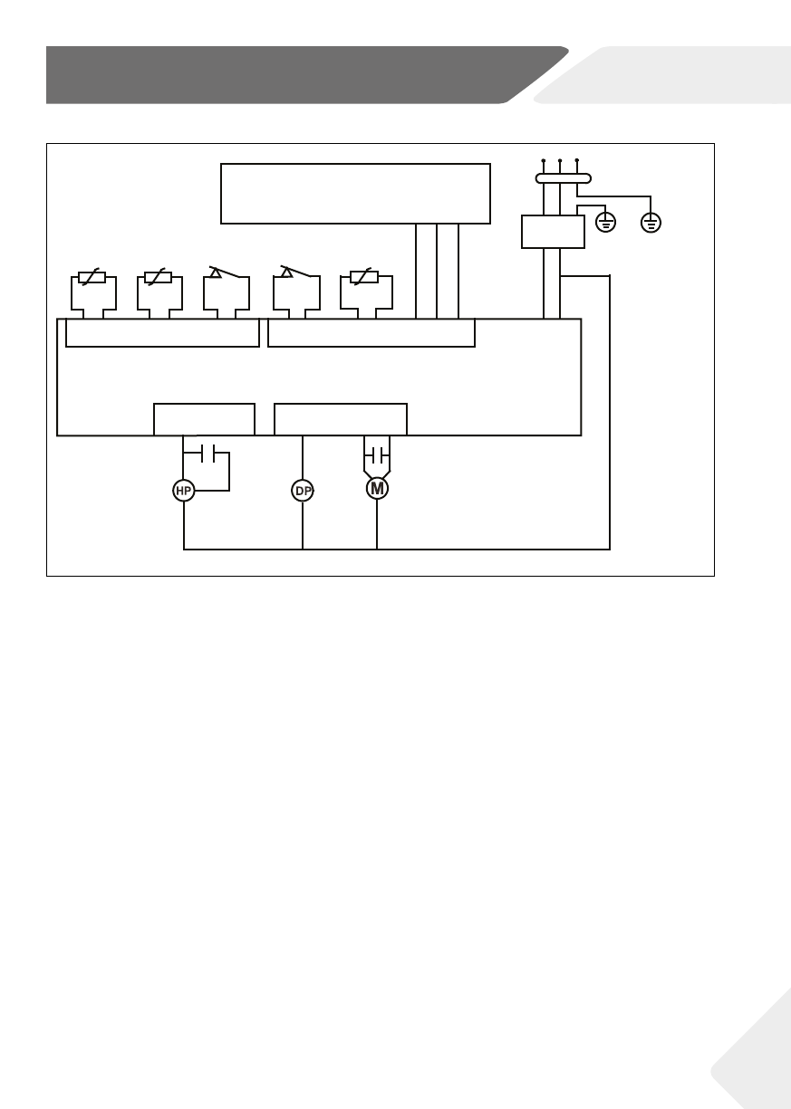
HD90-A2959/HD90-A2959S электр сызбасы:
NTC2 датчигі
Дисплей тақтасы
Қуат платасы
NTC3 датчигі
Суды ауыстырып-
қосқыш
Ылғалдылық
датчигі
CN
2-1
CN
2-3
CN
2-2
CN2-1
CN4-1
CN2
CN4
CN3
CN1
L
N
Кедергіні
басатын
құрал
Конденсатор 12 мкФ
Конденсатор 8 мкФ
Электр қозғалтқышы
Ағызу сорғысы
Жылу сорғысы
Есікті ауыстырып-
қосқыш
63
GND
GND
GND
Содержание
- 3 Содержание
- 4 -Информация по технике безопасности; Перед первым использованием; Убедитесь, что упаковка не повредилась при транспортировке.; Ежедневное применение
- 6 Техническое обслуживание / чистка
- 7 -Предусмотренное применение; Предусмотренное применение; Примечание
- 9 Индикатор защиты от детей; Индикатор отложенного старта; Кнопка
- 10 Индикатор чистого фильтра; Кнопка температуры; Без аллергии
- 11 ee; Кнопка блокировки от детей
- 13 Экологически ответственное использование
- 14 -Предложения и советы; Накрахмаленное белье; Небольшие объемы белья; Крышка для обслуживания; Система автоматического определения загрузки
- 15 Очень большие вещи; Джерси и трикотаж
- 16 -Ежедневное применение; Подготовка устройства
- 17 Загрузка сушильной машины
- 18 Установка программы и запуск
- 19 Использование решетки сушильной машины; Таблица ухода
- 20 Очистка фильтра для ворса; Очистка фильтра конденсатора
- 22 0-Поиск и устранение неисправностей; Поиск неисправностей по коду ошибки на дисплее
- 23 Поиск неисправностей без кода ошибки на дисплее
- 24 Выравнивание сушильной машины
- 28 2-Технические характеристики
- 29 Дополнительные характеристики; ВИД СПЕРЕДИ
- 30 Плата дисплея
- 31 3-Обслуживание клиентов
- 42 Кейінге қалдырылған старт индикаторы; Сигнал батырмасы
- 43 Таза сүзгі индикаторы; Температура батырмасы
- 44 Балалардан бұғаттау батырмасы
- 74 Індикатор затримки
- 75 Індикатор очищення фільтра; Кнопка «Тривалість»
- 76 Кнопка блокування від дітей
Характеристики
Остались вопросы?Не нашли свой ответ в руководстве или возникли другие проблемы? Задайте свой вопрос в форме ниже с подробным описанием вашей ситуации, чтобы другие люди и специалисты смогли дать на него ответ. Если вы знаете как решить проблему другого человека, пожалуйста, подскажите ему :)